Golf Cabrio Mod. 84-93 Seite 1001

Hinweis: Dies ist eine maschinenlesbare No-Flash Ansicht.
Klicken Sie hier um zur Online-Version zu gelangen.

Inhalt

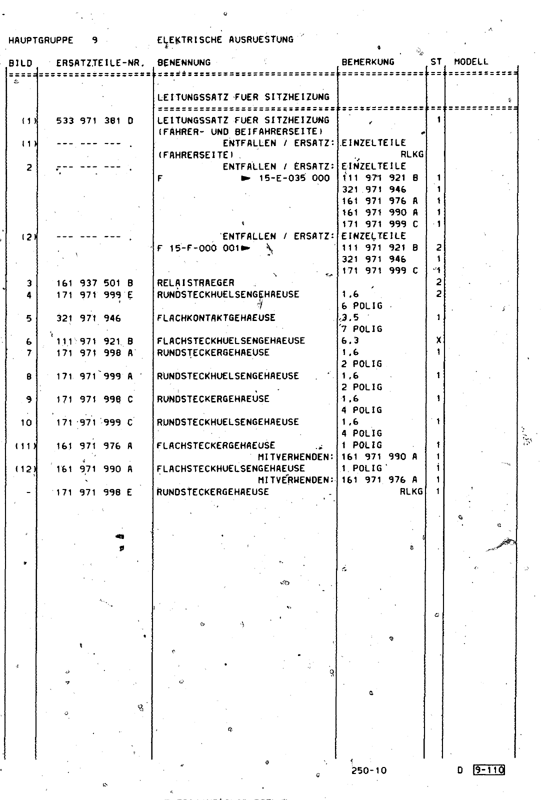
250 10 Q HAUPTGRUPPE 9 ELEKTRISCHE AUSRUESTUNG BILD ERSATZTEILE NR SpNENNUNS BEMERKUNG ST MODELL 12 6 7 8 9 10 111 112 533 971 381 D 161 937 171 971 501 B 999 E 321 971 946 III 971 171 971 171 971 171 971 171 971 161 971 Itl 9 1 171 971 921 B 998 A 999 A 999 C 999 C 976 A 990 A 998 E LEITUNGSSATZ EUER SITZHEIZUNG LEITUNGSSATZ FUER SITZHEIZUNG IFAHRER UNO BEIFAHRERSEITE I ENTFALLEN ERSATZ IFAHRERSEITEt ENTFALLEN ERSATZ F 15 E 035 000 ENTFALLEN ERSATZ F 15 F OOO 001 RELAISTRAEGER RUNÖSTECKHUELSENGEHAEUGE FLACHKONTAKTGEHAEUSE FLACHSTECKHUELSENGEHAEUSE RUNOSTECKERQEHAEUSE RUNDSTECKHUELSENGEHAEUSE RUNOSTECKERGEHAEUSE RUNOSTECKHUELSENGEHAEUSE FLACHSTECKERGEHAEUSE MITVERWENDEN FLACHSTECKHUELSENGEHAEUSE MITVERWENDEN RUNOSTECKERGEHAEUSE EINZELTEILE EINZELTEILE 11 971 921 8 321 971 946 161 971 976 A 161 971 990 A 171 971 999 C EINZELTEILE III 971 921 B 321 971 946 171 971 999 C I 6 6 POLIG 3 5 POLIG 3 6 POLIG 6 POLIG 1 6 4 POLIG 1 6 4 POLIG POLIG 161 971 990 A 1 POLIG 161 971 976 A RLKG 250 10 0 m iig


Vorschau Golf Cabrio  Mod. 84-93 Seite 1001