Golf Cabrio Mod. 84-93 Seite 1002

Hinweis: Dies ist eine maschinenlesbare No-Flash Ansicht.
Klicken Sie hier um zur Online-Version zu gelangen.

Inhalt

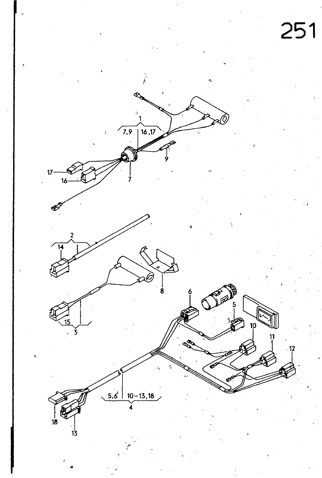
251 12 HAUPTGRUPPE 9 ELEKTRISCHE AUSRUESTUNG BILD ERSATZTEILE NR BENENNUNG BEMERKUNG MODELL ST KENNBUCHST 13 14 171 971 281 E 171 971 567 C 535 971 284 155 971 196 K lOj 533 971 780 191 906 231 A 191 919 321 411 941 1 9 321 971 280 803 971 892 32l 971 970 LEITUNGSSATZ MIT WIOERSTANÖ FUER GEBLAESEMOTOR LEITUNGSSATZ FUER TAGESFAHRLICHTSCkALTUNG LEITUNGSSATZ FUER STAOTFAHRLICHT LEITUNGSSATZ FUER ZIGARETTEN ANZUENDER BELEUCHTUNG FUER ASCHER HEIZUNGSBETAkTIGUNG VOLTMETER OELTHERhOMETER UND OELDRUCKMESSER LEITUNGSSAETZE LEITUNGSSATZ MIT WIDERSTAND FUER GEBLAESEMOTOR LEITUNGSSÄTZ MIT WIDERSTAND FtER GEBLAESEMOTOR MITVERWENDEN SIEHE BILDTAFEL LElfÜNCSSATZ FUER C TAGESFAHRLICHTSCHALTU G ENTFALLEN ERSATZ KUERZEN AUF KUERZEN AUF LEITUNGSSATZ FUER STAOTFAHR LICHT MITVERWENDEN F IS W OOO 001 LEITUNGSSATZ FUER ZIGARETTENANZUENDER BELEUCHTUNG FUER ASCHER HEIZUNGSBETAETIGUNG VOLTMETER OELTHERMOMETER UND ZEITUHR F 15 F 035 000 LEiJUNGSSNTZ FUER ZIGAAETTENANZUENDER BELEUCHTUNG FÜER ASCHER HEIZUNGSBETAETIGUNG VOLTMETER GELTHERMOMETER UND ZEITUHR F 15 G OÖO 001 803 971 831 149 4 EINZELTEILE 161 971 988 C N 018 203 3 5Ö00MM N 018 007 4 2500MM 161 971 988 t KLIMAANLAGE crt cE 3B BEACHTE AUCH UEBEhsiCHT FUER lEITUNGSSAETZE ZUM SELBSTBAU EITUNGSSA f DRUCKREGLER FLACHKONTAKTGEHAEUSE FLACHKONTAKTGEHAEUSE TUELLE HALTER FUER WIDERSTAND F 15 H OOO 001 TUELLE FLACHSTECKHUELSENGEHAEUSE DX 2 POLIG 3 POLIG 20 4 3X25 SB 251 3 POLIG D 19 1111 kr


Vorschau Golf Cabrio  Mod. 84-93 Seite 1002