Golf Cabrio Mod. 84-93 Seite 1023

Hinweis: Dies ist eine maschinenlesbare No-Flash Ansicht.
Klicken Sie hier um zur Online-Version zu gelangen.

Inhalt

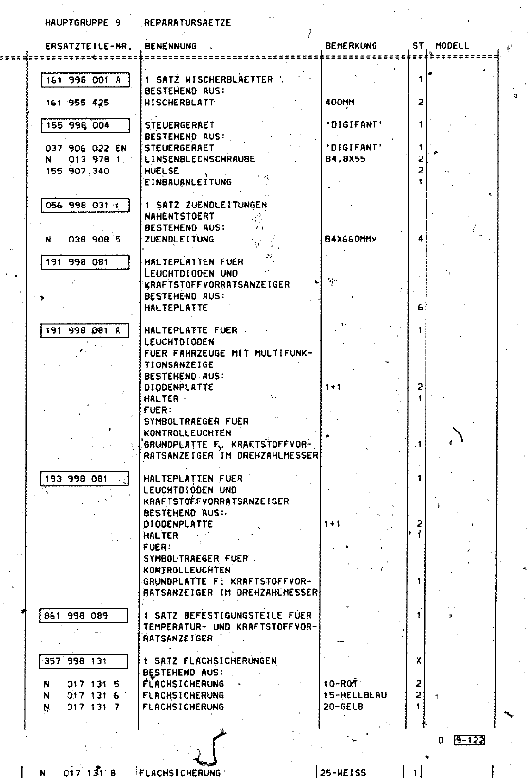
HAUPTGRUPPE 9 REPARATURSAETZE ERSATZTEILE NR BENENNUNG BEMERKUNG ST MODELL 161 998 001 A 161 955 4 5 155 999 004 I 037 906 022 EN N 013 978 1 155 907 340 056 998 031 N 038 908 5 191 998 081 191 998 81 A 193 998 081 861 998 089 357 998 131 N m7 1M5 N 017 131 6 N 017 131 7 N 017 lfl 8 1 SATZ WISCHER8LAETTER 8ESTEHENQ AUS WISCHERBLATT STEUERGERAET BESTEHEND AUS STEUERGERAET L1NSEN8LECHSCHRAU8E HUCLSE EINBAUANLEITUNG 1 SATZ ZUENDLEITUN6EN NAHENTSTOERT BESTEHEND AUS ZUENDLEITUNG HALTEPLATTEN FUER LEUCHTDIOOEN UND SRAFTSTOFFVORRATSANZEIGER BESTEHEND AUS HALTEPLATTE HALTEPLATTE FUER LEUCHTDIOOEN FUER FAHRZEUGE MIT MULTIFUNK TIONSANZEIGE BESTEHEND AUS DIOOENPLATTE HALTER FUER SYMBOLTRAEGER FUER KONTROLLEUCHTEN GRUNDPLATTE Fy KRAFTStOFFVOR RATSANZETGER IM DREHZAHLMESSER HALTEPLATTEN FUER LEUCHTDIOOEN UNO KRAFTSTO FVORRATSANZEIGER BESTEHEND AUS DIOOENPLATTE HALTER FUER SYMBOLTRAEGER FUER KONTROLLEUCHTEN GRUNDPLATTE F KRAFTSTOFFVOR RATSANZEIGER IM DREHZAHLMESSER 1 SATZ BEFESTIGUNGSTEILE FUER TEMPERATUR UNO KRAFTSTOFFVOR RATSANZEIGER 1 SATZ FLACHSICHERUNGEN B TEHENO AUS fLACHSICHERUNG FLACHSICHERUNG FLACHSICHERUNG 400MM OIGIFANT DIGIFANT 84 8X55 84X660MM 10 R0 15 HELL8LAU 20 GELB 0 ona FLACHSICHERUNG 25 WEISS


Vorschau Golf Cabrio  Mod. 84-93 Seite 1023