Golf Cabrio Mod. 84-93 Seite 108

Hinweis: Dies ist eine maschinenlesbare No-Flash Ansicht.
Klicken Sie hier um zur Online-Version zu gelangen.

Inhalt

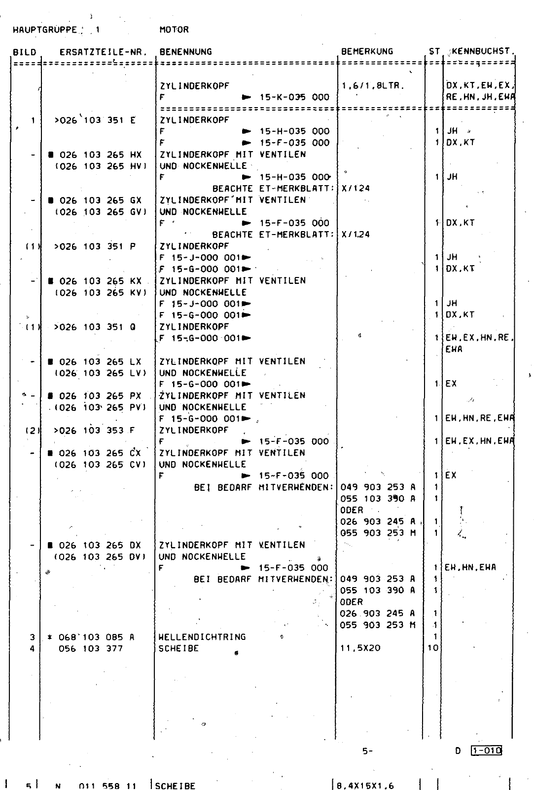
5 23 8 20 17 S 26 8 24 6 5 6 4 25 29 Äf x M 27 22 7 10 13 Oo yncro 8 2 a7 MOOB 3 87 M0015 84 a7 HAUPTGRÜPPE MOTOR BILD ERSATZTEILE NR BENENNUNG BEMERKUNG ST KENNBUCHST 12 I 026 103 265 OX 1026 103 265 OVI 068 103 085 A 056 103 377 ZYLINOERKOPF F 1 6 1 8LTR 15 K 035 000 OX KT EW EX RE HN JH EW 026 103 351 E I 026 103 265 HX 1026 103 265 HVI 026 103 265 GX 1026 103 265 GVI 026 103 351 P I 026 103 265 KX 1026 103 265 KV 026 103 351 0 026 103 265 LX 1026 103 265 LVI 026 103 265 PX 1026 iO 265 PVI 026 103 353 F 026 103 265 ÖX 1026 103 265 CVI 15 H 035 000 15 F 035 000 VENTILEN 15 H 035 00 ET MERKBLATT VENTILEN 15 F 035 000 ET MERKBLATT VENTILEN ZYLINOERKOPF ZYLINOERKOPF MIT UND NOCKENWELLE F BEACHTE ZYLINOERKOPF MIT UND NOCKENWELLE F BEACHTE ZYLINOERKOPF F 15 J OOO 001 f 15 G OOO 001 ZYLINOERKOPF MIT UND NOCKENWELLE F 15 J OOO 001 F 15 G OOO 001 ZYLINDERKOPF F 15 G OOO 001 ZYLINOERKOPF MIT VENTILEN UNO NOCKENWELLE F 15 G OOO 001 ZYLINDERKOPF MIT VENTILEN UND NOCKENWELLE F 15 G OOO 001 ZYLINDERKOPF F ZYLINOERKOPF MIT VENTILEN UND NOCKENWELLE F 15 F 035 000 BEI BEDARF MITVERWENOEN X f24 X U4 15 F 035 000 ZYLINDERKOPF MIT VENTILEN UND NOCKENWELLE F 1S F 035 000 BEI BEDARF MITVERWENOEN WELLENDICHTRING SCHEIBE 049 903 253 A 055 103 3 0 A ODER 026 903 245 A 055 903 253 M 049 903 253 A 055 103 390 A ODER 026 903 245 A 055 903 253 M 11 5X20 JH OX KT JH DX KT JH DX KT JH DX KT EW EX HN RE EWA EX EW HN RE EWf EW EX HN EWf EX EW HN EWA D n oig ni1 558 11 I SCHEIBE I8 4X15X1 6


Vorschau Golf Cabrio  Mod. 84-93 Seite 108