Golf Cabrio Mod. 84-93 Seite 113

Hinweis: Dies ist eine maschinenlesbare No-Flash Ansicht.
Klicken Sie hier um zur Online-Version zu gelangen.

Inhalt

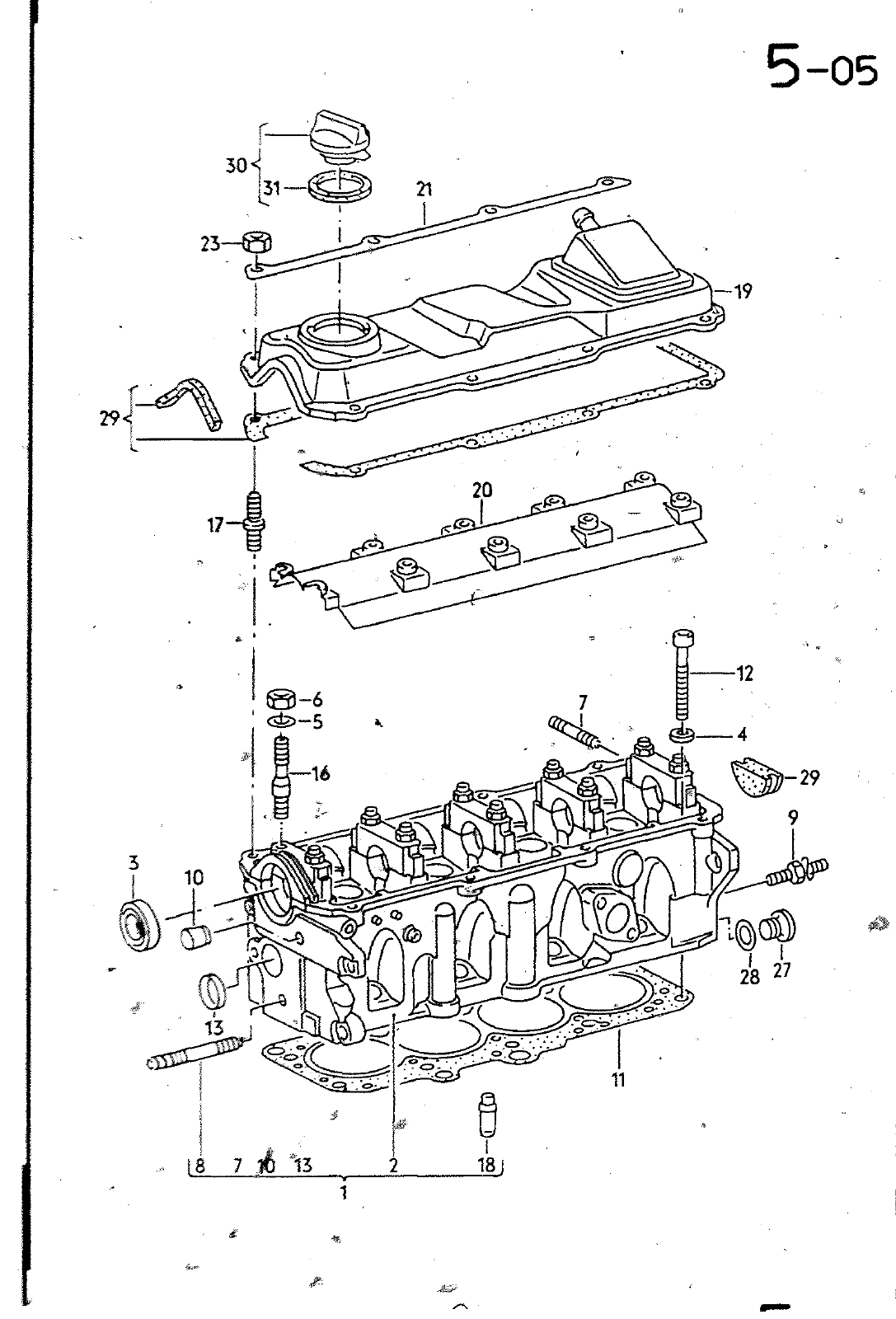
30 31 23 I 51 3 3 M j L üg5 28 27 HAUPTGRUPPE 1 MOTOR BILD ERSATZTEILE NR BENENNUNG BEMERKUNG ST KENNBUCHST 3 4 5 6 7 10 11 12 1 3 113 16 17 117 18 19 119 19 20 21 23 29 129 30 31 026 103 351 0 026 103 265 PX 1026 103 265 PVI 026 103 265 LX 1026 103 265 LVI 026 103 351 P m 026 103 265 KX 1026 103 265 KVI 037 103 351 037 103 265 X 1037 103 265 VI 037 103 351 F 037 103 351 H t 068 103 085 A 066 103 377 N 011 5 8 11 N 011 008 8 N 044 411 5 035 103 379 026 103 383 K 049 103 385 A N 011 914 2 N 011 919 1 056 103 397 026 103 400 A N 101 863 01 056 103 419 m 026 103 469 E 026 103 469 8 037 103 469 H 026 103 547 056 103 591 N 011 006 8 026 198 25 A 051 103 483 A 026 103 485 A 059 103 487 ZYLINOERKOPF F 15 L OOO oon 1 6 1 LTRr RE EW S2 2H OX JH ZYLINDERKOPF ZYLINDERKOPF MIT VENTILEN UNO NOCKENWELLE ZYLINDERKOPF MIT VENTILEN UNO NOCKENWELLE ZYLINDERKOPF ZYLINDERKOPF MIT VENTILEN UNO NOCKENWELLE MUMKMWT M 2H 047 698 ZYLINDERKOPF MIT VENTILEN UNO NOCKENWELLE 1 1 2H 047 698 ZYLINDERKOPF M 2H 047 699 2H 093 000 ZYLINDERKOPF M 2H 093 001 WELLENOICHTRING SCHEIBE SCHEIBE SECHSKANTMUTTER STIFTSCHRAUBE STOPFEN ZYLINDERKOPFDICHTUNg ZYUNDERSCHRAWBE MIT INNENVIELZAHNKOPF VERSCHLWSSDECKEL VERSCHLUSSDECKEL UEBERGROESSE STIFTSCHRAUBE STIFTSCHRAUBE MIT BUND F 15 P 019 500 STIFTSCHRAUBE F 15 P 019 501 VENTILFUEHRUNG ZYLINDERKOPFHAUBE ZYLINDERKOPFHAUBE ZYLINOERKOPFHAUBE OELABWETSER LEISTE SECHSKANTMUTTER OlCHTUNGSSATZ FUER ZYLINDERKOPFHAUBE F I 15 P 019 500 DICHTUNG F 15 P 019 501 VERSCHLUSSDECKEL DICHTUNG 11 5X20 8 4X15X1 6 M8 24 B25 M8X56 M6X25 M6X14 M6X20 36 5MM M6 RE EW EX RE EW EX OX KT JH OX KT JH 2H 2H RMKEW EX DX JH 2H 5 05 0 11 013 HAUPTORUPPEjT I MödbR


Vorschau Golf Cabrio  Mod. 84-93 Seite 113