Golf Cabrio Mod. 84-93 Seite 137

Hinweis: Dies ist eine maschinenlesbare No-Flash Ansicht.
Klicken Sie hier um zur Online-Version zu gelangen.

Inhalt

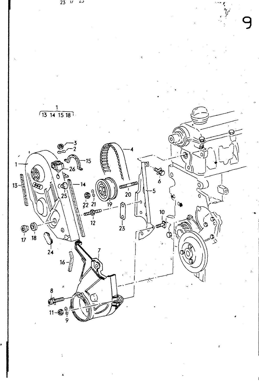
23 y 13 14 15 es 6 c ei 20 e 25 22 21 19 Rh 23 e 24 Q HAUPTGRUPPE 1 MOTOR BILD ERSÄTZTEILE NR BENENNUNG BEMERKUNG T KENNBUCHST 9 9 10 1 1 12 1 3 14 15 16 17 18 19 20 120 21 22 23 23A 24 25 26 055 109 107 B N 011 524 7 N mro 8 056 109 119 A 027 109 127 B N 010 212 14 049 109 175 N 014 705 3 N 010 222 8 N 012 226 5 N 012 227 N 900 534 6 N 011 006 8 049 109 166 049 109 18ß 8 049 109 207 056 129 669 B 026 109 243 E 056 103 399 N 902 964 01 N 012 231 N 011 133 049 109 271 N 010 241 049 lt9 291 N 020 027 1 055 127 585 15 A ZAHNRIEMEN ZAHNRIEMENSCHUT F 1 1 6 1 8LTR DX KT EW EX HN JH RE EWf J 015 000 ZAHNRIEMENSCHUTZ SCHEIBE SECHSKANTMUTTER ZAHNRIEMEN ABDECKBLECH SECHSKANTSCHRAUBE MITVERWENDEN ZAHNRIEMENSCHUTZ ZYLINDERSCHRAUBE MIT INNENSECHSKANTKOPF MITVERWENDEN SECHSKANTSCHRAUBE MITVERWENDEN FEOERSCHEIBE FEDERSCHEIBE HAMM RSCHRAUBE SECHSKANTMUTTER STIFTSCHRAUBE DICHTSTRE fEN KUERZEN AUF KUERZEN AUF KUERZEN AUF BUNDMUTTER MIT INNENSECHSKANT TUELLE SPANNROLLE MITVERWENOEN STIFTSCHRAUBE F STIFTSCHRAUBE F 15 F OOO 001 FEDERSCHEIBE SECHSKANTMUTTER UNTERLAGE SECHSKANTSCHRAUBE STOPFEN PFROPFEN HALTER FUER SCHLAUCH 15 E 035 000 OBEN A6 4X12 5X1 6 M6 Z 121 M6X12 N 012 226 5 UNTEN M6X25 N m2 2 5 M6X22 N m2 6 5 86 A6 AM6X35 M6 215MM 130ÜM 145MM 215MM 105MM M6 N 902 964 01 M10X53 M10X40 A10X18X0 8 MIO J20X53 M8X22 A15X1 Ep JH RE EWf EW 0 11 025 HAUPTGRUPPE 1 MOTOR


Vorschau Golf Cabrio  Mod. 84-93 Seite 137