Golf Cabrio Mod. 84-93 Seite 141

Hinweis: Dies ist eine maschinenlesbare No-Flash Ansicht.
Klicken Sie hier um zur Online-Version zu gelangen.

Inhalt

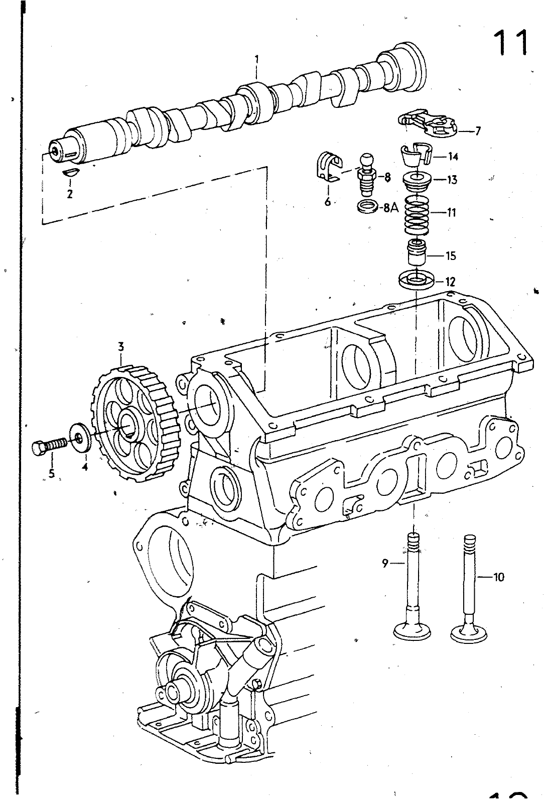
8A 0 0 0 8 sJ HAUPTGRUPPE 1 MOTOR BILD ERSATZTEILE NR BENENNUNG 036 TOS 01 B N 049 056 N 052 052 052 036 036 078 056 049 113 026 012 708 109 III 109 143 010 137 109 415 109 443 109 449 109 601 109 611 109 623 109 629 109 641 109 651 109 675 NOCKENWELLE VENTILE NOCKENWELLE BEI BEDARF MITVERWENDEN SCHEIBENFEOER ZAHNRIEMENSCyEIBE SCHEIBE SECHSKANTSCHRAUBE FEDER FUER SCHWINGHEBEL SCHWINGHEBEL KUGELSCHRAUBE EINLASSVENTIL AUSLASSVENTIL VENTILFEDER FEDERTELLER FEDERTELLER KEGELSTUECK VENTILSCHAFTABDICHTUNG BEMERKUNG ST KENNBUCHST 1 3LTR GESCHMIEDET 052 109 443 12 5X28X6 MI 2X1 5X35 AUGSEN UNTEN OBEN HK 0 M 02W HAUPTGRUPPE 1 MOTOR


Vorschau Golf Cabrio  Mod. 84-93 Seite 141