Golf Cabrio Mod. 84-93 Seite 161

Hinweis: Dies ist eine maschinenlesbare No-Flash Ansicht.
Klicken Sie hier um zur Online-Version zu gelangen.

Inhalt

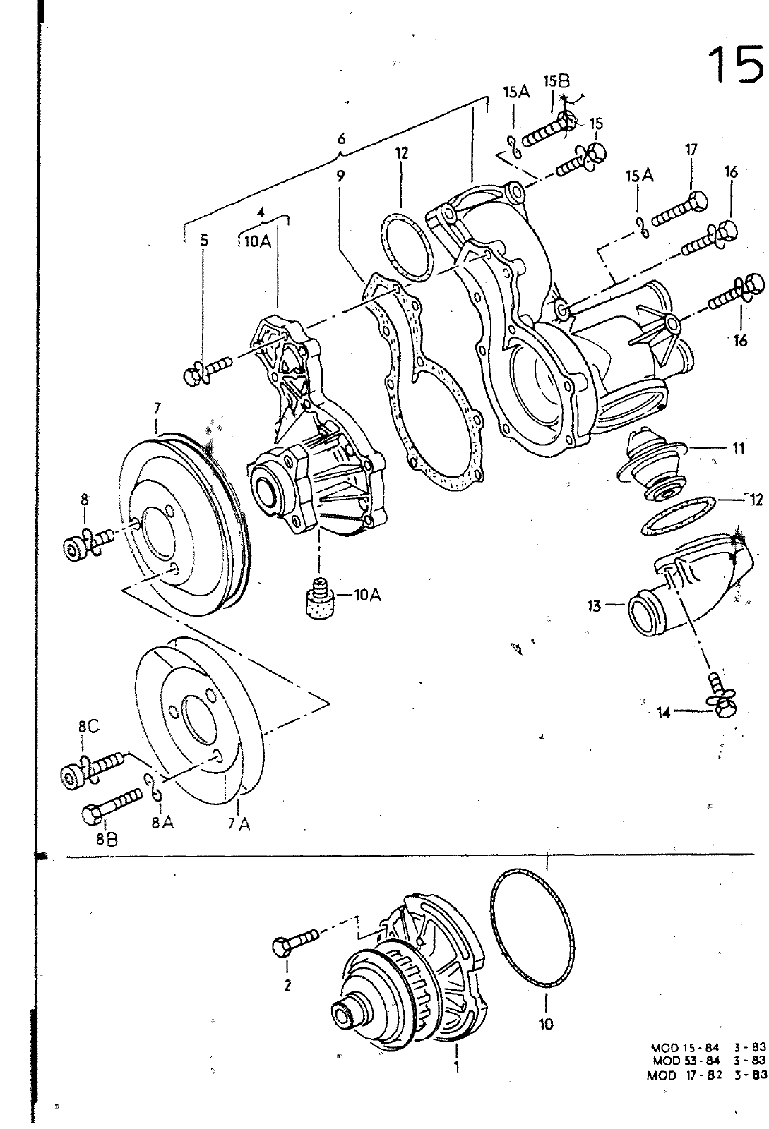
ISA 16 5 tWA 0 0 10A a 7A a 1 V00 15 M 3 83 M0D53 3 83 MOO 17 82 3 83 HAUPTGRUPPE 1 MOTOR BILO ERSATZTEILE NR BENENNUNG BEMERKUNG ST XENNBUCHST 7A 17 18 88 10 lOA 052 121 005 A 052 121 005 AX 1052 121 005 AVI N 010 218 6 N 012 227 3 026 121 005 G N 010 222 8 N 012 226 5 037 121 010 A 026 121 010 CX 1026 121 010 CVI 026 121 031 027 121 031 027 121 031 027 121 031 A 027 121 028 N 014 706 2 012 229 3 012 229 3 014 707 4 02 121 041 M 056 121 041 030 121 043 049 121 099 WASSERPUMPE HK EW EX HN DX KT JH RE EWA 2H WASSERPUMPE MIT DICHTRING WASSERPUMPE MIT DICHTRING SECHSKANTSCHRAUBE FEOERSCHEIBE LAGERGEHAEÜSE MIT PUMPENRAD MITVERWENDEN SECHSKANTSCHRAUBE FEOERSCHEIBE WASSERPUMPE MIT DICHTRINGEN OHNE RIEMENSCHEIBE KUEHL WASSERREGLER UNO ROHRSTUTZEN WASSERPUMPE MIT DICHTRINGEN OHNE RIEMENSCHEIBE KUEHL WASSERREGLER UND ROHRSTUTZEN KEILRIEMENSCHEIBE KEILRIEMENSCHEIBE FUER FAHRZEUGE MIT KLIMAANLAGE FUER FAHRZEUGE MIT SERVOLENKUNG F 1S M 009 000 KEILRIEMENSCHEIBE FUER FAHRZEUGE MIT KLIMAANLAGE F 15 M 009 001 KEILRIEMENSCHEIBE FUER FAHRZEUGE MIT SERVOLENKUNG KEILRIEMENSCHEIBE FUER FAHRZEUGE MIT SERVOLENKUNG F 15 M 009 000 ZTLINDERSCHRAUBE MIT INNENSECHSKANTKOPF FEOERSCHEIBE FEOERSCHEIBE FUER FAHRZEUGE MIT SERVOLENKUNG ZYLINOERSCHRAUBE MIT INNENSECHSKANTKOPF FUER FAHRZEUGE MIT SERVOLENKUNG DICHTUNG M6X25 Ä6 026 121 041 M M6X22 B6 F 15 E 011 DICHTUNG F DICHTRING STOPFEN F 15 E 011 291 2911 15 E 011 290 M8X12 A8X15X0 5 A8X15X0 5 M8X1S 1 5MM 0 75MM 4MM HK HK KLIMAANLAGE OX KT HK 11 056 121 113 0 KUCHLWASSERREGLER 87C 102C 0 11 03 lloX KT EW ExJ


Vorschau Golf Cabrio  Mod. 84-93 Seite 161