Golf Cabrio Mod. 84-93 Seite 173

Hinweis: Dies ist eine maschinenlesbare No-Flash Ansicht.
Klicken Sie hier um zur Online-Version zu gelangen.

Inhalt

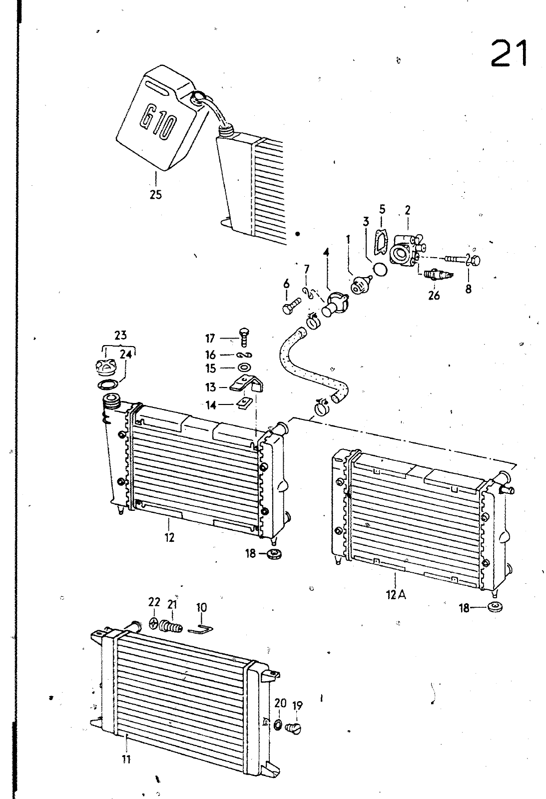
21 fpsUEG Lgca I 8 5 2 I 26 17 9 23 1 24 15 a ö 0 18 12 A 22 21 18 20 19 HAUPTGRUPPE 1 MOTOR BILD ERSATZTEILE NR BENENNUNG BEMERKUNG ST KENNBUCHST 8 1 3 14 15 16 17 18 23 24 25 l 25 036 121 052 121 052 121 052 121 Ö52 121 113 B 115 119 121 E 127 A 014 703 5 012 010 012 171 121 171 121 431 399 N 011 012 010 171 121 443 121 171 121 G OU G 011 226 5 375 3 229 3 253 CJ 267 433 667 2 227 3 216 12 276 D 321 327 V8B AI V88 A8 WASSERKUEHLER KUEHLWASSERREGLER 1 3LTR KUEHLWASSERREGLER GEHAEUSE MIT GEWINDEBOHRUNG OICHTRING DECKEL ßlCHTUNG ZYLINDERSCHRAUBE MIT INNENSECHSKÄNTKOPF CEDERSCHEIBE SECHSKANTSCHRAUBE FEDERSCHEIBE WASSERKUEHLER HALTEBLECH STECKMUTTER SCHEIBE FEDERSCHEIBE SECHSKANTSCHRAUBE GUMMISCHEIBE VERSCHLUSSDECKEL DICHTRING KUEHLMITTELZUSATZ KUEHLMITTELZUSATZ M10X1 M6X18 86 M8X75 A8X15X0 5 430MM M6 87 4X22X2 A6 M6X18 1 5LTR 50LTR HK 21 D 11 043


Vorschau Golf Cabrio  Mod. 84-93 Seite 173