Golf Cabrio Mod. 84-93 Seite 185

Hinweis: Dies ist eine maschinenlesbare No-Flash Ansicht.
Klicken Sie hier um zur Online-Version zu gelangen.

Inhalt

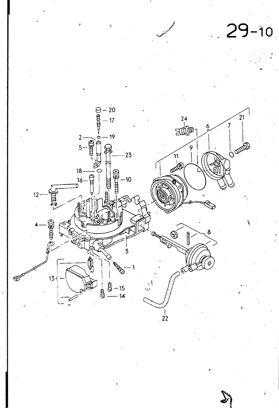
G 20 5 4 6 6 16 6 16 7 8 8 18 8 8 8 8 8 8 18 9 to I 1 12 12 12 Z9 1U u ii U4g 027 129 191 K 027 129 191 K 129 191 J 030 129 191 C 027 129 191 f 129 191 H 055 129 93 A 052 129 220 A 026 129 220 030 129 220 A 026 129 220 030 129 220 A 026 129 220 030 129 220 A 026 129 220 030 129 220 030 129 220 A 052 129 241 025 129 340 026 129 340 A 026 129 382 052 129 382 A 052 129 382 B DECKEL MIT FEDER UND HEIZSPIRALE SCHLAUCHANSCHLUSS FUER VERGASER DECKEL MIT FgOER UNO HEIZSPIRALE SCHLAUCHANSCHLUSS FUER VERGASER TAGESDATUM STARTERDECKEL FUER VERGASER TRGESDATUM ST RTERDECKEL FUER VERGASER DECKEN MIT FEDER UND HEIZSPIRALE FUER VERGASER DECKEL MIT FEDER UND HEIZSPIRALE 0 RING PULLDOWNDOSE PULLDOWNDOSE PULLDOWNDOSE PULLDOWNDOSE PULLDOWNDOSE PULLDOWNDOSE PULLDOWNDOSE PULLDOWNDOSE PULLDOWNDOSE PULLDOWNDOSE D RING FUER VERGASER LINSENSCHRAUBE KOMBI LINSENSCHRAUBE KOMBI I FUER VERGASER ROHR FUER VERGASER ROHR FUER VERGASER ROHR FUER VERGASER FUER VERGASER FUER VERGASER FUER VERGASER FUER VERGASER TAGESDATUM FUER VERGASER TAGESDATUM FUER VERGASER TAGESDATUM FUER VERGASER TAGESDATUM FUER VERGASER TAGESDATUM FUER VERGASER TAGESDATUM FUER VERGASER TAGESDATUM FUER VERGASER TAGESDATUM FUER VERGASER 10MM 1 3 4 10MM 2 8 056 2 8 057 5 6 NR 305 7 8 NR 32 1 2 3 4 5 6 1 5 036 5 037 2 4 312 4 313 3 4 272 4 4 271 5 183 5 184 7 8 1 2 3 4 M5X35 M4X16 1 2 3 4 5 6 1 2 3 4 8 5 6 7 5 6 29 10 0 n 0491


Vorschau Golf Cabrio  Mod. 84-93 Seite 185