Golf Cabrio Mod. 84-93 Seite 227

Hinweis: Dies ist eine maschinenlesbare No-Flash Ansicht.
Klicken Sie hier um zur Online-Version zu gelangen.

Inhalt

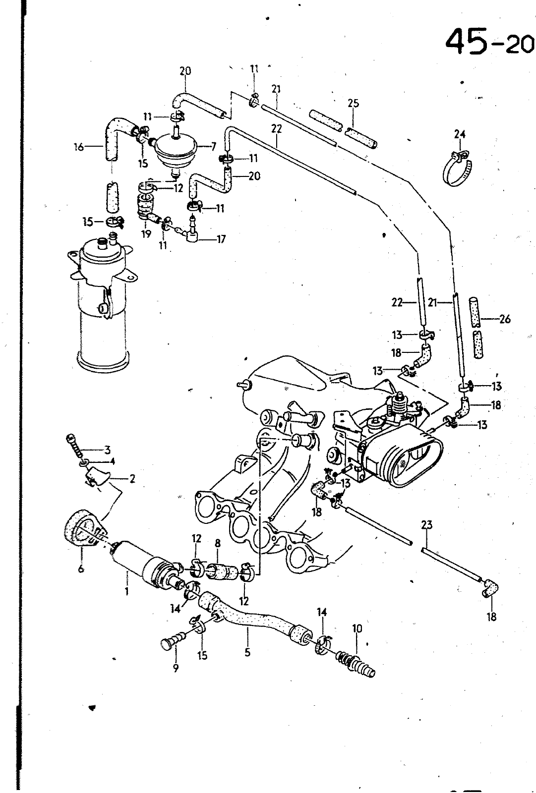
1Ü 20 HAUPTGRUPPE 1 MOTOR 81L0 ERSATZTEILE NR BENENNUNG 24 15 y 20 15 22 0 S 5 15 6 7 8 9 10 110 11 12 13 14 IG 16 17 18 11 20 21 22 23 24 25 26 037 906 457 0 037 133 446 J N 010 212 14 N 015 276 1 037 133 383 AB 037 133 383 H 037 133 383 AB 037 133 383 H 035 133 84 027 133 459 A 049 133 517 037 133 606 A 035 133 847 037 133 037 133 N 024 900 024 102 024 867 201 037 133 034 133 025 129 N 020 382 F 382 Ö 122 2 719 01 399 2 581 01 509 4 179 382 H 784 638 353 5 020 139 1 N 900 603 01 N 020 376 1 N 020 348 1 UNTERORUCKANLAGE AKTjVKOHLEFILTERANLAGE STEUERVENTIL FUER LEERLAUFSTA8ILISIERUNG MITVERWENOEN HALTER SECHSKANTSCHRAUBE SCHEIBE SCHLAUCH M SCHLAUCH M 2H 020 719 SCHLAUCH M 2H 020 718 2H 020 7 8 MITVERWENOEN MITVERWENOEN TVgll f SCHLAUCH M 2H 020 719 STOPFEN STWETZS VENTIL REDUZIERSCHLAUCH STOPFEN STUTZEN STUTZEN SCHELLE SCHELLE SCHELLE SCHELLE SCIKLLE ENTLUEFTUNGSSCHLAUCH WINKELSTUECK WINKELSCHLAUCH REDUZIERSTUECK SCHLAUCH IN ROLLEN ZU 5M BESTELLEINHEIT 5 KUERZEN AUF ROHR IN ROLLEN ZU 5M BESTELLEINHEIT 5 KUERZEN AUF KUERZEN mUF KUERZEN AUF KABELBINOER SCHLAUCH IN ROLLEN ZU 5M BESTELLEINHEIT 5 KUERZEN AUF SCHLAUCH JN ROLLEN ZU 5M BESTELLEINHEIT 5 KUERZEN AUF BEMERKUNG 1 8LTR 15 K 024800 027 133 459 A M6X12 6 035 133 847 N 024 509 4 1035 133 847 N 024 509 4 12MM 18 5 17 5X44 12MM 16MM 16 9MM 9X11 15 LC16 27 A7X8 AL23 35 ALI2 22 4MM 3 5MM 4 t1 4MM 3 5X2 300MM 4X1 850MM 760MM 580MM 175MM 9X3 170MM S10X3 390MM 45 20 ST KENNBUCHST 2H AUTOMATIK AUTOMATIK SCHALT GETRIEBE SCHALT GETRIEBE SCHALT GETRIEBE 0 11 070 I l KLIMAANLAGE


Vorschau Golf Cabrio  Mod. 84-93 Seite 227