Golf Cabrio Mod. 84-93 Seite 232

Hinweis: Dies ist eine maschinenlesbare No-Flash Ansicht.
Klicken Sie hier um zur Online-Version zu gelangen.

Inhalt

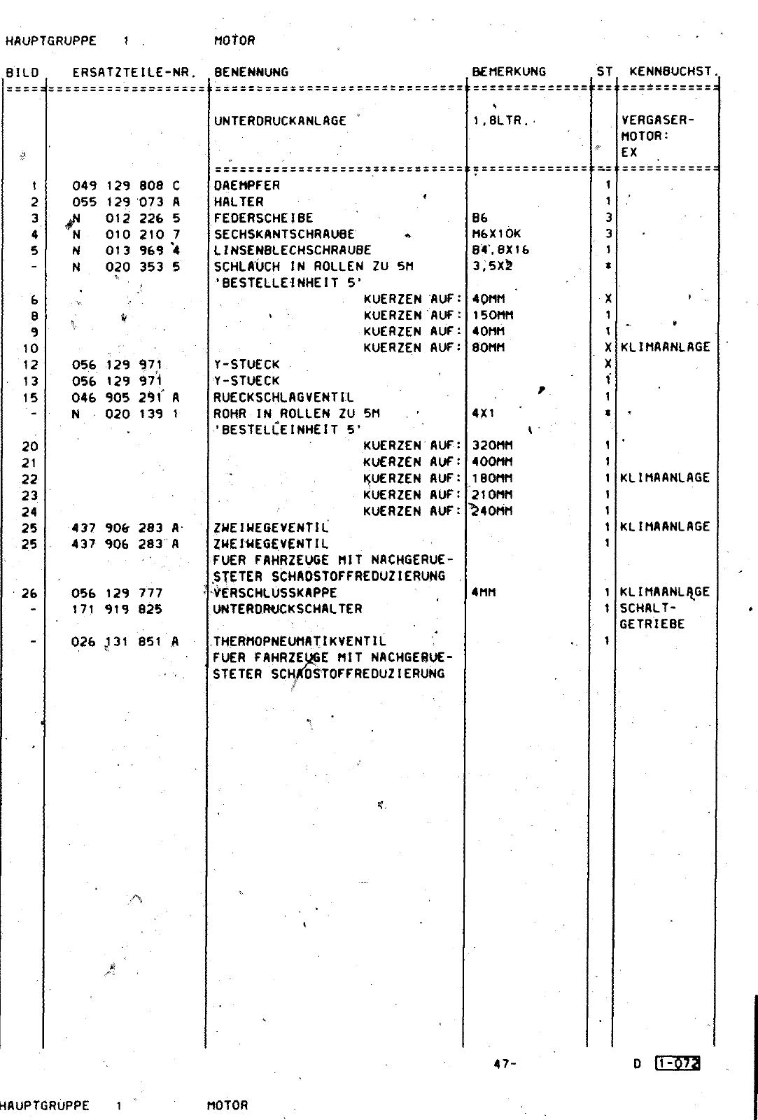
47 3 I 26 4 25 20 24 23 10 6 10 J 6 Rr 0W u woot 3 3 HAUPTGRUPPE I MOTOR BILD ERSATZTEILE NR BENENNUNG BEMERKUNG ST KENNBUCHST 20 21 22 23 24 25 25 26 049 129 808 C 055 129 073 A p 012 226 5 N 010 210 7 N 013 969 4 N 020 353 S 0 6 129 971 056 129 97i 046 905 29f A N 020 139 1 437 906 283 A 437 906 283 A 056 129 777 171 919 825 6j31 85 UNTERDRUCKANLAGE 1 8LTR OAEMPFER HALTER FEOERSCHEIBE SECHSKANTSCHRAUBE LINSENBLECHSCHRAU8E SCHLAUCH IN ROLLEN ZU 5M BESTELLEINHEIT 5 KUERZEN AUF KUERZEN AUF KUERZEN AUF KUERZEN AUF Y STUECK Y STUCCK RUECKSCHLAGVENTIL ROHR IN ROLLEN ZU 5M BESTELLEINHEIT 5 KUERZEN AUF KUERZEN AUF qUERZEN mUf KUERZEN AUF KUERZEN AUF ZWEIWEGEVENTIL ZWEIWEGEVENTIL FUER FAHRZEUGE MIT NACHGERUE STETER SCHAOSTOFFREDUZIERUNG VERSCHLUSSKAPPE UNTERORWCKSCHALTER THERMOPNEUMATIKVENTIL FUER FAHRZEUgE MIT N CHKE UE STETER SCHMDSTOFFREOUZIERUNG 86 M X1ÖK 84 8X16 3 5X 40MM 150MM 40MM 80MM 4X1 320MM 400MM 180MM 210MM 40MM 4 MM VERGASER MOTOR EX KLIMAANLAGE KLIMAANLAGE KLIMAANLAGE KLIMAANLAGE SCHALT GETRIEBE HAUPTGRUPPE MOTOR 47 D 11 073


Vorschau Golf Cabrio  Mod. 84-93 Seite 232