Golf Cabrio Mod. 84-93 Seite 255

Hinweis: Dies ist eine maschinenlesbare No-Flash Ansicht.
Klicken Sie hier um zur Online-Version zu gelangen.

Inhalt

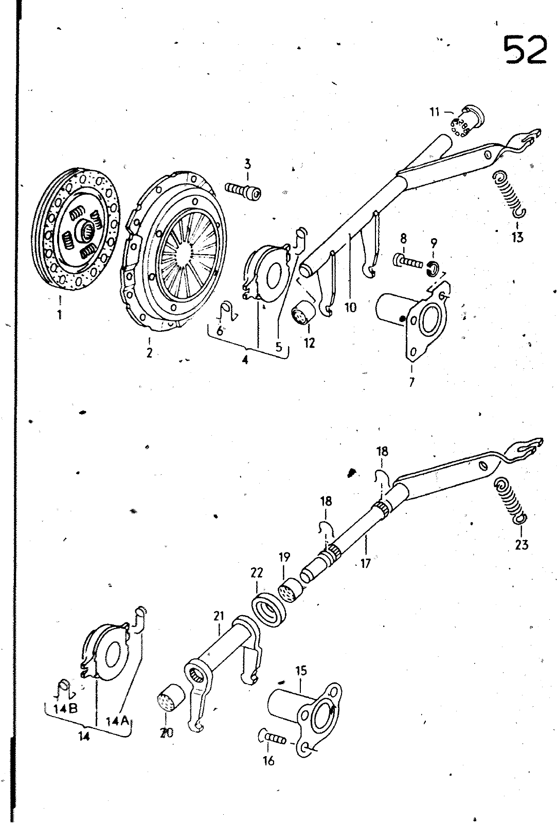
52 am 6 13 ßon 0 0 10 0 5 u 18 18 s a 23 19 22 15 14B 14A L B 14 16 HAUPTGRUPPE MOTOR BILD 4 5 6 7 8 9 10 11 12 1 3 14 14A 14B 15 ERSATZTEILE NR BENENNUNG 000 100 I 052 198 AX 1052 198 141 AV 052 141 032 R 0 052 141 032 RX 052 141 032 RVI 052 141 034 052 141 032 AX 052 141 03 VI 052 198 141 BX 052 198 141 BVI 052 1 117 J 052 141 117 JX 052 141 117 JVf 052 141 025 0 052 141 025 bX 052 141 025 N 903 207 01 084 141 165 A 113 141 177 C 113 141 178 C 084 141 181 A 084 141 197 N 042 001 1 084 141 701 At 084 141 711 084 141 713 A 084 141 741 A 085 141 T65 E 113 141 177 C 113 141 178 C 085 141 181 BEMERKUNG 16 I N 903 OW 03 ILINSENSENKSCHRAUBE 1 3LTR BOG 180MM 15 G 003 000 180MM 157 003 000 18QMM 15 G 003 000 190MM 190 OMM 180MM 180MM 190MM 190MM M7X14 15 G 003 000 LINKS RECHTS M7X16 A7 LINKS RECHTS 52 M7X14 KENNBUCHST KUPPLUNG SCHMIERFETT FUER KUPPL NGS SCHEIBENSTECKVERZAHNUNG 1 SATZ KUPPLUNGSTEILE ASBESTjREI F KUPPLUNGSSCHEIBE ASBESTFREII r KUPPLUNGSSCHI ASBESTFRELI F KUPPLUNGSSCHEIBE tASBESTFREI F 15 5 003 001 KUPPLUNGSSCHEIBE ASBESTFRCIk F 15 G 003 001 1 SATZ KUPPLUNGSTEILE lASBESTFREjl F 15 6 003 001 KUPPLUNGSORUCKPLATTE F 15 G 003 000 KUPPLUNGSDRUCKPLATTE F 15 G 003 000 KUPmLUWGSORUCKPLATTE f I5 G 003 001 f KUPPLUNGSORUCKPLATTE F 15 8 003 001 ZWOELFKANTSCHRAUBE AUSRUECKLAGER AUGRUECKWELLE AUSRUECKLAGER HALTEFEOER HALTEFEDER FÜEHRUtiGSHUEiSE ZYLINOERSCHRAUBE FEOERRING AUSRUECKWEM E BUCHSE BUCHSE ZUGFEDER AUSRUECKLAGER AUSRUECKWELLE F 15 G 0 3 OOI AUSRUECKLAGER HALTEFEOER HALTEFEOER fUEHRUNGSHUELSE D 11 084


Vorschau Golf Cabrio  Mod. 84-93 Seite 255