Golf Cabrio Mod. 84-93 Seite 265

Hinweis: Dies ist eine maschinenlesbare No-Flash Ansicht.
Klicken Sie hier um zur Online-Version zu gelangen.

Inhalt

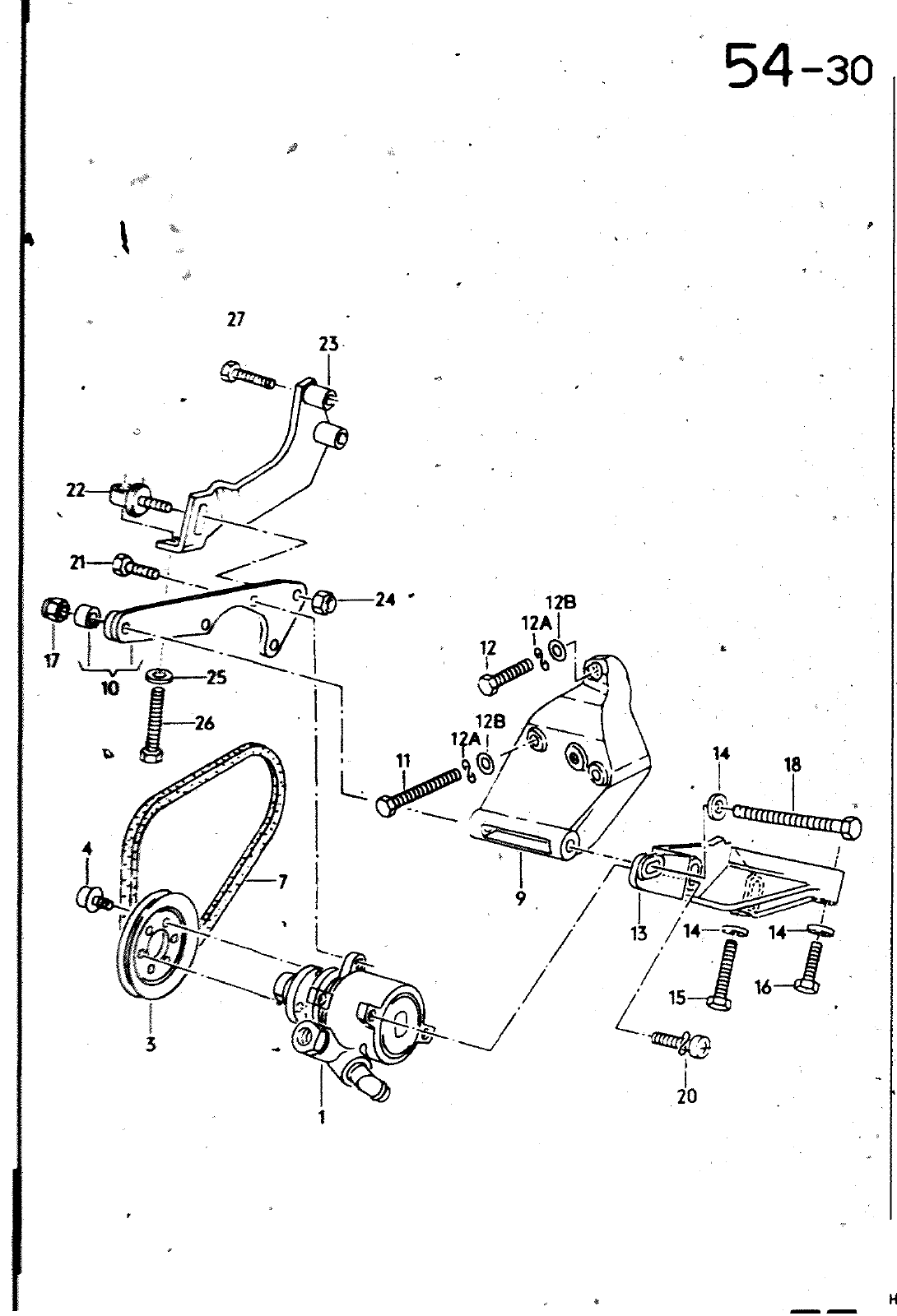
54 30 24 128 12A 128 26 6i 7 ekJrw 13 lWk ä 14 SmB 15 20 16 HRUPTGRUPPE 1 MOTOR BILD ERSATZTEILE NR BENENNUNG BEMCRKUpC ST KENNBVCHST 17 9 0 11 12 12m 128 13 14 15 16 17 18 20 21 22 23 24 25 26 27 027 145 157 027 145 255 027 145 255 051 145 25ä N 014 706 2 N 012 229 3 026 145 271 026 145 271 027 903 137 053 145 027 145 N 010 N 010 N 012 N cm 027 145 N 900 010 010 022 100 090 010 035 145 027 14 N OM N 011 N 040 N 010 515 521 397 4 247 8 241 11 525 13 53mi V3W 385 7 345 5 146 4 113 01 315 1 239 11 541 544 146 4 525 13 237 340 tLUCGELPUMPE FUER SERVOLENKUNG RE EW EX JH 0X KT 2H FLUEGELPUMPE KEILRIEMENSCHEIBE KEILRIEMENSCHEIBE 15 M 009 000 KEILRIEMENSCHEIBE F 15 M 009 001 Z lIN0ERSCHm U8E MIT INKkN ECHSKANTKOPF MITVERWENOCN FEDERSCHEYae KEILRIEMEN KEILRIEMEN F fWl 009 000 KEILRIEMEN F 15 M 009 0011 HALTER FUER FLUEGELPUMPE BUEOEL FUER FLUEGELPUMPE SECHSKANTSCHRAUef SECHSKANTSCHRAUBE FEOERSCHEIBE SCHEIBE BUEGEL FUER FLUEGELPUMPE SCHEIBE SECHSKANTSCHRAUBE SECHSKANTSCHRAUBE SECHSKANTMUTTER SELBSTSICHERND SECHSKANTSCHRAUBE SECHSKANTgCHRAUGE IKOMBI I SECHSKANTSCHRAUBE gCHRAUBE STOETZE SECHSKANTMUTTER SELBSTSiCHERND SCHEIBE SECHSKANTSCHRAUBE SECHSKANTSCHRAUBE M8X12 N 012 229 A8XI5X0 5 9 5X730 9 5X730 9 5X630MM VWN M8X105 M8X3S P8X15X0 8 A8 4 HINTEN 8 4X20X2 5 P8X85 M8X45 VM8 M8X140 M6X25Z3 M8X18 YM8 A8 4 M8X55 M8X40 KLIMAANLAGE EW EX JH 2H OX KLIMAANLAGE EW EX JH 2H DX KLIMAANLAGE EW EX JH 2H DX KLIMAANLAGE EW EX JH 2 DX HAWTGRUPPE 1 MOTOR 54 30 0 M 08


Vorschau Golf Cabrio  Mod. 84-93 Seite 265