Golf Cabrio Mod. 84-93 Seite 267

Hinweis: Dies ist eine maschinenlesbare No-Flash Ansicht.
Klicken Sie hier um zur Online-Version zu gelangen.

Inhalt

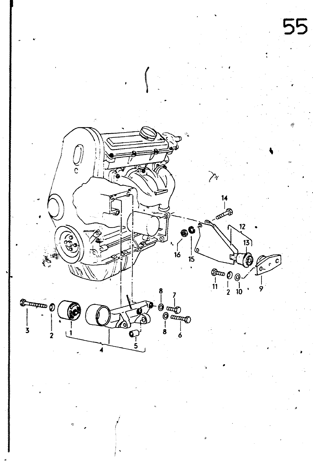
55 2 10 9 ßoznn I HAUPTGRUPPE 1 MOTOR BILD ERSATZTEILE NR BENENNUNG 1 1A 2 3 4 5 6 171 8 9 10 11 12 3 14 15 16 171 199 171 199 N oiq 036 199 052 903 N 010 090 011 171 199 III 857 N 01p 17 JTi 171 199 N Ölt N 012 N 011 214 J 125 169 472 4 181 147 455 3 314 1 527 8 3f9 m 707 254 14 329 G 339 460 2 011 3 010 11 BEFESTIGUWGSTEILE FUER MOTOR F 15 G 035 000 BEMERKUNG 1 3LTR GUMMIMETALL LAGER ANSCHL GSCHEIBE TELLERFEOER SECHSKANTSCHRAUBE MOTORTRAEGER BUCHSE SECHSKANTSCHRAUeE SECHSKANTSCHRAUBE IKOMBI I SCHEIBE FLANSCH SCHEIBE SECHSKANTSCHRAbBE STUETZE ANSCHLAGPUFFER SECHSKANTSCHRAUBE FEOERRING SECHSKANTMUTTER r ST 50X6 M10X85 MI0X55 M10X38Z1 A10 5X21X2 ii sxaf MIOXZS Ml 0X60 A10 MIO 55 D 11 096


Vorschau Golf Cabrio  Mod. 84-93 Seite 267