Golf Cabrio Mod. 84-93 Seite 290

Hinweis: Dies ist eine maschinenlesbare No-Flash Ansicht.
Klicken Sie hier um zur Online-Version zu gelangen.

Inhalt

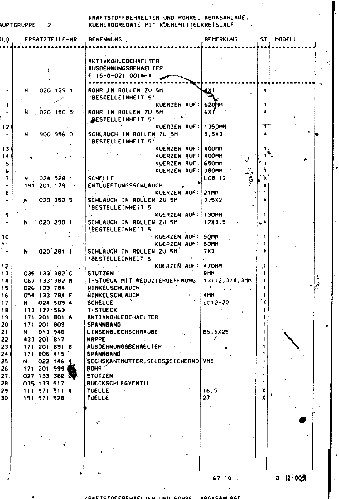
VO0 15 84 3 83 67 10 5 7 30 i 23 28 M 29 18 2 I L dß 8 I 5 7 10 c 29 7 17 X 26 22 MOOIS Z M HAUPTGRUPPE 2 KRAFTSTOFFBEHAELTER UNO ROHRE ABGASANLAGE KUEHLAGGREGATE MIT KtEHLMITTELKREISLAUf BILD ERSATZTEILE NR BENENNUNG 121 131 141 5 6 7 10 11 12 13 14 15 16 17 E 19 20 21 22 1231 1241 25 26 27 28 29 30 N 020 139 1 N 020 150 5 N 900 996 01 N 024 528 1 191 201 179 N 020 353 5 N 020 250 1 020 281 1 035 133 067 133 026 133 054 133 N 024 113 127 171 201 171 201 N 643 433 oi 171 201 nuM N 022 171 201 027 133 03 133 III 971 191 971 382 C 382 M 784 784 F 509 4 563 801 A 809 948 1 817 891 B 415 146 555 3 2 517 Sit A 928 BEMERKUNG AKTIVKOHLEBEHAELTER AUSOEHNUNGSBEHAELTER F 15 G 021 001 ROHR JN ROLLEN ZU 5M BESIELLEINHEIT 5 KUCRZEN AUF ROHR IN ROLLEN ZU 5M BESTELLEINHEIT 5 KUERZEN AUf SCHLAUCH IN ROLLEN ZU 5M BESTELLEINHEIT 5 KUERZEN AUF KUEMZEN AUF KUERZEN AUF KUERZEN 0r SCHELLE ENTLUEFTUNGSSCWLAUCH KUERZEN AUF SCHLAUCH IN ROLLEN ZU 5M BESTELLEINHEIT 5 KUERZEN AUF SCHLAUCH IN ROLLEN ZU 5M BESTELLEINHEIT 5 KUERZEN AUF KUERZEN AUF SCHLAUCH IN ROLLEN ZU 5M ESYCLLEINHEIT 5 KUERZE AUF STUTZEN T STUECK MIT REOUZIEROEFFNUNG WIMKtLSCHLmuCH WINKELSCHLAUCH SCHELLE T STUECK AKTIVKOHLEBEHAELTER SPANNBANO LINSENBLECHSCHRAUBE KAPPE AUSOEHNUNGSBEHAELTER SPANNBANO SECHSKANTMUTTER SELBSfSICHERND ROHR STUTZEN RUECKSCHLAGVENTIL TUELLE TÜELLE 62 6X f 1350MM 5 5X3 400MM 400MM 650MM 3mOMM LC8 12 21MM 3 5X2 130MM 12X3 5 5yiM 50MM 7X3 470MM 8MM 13 12 3 8 3MM 4MM LC12 22 85 5X25 VM8 16 5 27 ST MODELL 67 10 D fTiRa KRAFTST0FF8EHAELTER UNO ROHRE AGGASANLAGE


Vorschau Golf Cabrio  Mod. 84-93 Seite 290