Golf Cabrio Mod. 84-93 Seite 306

Hinweis: Dies ist eine maschinenlesbare No-Flash Ansicht.
Klicken Sie hier um zur Online-Version zu gelangen.

Inhalt

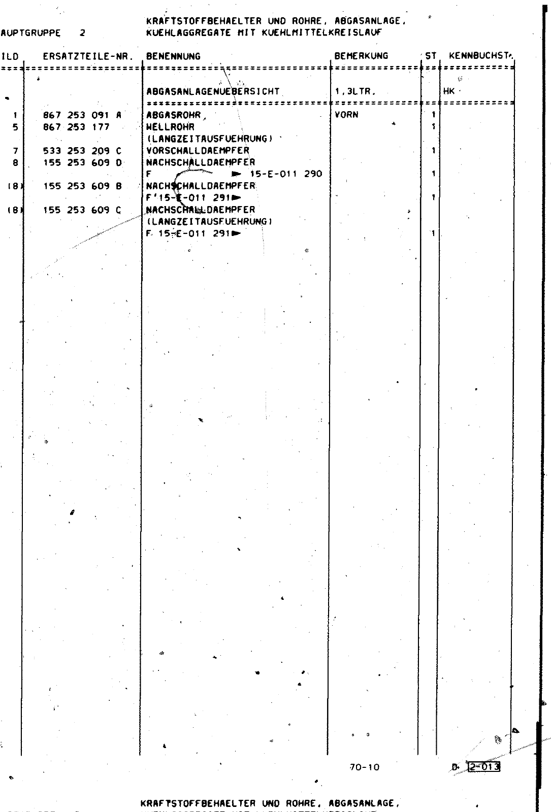
70 10 i MMKO 15 84 2 8 IKKO 53 84 2 41 PKM 17 82 HAUPTGRUPPE 2 BILD ERSATZTEILE NR BENENNUNG KRAFTSTOFFBEHAELTER UNO ROHRE AgGASANLAGE kuEHLAGGREGATE MIT KUEHLMITTELKREISLAUF BEMERKUNG ST KENNBUCHST 867 253 091 A 867 253 177 533 253 209 C 155 253 609 0 155 253 609 B 155 253 09 C r ABGASANLAGENUE8ERSICHT 1 3LTR HK ABGASROHR WELLROHR ILANGZEITAUSFUEHRUNGI VORSCHALLOAEMPFER NACHSCHäLLOAEMPFER F i5 E 011 290 N CH CH LLO EMPFE F lsAq OII 291 jlACHSCh kLO EMPFER ILANGZEITAUSFUEHRUNGI F 15f 011 291 VORN 70 10 KRAFTSTOFFBEHAELTER UNO ROHRE ABGASANLAGE


Vorschau Golf Cabrio  Mod. 84-93 Seite 306