Golf Cabrio Mod. 84-93 Seite 318

Hinweis: Dies ist eine maschinenlesbare No-Flash Ansicht.
Klicken Sie hier um zur Online-Version zu gelangen.

Inhalt

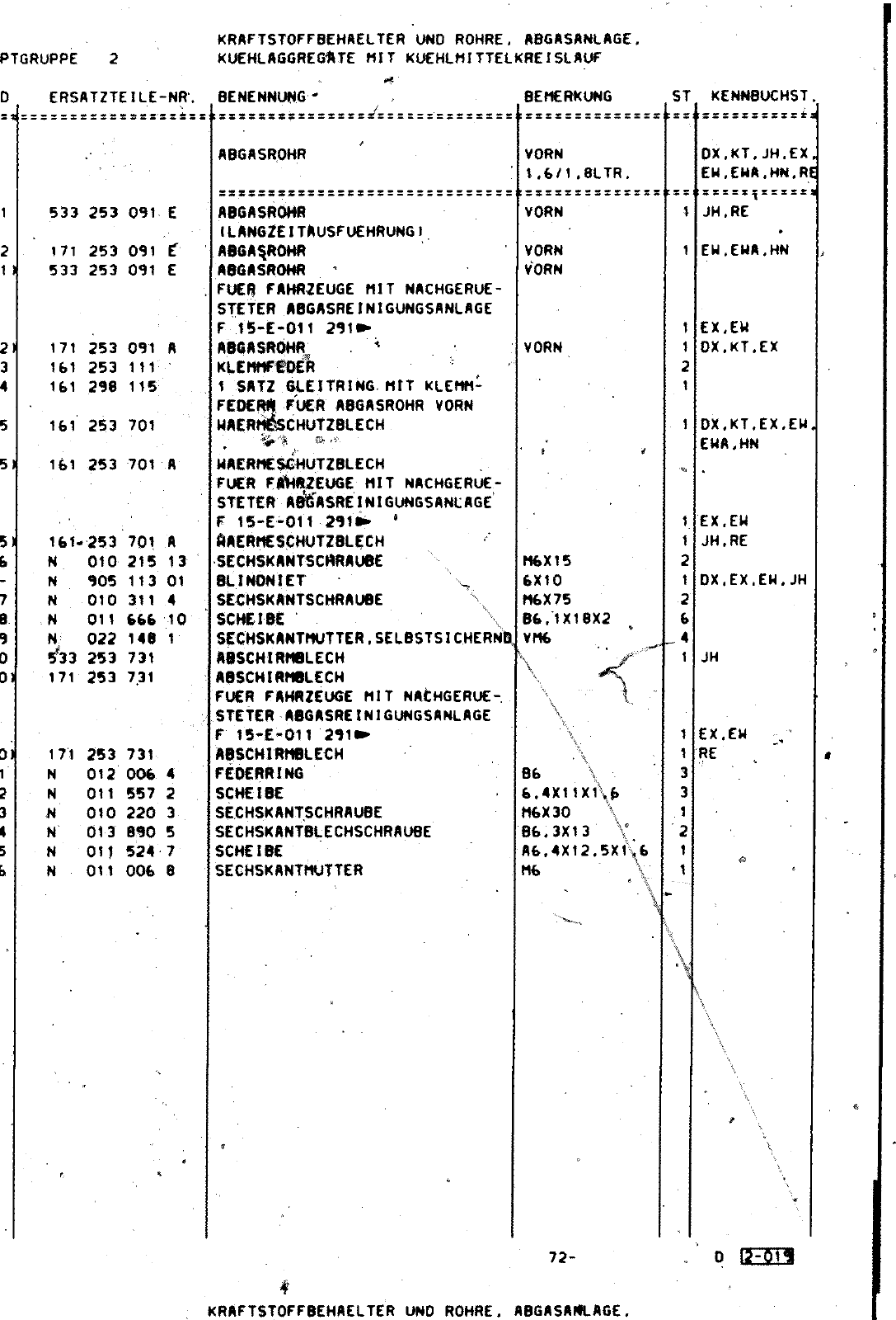
16 H 15 r 12 11 3k n w 14 13 10 72 HAUPTORUPPE 2 KRAFTSTOFFBEHAELTER UNO ROHRE 8GAS NLAGE KUEHLAGGREß TE MIT KUEHLMITTELKREISIAUF BILD ERSATZTEILE NR BENENNUNG ABGASROHR 2 11 I 121 3 4 5 151 151 6 7 8 9 10 1101 1101 11 12 13 14 15 16 533 253 091 E 171 253 091 f 533 253 091 E 171 253 091 A 161 253 III 161 298 115 161 253 701 161 253 701 A 1 1 253 701 N 010 215 13 905 113 01 010 311 011 666 022 148 1 253 731 2 3 731 N N N 171 4 10 171 N N W N N N 253 731 012 006 4 011 557 2 010 220 3 013 890 5 01 524 7 011 006 8 ABGASROMR ILANGZEITAUSFUEHRUNGI ABGASROHR ABGASROMR FUER FAHRZEUGE MIT NACHGERUE STETER ABGASREINIGUNGSANLAGE F I5 E 011 291 miwmsmdHK KLCMMMmßR 1 SATZ GLEITRING MIT KLEMM FEDERN FUER ABGASROHR VORN WAEMMBSCHUTZBLECH WAERMESCHUTZBLECH FUER FgWRZEUGE MIT NACHGERUC STETER ABCASREINIGUNGSANLAGE F 15 E 011 291 ßAERMESCHUTZBLECH SECHSKANTSCHRAUBE SECHSKANTSCHRAUBE SCMCI E CCMSKAWTMUTTCm SELBSTSICHERd CHI M LCCH ABSCHIRMBLECH FUER FAHRZEUGE MIT NAtHGERUE STETER ABGASREINIGUNGSANLAGE F 15 E 011 291 ABSCHIRMBLECH FEOERRING SCHEIBE SECHSKANTSCHRAUBE SECHSKANTBLECHSCHRAUBE SCHEIBE SECHSKANTMUTTER BEMERKUNG VORN t 6 1 8LTR VORN VORN fORN VORN M X15 6X10 M X75 B6 1X18X2 VM6 i B6 X11Xl t M6X30 B 3X13 A6 4X12 5X1 M ST KENNBUCHST OX KT JH EX EW EWA HN M JH RE EW EWA HN EX EW OX KT EX OX KT EX EW EWA HN EX EW JH HE DX EX EW JH JH EX EW RE 72 KRAFTSTOFFBEHAELTER UND ROHRE ABGASANLAGE 0 12 019


Vorschau Golf Cabrio  Mod. 84-93 Seite 318