Golf Cabrio Mod. 84-93 Seite 319

Hinweis: Dies ist eine maschinenlesbare No-Flash Ansicht.
Klicken Sie hier um zur Online-Version zu gelangen.

Inhalt

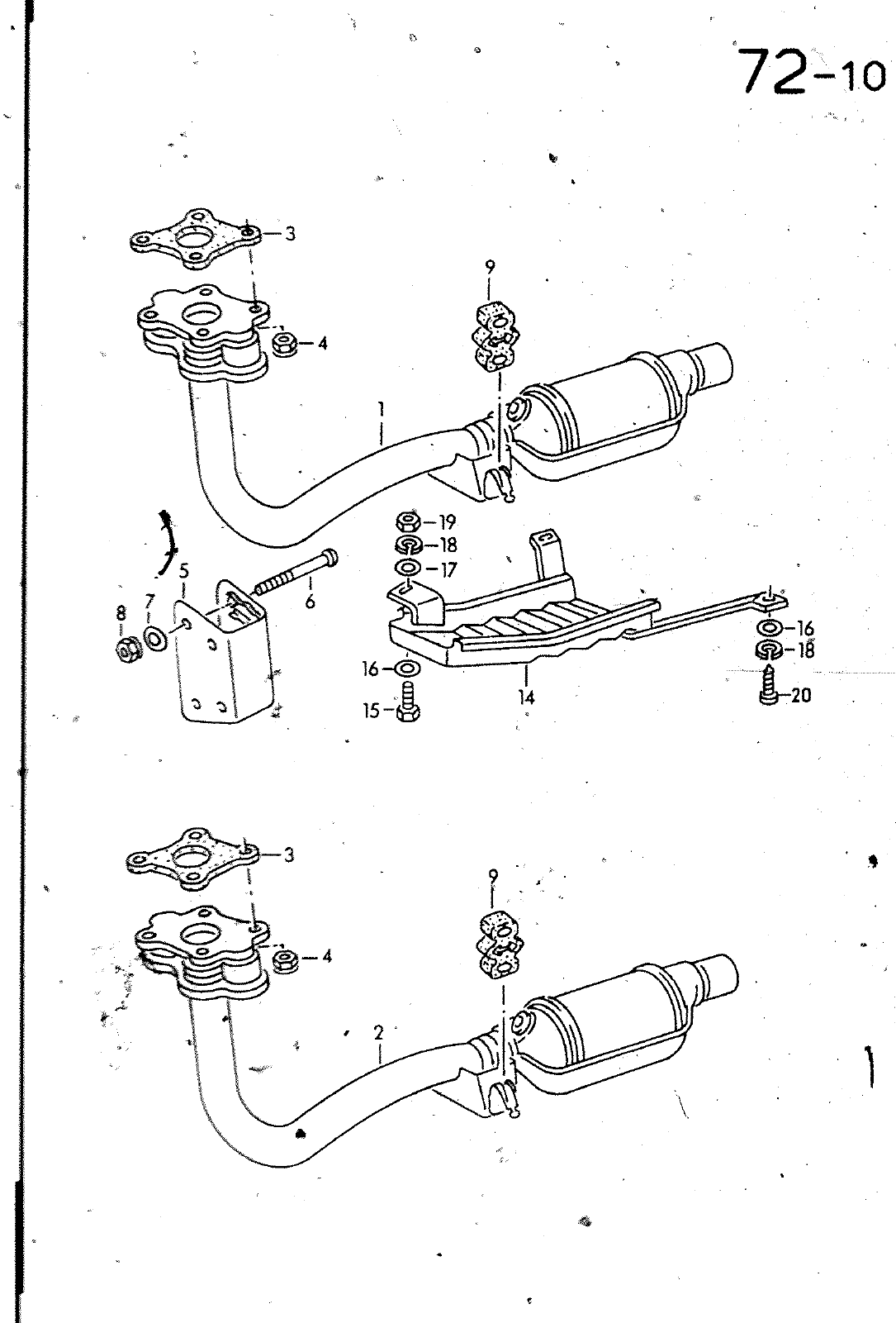
I 72 0 T9 18 17 16 16 20 HAUPTGRUPPE 2 SILO ERSATZTEILE NR BENENNUNG ABGASmOHR KATALYSATOR KRAFTST0FF8EHAELTER UNO ROHRE A8GASA LAGI KUCHLAGGREGATE MIT KUEHLMITTELKR ISLAUF 3 4 5 6 7 8 9 14 15 IG 17 18 T9 20 155 253 208 155 253 208 X 1155 253 208 VI 155 253 208 B I 155 253 208 BX 1155 253 208 BVI 155 253 N 900 155 253 N 1 N 011 N 022 in M3 5 3 253 N 010 011 011 012 011 013 115 876 02 701 168 01 666 10 148 147 731 2gO 557 524 OOt 1 006 8 977 1 ABGASROHR MIT KATALYSATOR ILANGZEITAUSFUEHRUNGI BGASROHR MIT KATALYSATOR llANIIZEITAUSFUCHmuNGl ABGASROHR MIT KATALYSATOR ILANGZEITAUSFUEHRUNGI ABGASROHR MIT KATALYSATOR ILAN ZElTAUSFUEHmUNGt DICHTUNG SECHSKANTMUTTER SELBSTSICHERNO WAERMESCHUTZBLECH FLACHRUMOSCHRAUGE SCHEIBE SECHSKANTMUTTER SELBSTSICHERNO HALTERING ABSCHIRMBLECH SECHSKANTSCHRAUBE MMU SCHEIBE FEOERRING SECHSKANTMUTTER MNSENBLECHSCHRAUBE BEMERKUNG ST VORN 1 8LTR VORN VORN VORN vaRR M10 STOVER M6X75 86 1X18X2 VM6 M6X30 6 4X11X1 6 A6 4X12 5X1 6 B M6 6 3X16 72 10 D inaq KRAFTST0FF8EHAELTER UND ROHRE ABGASANLAGE


Vorschau Golf Cabrio  Mod. 84-93 Seite 319