Golf Cabrio Mod. 84-93 Seite 329

Hinweis: Dies ist eine maschinenlesbare No-Flash Ansicht.
Klicken Sie hier um zur Online-Version zu gelangen.

Inhalt

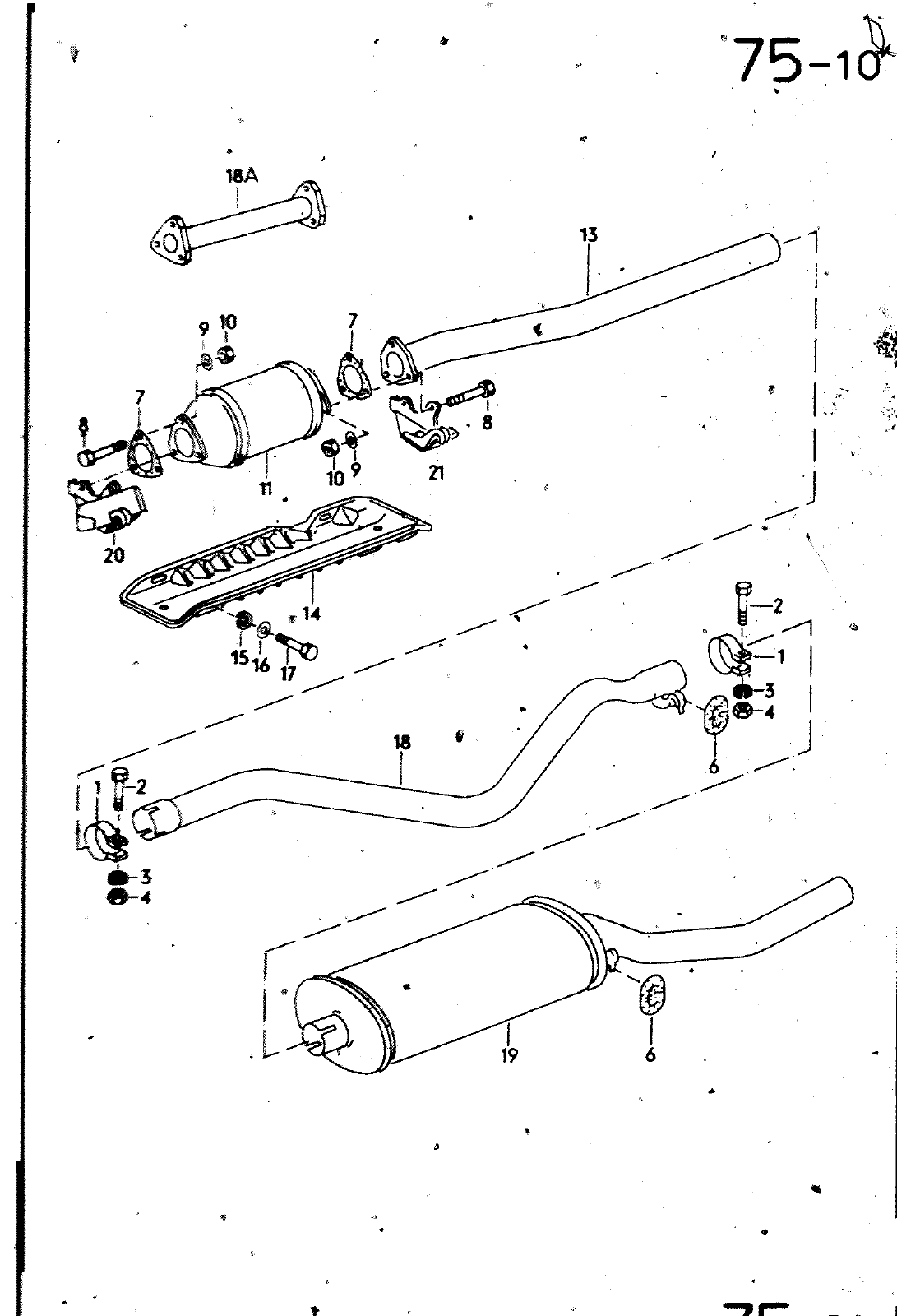
1 A HAÜPTGRUPPE KR FTSTOFFBEH ELTER UNO ROHRE BG S NL GE KUEHl GGREG TE MIT KUEHLMITTELKREISLAUF BILD 1 2 3 4 16 8 9 10 1 I II A3 14 15 16 17 1171 18 18 19 20 ERS TZTE LE NR BENENNUNG K T LYS TOm ZWISCHENROHR NACHSCHALLOAEMPFER 871 253 W3 N 040 262 2 N 012 038 8 N 011 00 8 171 353 147 823 f53 147 025 251 509 A N 010 244 16 N 011 525 43 803 253 III 191 13f 701 I 191 131 701 1191 131 70 533 253 21 533 25j 2 N 012t0d N 011 6 N 010 2 N 010 21 533 253 30 055 253 4Ci 171 253 6f9 A 171 y 9 810 253 453 5 13 ä MERKUNG 1 8LTR 15 E 0f1 302 SCHELLE SECHSKANTSCHkAU E FEDERRING t SECHSKANTMUTTER HALTERING HALTERING DICHTUNG SECHSKANTSCHRAUBE SCHEIBE SECHSKANTMUTTER KATALYSATOR KATALYSATOR ISCHENRÜHR ABSCHIRMBLECH fEOERRING SCHEIBE SECHSWNTSCHRAUBE SCCHpKANTSCWRAUeE ABGASROHR ZWISCHENROHR NUN FUER FAHRZEUGE ALS ERSATZ FUER DEN KATALYSATOR NACHSCHALLOAEMPFER VERSTAERKPNG FUER ABSCHIRMBLECH VERSTAERKUNG ST KENW8UCHST K JETRONIC JH 48 5MM M8X50 M8 M8X30 A8 4 M8 86 B6 1X18X2 M6X13 MtX15 MITTE HAUPT6RUPPF 2 75 0 KRAFTSTOFFBEHAELTER UNO ROHRE AMASANLAGE KUFHIAGGRFGATF MIT KUFHIMITTFIKRFISiauF 0 inßg


Vorschau Golf Cabrio  Mod. 84-93 Seite 329