Golf Cabrio Mod. 84-93 Seite 391

Hinweis: Dies ist eine maschinenlesbare No-Flash Ansicht.
Klicken Sie hier um zur Online-Version zu gelangen.

Inhalt

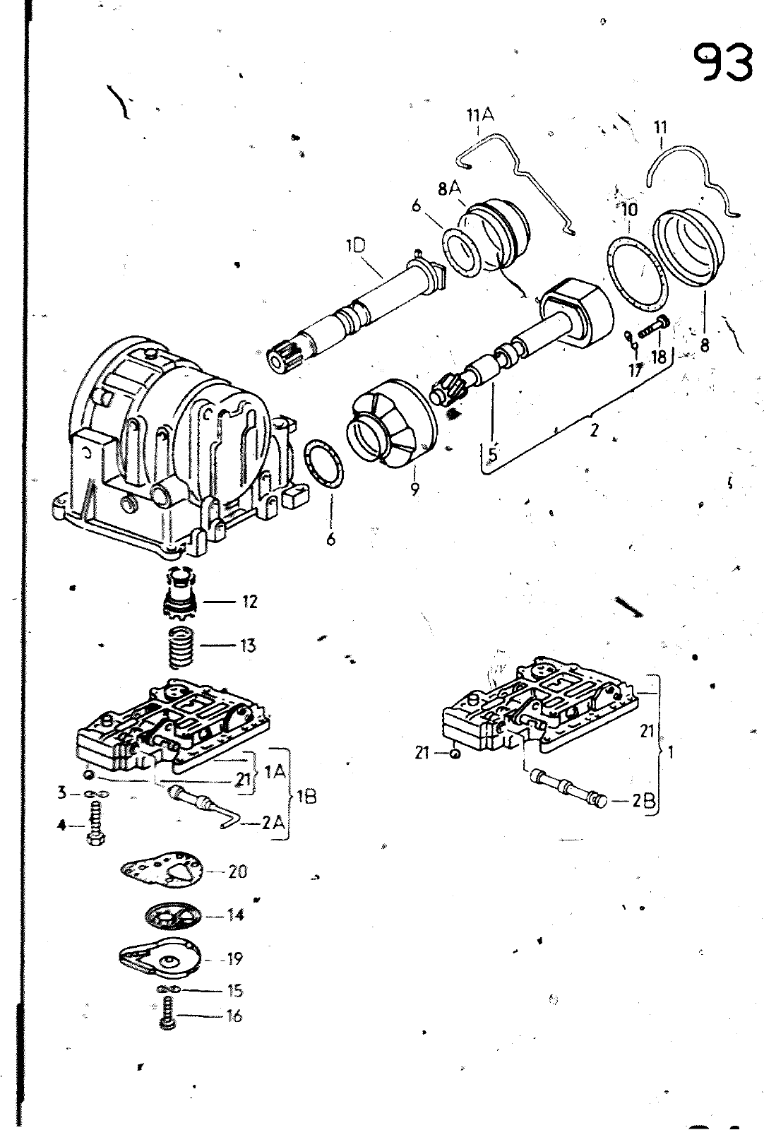
93 HAUPTGRUPPE 3 BILO ERSATZTEILE NR 8A 10 8 18 28 18 118 118 18 10 2 3 4 6 m 11 12 1 14 15 16 19 20 21 GETRIEBE BENENNUNG 010 325 037 010 325 037 0 010 325 037 E 010 25 037 F 010 325 041 E 010 325 N 012 N 010 OM 1 010 25 m0 3M 003 323 Mwaw 010 325 N 012 N 014 010 325 010 325 4 02 010 398 277 22 5 346 7 279 373 B 385 C 4W 417 421 225 131 3 429 443 52 2 009 SCHIEBERKASTEN OELSIEB FUER muTOMATIKGETRlEBE SCHIEBERKASTEN OHNE REGLER KENNeUCHSTABE SCHIEBERKASTEN OHNE REGLER KENNBUCHSTABE SCHIEBERKASTEN OHNE REGLER KENNBUCHSTABE SCHIEBERKÄSTEN OHNE REGLER KENNBÜCHSTABE REGLER KENNBUCHSTABE HANOSCWIEBER FEOERSCHEIBE S CHSKANTSCHRAUeE RVNOOICHTRINO OfCKEL SPANN8UEGEL KOLBEN FUER AKKUMULATOB DRUCKFEDER OELSIEB FEOERSCHEIBE L1MSENSCHR U E DECKEL FUER OELSIEB DICHTUNG FUER OELSIEB KuecL DICHTUWGSSATZ FUER OELSIEB BEMERKUNG FL FLS FG fos A 86 BM6X30 58 6X3 85X11X0 5 ST KENNBUCHST TJA TJO TK TKA TN TNA TNC TK TKA TN TNA TNC TJA TJD 93 6 ircn HAUPTGRUPPE 3 GETRIEBE


Vorschau Golf Cabrio  Mod. 84-93 Seite 391