Golf Cabrio Mod. 84-93 Seite 429

Hinweis: Dies ist eine maschinenlesbare No-Flash Ansicht.
Klicken Sie hier um zur Online-Version zu gelangen.

Inhalt

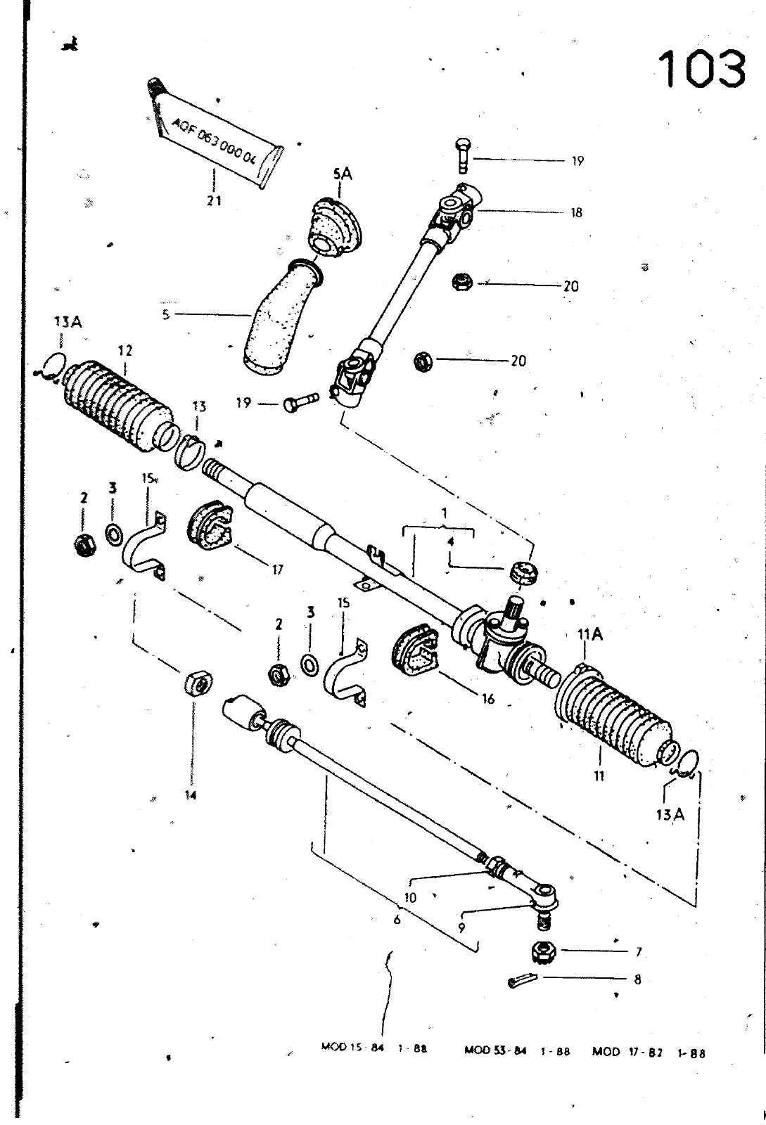
13 19 c 11A 92 13A 103 MO01S M I w MOOn 4 w MOO Z HAUPTGRUPPE 4 VORO R CHSE US0LEICHGETMIE8E LENKUNG BILD ERSATZTEILE NR BENENNUNG BEMERKUNC 1 1 2 3 4 5 15 5 6 7 7 8 9 10 11 lim 12 13 13 14 15 16 17 1 1 1 19 30 21 171 172 N N 171 171 172 171 171 N N N 171 N 151 N 171 823 171 171 171 171 171 171 172 N N moF 419 063 419 04 3 022 146 4 011 525 13 419 325 415 523 419 523 415 5 7 415 804 011 212 2 022 146 4 012 532 1 15 812 011 113 5 415 831 903 550 01 415 32 415 843 419 839 419 55 419 175 419 883 415 4 419 951 C 415 551 010 335 12 022 146 4 0 3 OOO 04 LENKGETAlEBE SPÜmST NGE LENKGETRIEBE LENKGETRIEBE SECHSKANTMUTTER SELBSTSICHERNO SCHEIBE OICHTRrNG SCHUTZHUELLE FUER GELENKWELLE SCHUTZHUCLLE FUES GELENKWELLE DICHTUNG FUCR MANTELROHR SPURSTANGE IVERSTELLBARI KRONENMUTTER SECHSKANTMUTTER SELBSTSICHERND SPLINT SPURStANGENKOPF SECHSKANTMUTTER SCHUTZHUELLE FUER LENKGETRIEBE CML OCHaiNOCR SCHUTZHUELLE FUER LENKGETRIEBE KLEMME FUER SCHUTZHUELLE SPANNRING MUTTER SCHELLE GUMMILAGER UMM LAGER 3 GELENKWELLE aElENKWELLE SECHSKANTSCHRAUBE SECHSKANTMUTTER SELBSTSICHERND LeNkeCTRIEBEFETT i ST MODELL VM8 Ae 4 LLKG RLKG LLKG RLKG M12X1 5 M8 3 2X25 8M14X1 5 LINKS 5X0 8X61 5 RECHTg 47 5 M22 1 5 LINKS RECHTS LLKG RLKG M8X35 VM8 250G 0 14 0161 HAUPTGRUPPE 4 VORDERACHSE AUSGLEICHGETRIEBE LENKUNG


Vorschau Golf Cabrio  Mod. 84-93 Seite 429