Golf Cabrio Mod. 84-93 Seite 475

Hinweis: Dies ist eine maschinenlesbare No-Flash Ansicht.
Klicken Sie hier um zur Online-Version zu gelangen.

Inhalt

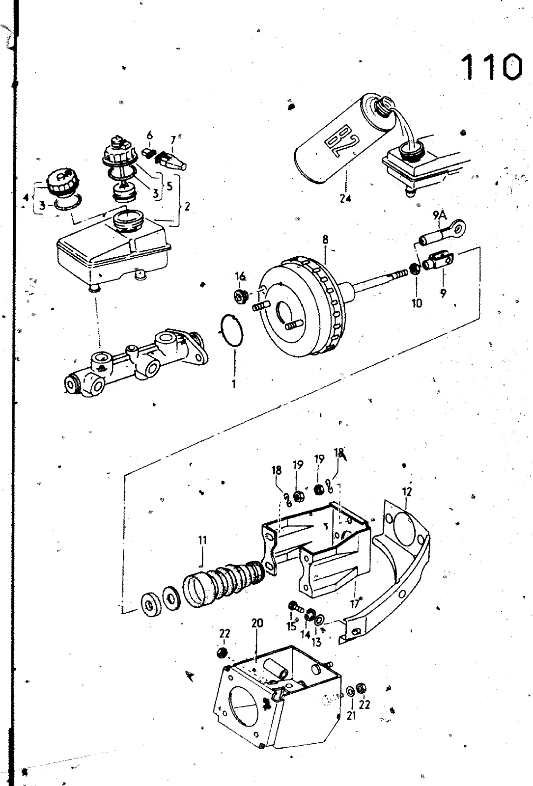
110 W 3 0 o 19 oO 1 20 0 K OM HAUPTGRUPPE 6 BILD ERSATZTEILE 12 151 I 6 7 8 18 184 18 X8 9 9 m 10 M III 12 13 14 15 16 17 RAEDER BREMSEN NR BEN NNUNG 11 243 867 611 301 8 533 611 301 321 611 301 J 357 11 817 893 611 347 894 611 349 357 611 349 443 611 349 443 906 231 447 919 141 8M 612 107 171 flZ lor f g 612 107 155 612 107 172 613 407 N MO 125 01 172 721 2T5 520 721 229 N 011 134 171 612 IM 155 6 2 161 171 03 109 N 011 558 N 012 o3a N 010 37 861 612 175 171 612 205 171 612 217 BREMSKRAFTVERSTAERKER AUGGLEICHBEHAELTEH OlCHTUNG ZWISCHEN BREMSKRAFTfERSTAERKER UNO TAN0 M HAÜPT8REMSZYLIN0E AUSGLElCWBEHAELiER r 15 E 011 290 AUSGLEICHBEHAELTER F ia E 011 291 AUSGLEICHBEHAELTER STOPFEN OICWTRING I VERSCHLWSSOECKEL FUEK FAHRZEUGE MIT BREMSKONTROLLEUCHTE F 15 E 011 290 VERSCHLUSSOECKgL FUER FAHRZEUGE MIT BREMSKONTROllEUCHTE F 15 E 011 291 VERSCNlUSSOEtKEL FUER US01E CHMH ELTER FUER FAHRZEU MIT MEMSKOMTHOllEUCHTE Fl fH TECKHUClSEi GEHAEUSE SCMUTZKAPPE BREMSKRAFTVERSTAERKER f 15 E 011 290 BREMSKRAFTVERSTAERKER F 15 E 01f 290 WEMSKRUFTVERSTAERKER F 15 E 011 291 15 L 015 000 BREMSKRAFTVERSTAERKER F 15 L 615 001 BREMSKRAFTVERSTAERKER 8ABELK0PF ameELKOPF SREMSORUCKSTANGENKOPF FUER FAHRZEUGE MIT SERVOLENKUNG SECHSKANTMUTTER SCHUfZHUELLE F 15 E 011 290 SCHUTZHUELLE F 15 E 01T 291 STUETZE SCHEIBE FEDERRING SECHSKANTSCHRAUBE OlCHTUNG LAGERBOCK FUER BREMSKRAFTVERSTAERgER FEDERSCHEIBE BEMERKUNG ST MODELL 12 22 56 5MM 60MM 2 POLIG 7 178 MM 9 9 9 X176 y 8 G10X31 MIO LLKG LLKG RLKG LLKG LLKG RLKG LLKG ATE LLKG FAG LLKG LLKG ATE RLKG LLKG RLKG LLKG LLKG 8 4X15X1 6 8 M8X12 LLKG 1 X8 4X2 1 3LTR MOTOR 1 6 1 8 L MOTOR 6 1 8 L MOTOR 0 16 01


Vorschau Golf Cabrio  Mod. 84-93 Seite 475