Golf Cabrio Mod. 84-93 Seite 488

Hinweis: Dies ist eine maschinenlesbare No-Flash Ansicht.
Klicken Sie hier um zur Online-Version zu gelangen.

Inhalt

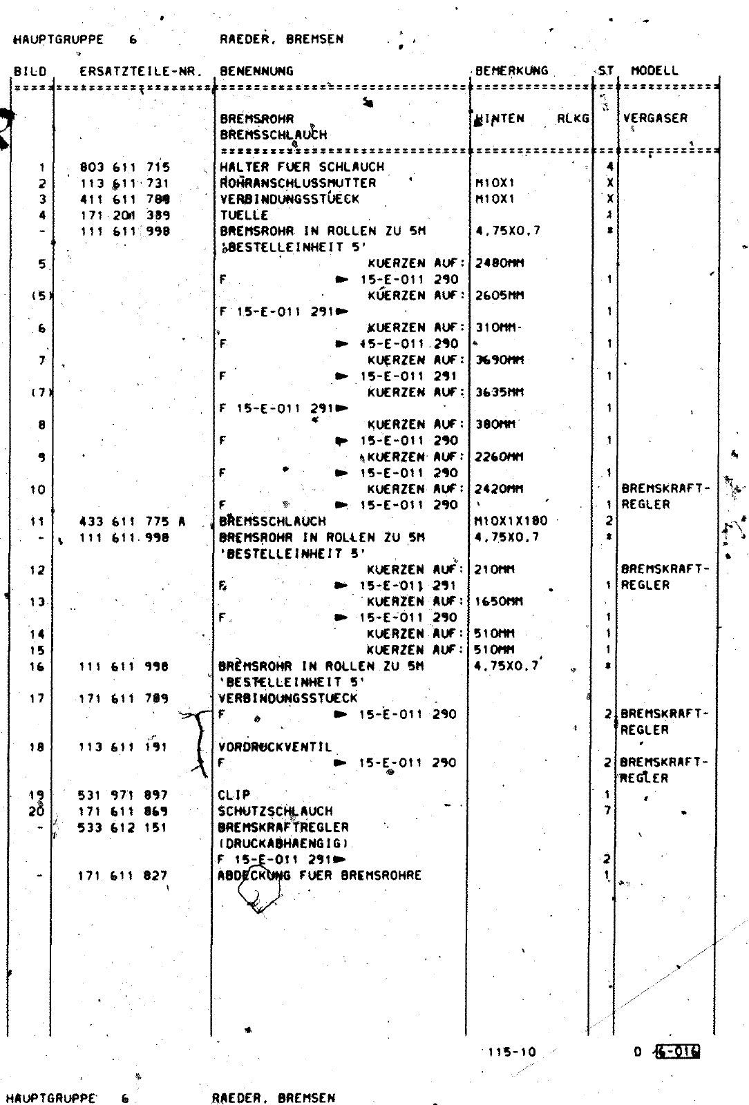
6 HAUPTGRUPPE 6 RAEDER BREMSEN BILD 17 18 ER5 TZTE1LE NR BENENNUNG 803 611 715 113 11 731 411 611 79 171 20d 309 III 611 998 5 15 6 7 17 8 9 10 11 433 611 775 I III 11 M 12 1 3 14 1 16 III I1 99 171 I1 7 9 113 I1 191 531 971 897 171 1t k9 533 ia 151 171 611 7 BEMERKUNG BREMSROHR BAEMSSCHLAUtH F 15 E 011 291 F 15 E 011 2911 HALTEN FUER SCHLAUCH NOARANSCHLUSSMUTTER VERBINDUNGSSTÜEGK TUELLE BREMSROHR IN ROLLEN ZU 5M kBESTELLElNHEIT 5 KUEHZEN AUF F 15 E 011 290 KUERZEN AUF KUERZEN AUF 45 E 011 290 KUERZEN AUF 15 E 011 291 KUERZEN AUF KUERZEN AUF F 15 6 011 290 KUE ZEN AUF F 15 E 011 290 KUERZEN AUF F 15 E 011 290 BAEMSSCHLAUCH BREMSROHR IN ROLLEN ZU 5M C TELLEINHEIT 5 KUERZEN AUF K 15 E 01 291 KUERZEN AUF F 15 E Ö11 290 KUERZEN AUF KUERZEN AUF tM ROHR IN ROLLEN ZU 5M E ELLEIMMEIT 5 VERBINOUhKSSTUECK F 15 E 011 290 VORONMCKVEMTIL 15 E 011 290 CLIP SCHVTZSCHkAUCH mREM KRAFYREGLER I DRUCKAäHAENOlOI F 15 E 011 291 ABOdCKÜNG FUER BREMSROHRE V gipTEN RLKG M10X1 M10X1 4 75X0 7 24eOMM 260SMM 310MM 3 90MM 3635MM 3eOMM 2260MM 2420MM M10X1X180 4 75X0 7 210MM 1 50MM 510MM 510MM 4 75X0 7 ST MODELL VERGASER BREMSKRAFT REGLER BREMSKRAFT REGLER BREMSKRAFT REGLER BREMSKRAFT REdlER HAUPTGRUPPE RAEDER BREMSEN 115 10 0 46 0161


Vorschau Golf Cabrio  Mod. 84-93 Seite 488