Golf Cabrio Mod. 84-93 Seite 490

Hinweis: Dies ist eine maschinenlesbare No-Flash Ansicht.
Klicken Sie hier um zur Online-Version zu gelangen.

Inhalt

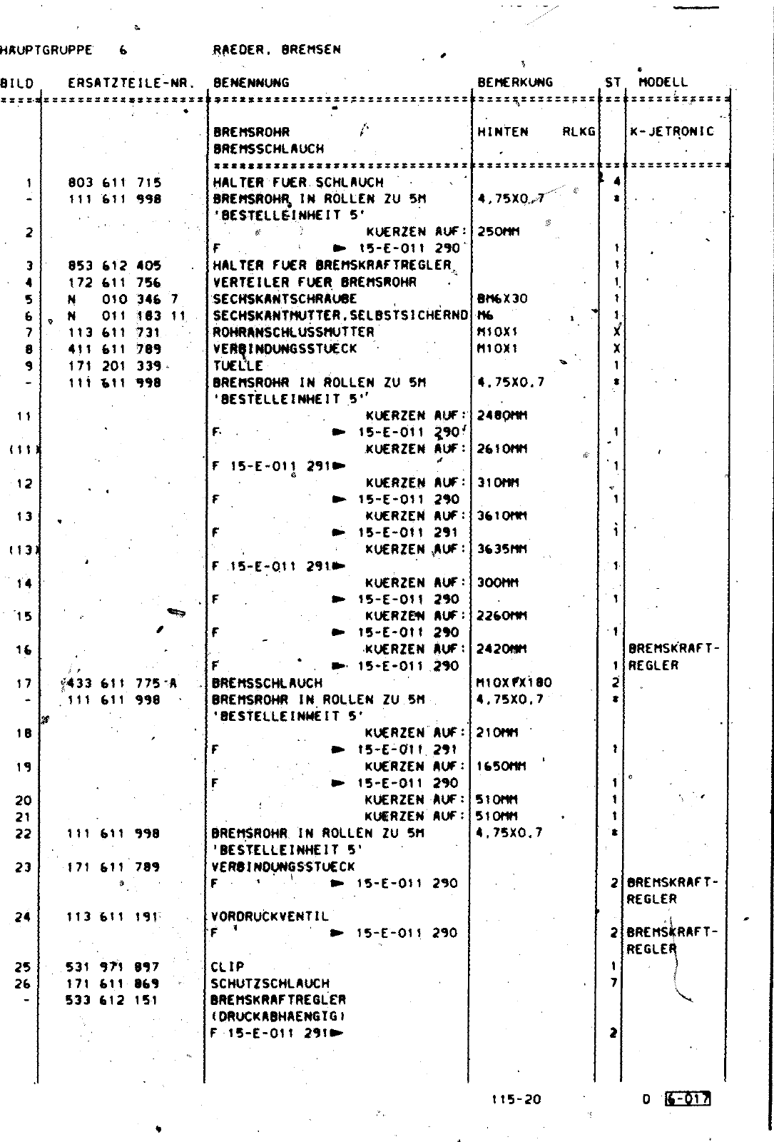
1T5 20 I Z2 HAUPTORUPPC WEDER BREMSEN 8IL0 ERSATZTEILE NR BENENNUNG 11 111 12 13 1131 1 15 16 1 7 18 19 20 21 22 23 24 25 26 803 11 111 61I 53 612 172 611 N 010 N 011 113 611 411 611 171 2W Iii 611 715 998 405 756 9 7 1 3 11 731 789 335 t5 f433 611 III 611 775 99 III 611 171 611 998 789 113 611 191 531 97i 97 171 611 69 533 612 151 BREMSROHR 8REM6SCHL UCH HALTER FUER SCHLAUCH BREMSROH IN ROLLEN ZU 5M BESTELLGINHEIT 5 KUCRZEN Auf F 15 E 011 290 HALTER FUER BREMGKRAFTREGLER VERTEILER FUER BREMSROHR SECMSKANTSCHRAueE SECHSKANTMUTTER SELBSTSICHERNO ROHRANSCHIUSSMUTTER VEMaiNOUNGSSTUECK TUCLIC BREMSROHN IN ROLLEN ZU 5M OCSTELLEINHEIT 5 KUERZEN AUF F 15 E 011 90 KUERZEN AUF F 15 E 011 291 KUERZEN UF F 15 E 011 290 KUERZEN AUF F 15 E 011 291 KUERZEN UF KUERZEN AUF F 15 E 011 290 KUERZeW AUF F 15 E Oll 290 KUERZEN AUF F 15 E 011 290 BMEMS CHLAUCH BREMSROHR IN ROLLEN ZU 5M BESTELLEINWEIT 5 KUERZEN AUF F 15 E Q11 291 KUCRZEN AUF F 15 E 011 290 KUERZEN AUF KUERZEN AUF BREMSROHR IN ROLLEN ZU 5M BESTELLEINMEIT 5 VERBINOUNGSSTUECK F 15 E 011 290 F I5 E QI1 291 VORDRUCKVENTIL F CUP SCHUTISCHLAUCH BREMSKRAFTREGLER lORUCKABHAENCIOl F 15 E 011 291 15 E 011 290 BEMERKUNG ST MODELL HINTEN RLKG 4 75XQVr 250MM BM6X30 M6 M10X1 M10X1 4 75X0 7 2480MM 2610MM 310MM 3610MM 3635MM 300MM 2260MM 2420 1 MIOXfXiBO 4 75X0 7 210MM 1650MM 510MM 510MM 4 75X0 7 K JETROMIC BREMSKRAFT REGLER BREMSKRAFT REGLER BREMS RAFT REGLE 115 20 0 EE5I3


Vorschau Golf Cabrio  Mod. 84-93 Seite 490