Golf Cabrio Mod. 84-93 Seite 491

Hinweis: Dies ist eine maschinenlesbare No-Flash Ansicht.
Klicken Sie hier um zur Online-Version zu gelangen.

Inhalt

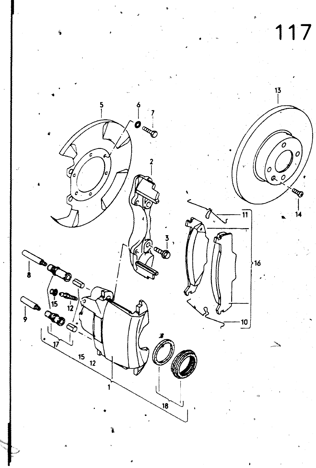
117 13 7 9 r 10 15 1 HAUPTGRUPPE 6 WEDER BREMSEN BILD ERSATZTEILE NR BENENNUNG 10 11 12 13 113 14 14 15 1 17 I 171 171 171 171 1171 171 1171 N 171 N N 171 171 191 1 123 i5 124 B HS 127 M 461 TX 698 461 TVI 698 4 2 X 69 463 r 900 689 02 615 311 015 3 9 1 010 210 7 HS 219 61 219 619 269 A 19f 61S 270 A 113 321 321 N N 211 171 61S 273 615 301 HS 30T C 10t 126 02 Ol4 226 5 11 483 69 493 191 69 151 H 191 171 171 L 69 151 6 69 447 698 471 FAUSTSATTELBREMSE BREMSSCHEIBE BREMSSCHEIBE F 15 E 011 290 BREMSSATTELGEHAEUSE BREMSSATTELGEMAEUSE BREMSTRAEGER 1 SATZ BREMSSATTELGEHAEUSE MIT CM EL C BN lOMNC EMSTR EGERI imS TF EII 1 SATZ BREMSSATTELGEHAeGSE MIT lhEMI EL C CN lOMWE mCM Tq E8ERI IPP CHm UBE M SCHC E CMSK TSCMR U E FUEHMWN 01ZEN M HRUN 01ZEN MWlTCFEGEm WAITEFEOEN CNTLUEFTCmvCNTIL mmcMSScHcf REMSSCHEIBE IBELUEFTETI SENKSCHRAUBE SENKSCHRAUBE STAUBKAPPE ELAGAUFKLEBER FUER g HEieCNBREMSBELAG 1 SATZ BREMSBELAEGE FUER SCH EM MCmSE i E TFmc i 1 SATZ BWEMSBELAEGE FUER SCHEltEMpNEMSE lASBESTFREII 1 SATZ FUEHRUNGSBUCHSEN OlCHTUNGSSATZ FUER BREMSSATTELGEHAEUSE BEftRKUNG ST MODELL VORN 239X12 4 100 239X20 4 100 LINKS RECHTS 239X12 239 20 M10X30 6 4 10X0 7 M6X10K M10X125X63 M10X12SX56 LINKS OBEN RECHTS UNTEN LINKS UNTEN RECHTS OBEN 239X12 4 100 239X20 4 100 M6X15 SP AM X1S 239XI2MM 239X20MM 1 8LTR 1 8LTR 117 0 16 01


Vorschau Golf Cabrio  Mod. 84-93 Seite 491