Golf Cabrio Mod. 84-93 Seite 504

Hinweis: Dies ist eine maschinenlesbare No-Flash Ansicht.
Klicken Sie hier um zur Online-Version zu gelangen.

Inhalt

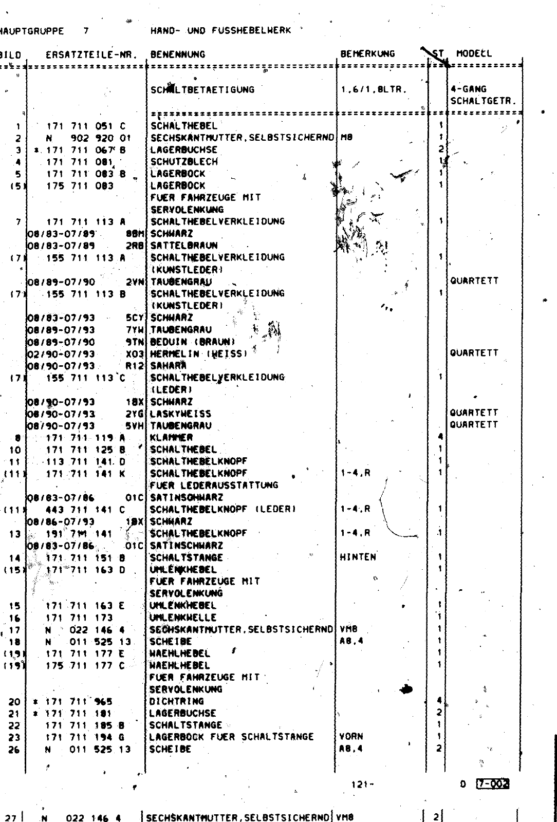
121 13 10 32 0 33 W 51 21 f Ok 52 54 49 34 35 4 K l2s 2W 56 2 36 37 t M g I Czm 23 43 42 14 20 3 Lk 31 tiislP 47 S 26 r TObL 34 60 35 4Ö m 4 19 4 50 45 56 36 59 r 38 r 58 57 39 e 28 54 36 fa 39A k 20 55 21 20 HAUPTGRUPPE 7 H NO UNO FUSSHEBELWERK BILD 7 17 IT 8 10 11 MI III 13 14 IS 15 1t 17 1 i 20 21 22 23 26 ERSATZTEILE NR 171 711 051 C N 902 920 01 171 711 C y 8 171 711 oe 171 711 063 8 175 711 083 171 711 113 A 08 83 07 99 8 08 83 07 89 2R8 155 711 113 08 89 07 90 2VN 155 711 113 B 0 f 3 07 3 08 89 07 93 08 89 07 90 02 90 07 93 08 90 07 93 155 711 113 C o o 07f 3 p 90 07f9 08 90 07 93 171 711 119 171 711 125 113 711 1 1 171 711 141 SCf 7YW 9TN X03 08 83 07 86 443 711 141 08 86 07 93 191 7M 141 08 83 07 86 171 711 151 18X 2Y 5VM A B 0 K 01C f 01 c 8 17t 711 163 0 171 711 163 E 171 711 173 N Ö22 146 4 N 011 25 13 171 711 177 E 175 711 177 C 171 711 965 171 711 181 171 711 185 8 171 711 194 G N 011 525 13 BENENNUNG SCM LTBETAET1GUNG SCHÄLTHEBEL SECHSKANTMUTTER SEL8STSICHERN0 LAGERBÜCHSE SCHUTZBLECH LAGERBOCK LAGERBOCK FUER FAHRZEUGE MIT SERVOLENKUNG SCHALTHEBELVERKLEIOUNG SCHWARZ SATTELBRAUN SCHALTMpBELVERKLEIDUNG IKUNSTLEDERI TAUBENGRAU SCHALTHEBELVERKLEIDUNG IKUNSTLEOERI SCHWANZ T u cN u ml lecwiN i m uwi MCNMELIN IWCiSSI SCHALTHEBELfERKLElOUNG iiEOcmi wmwM l kfwc s TAUBENÜRAU KLAMMER SCHALTHEBEL SCHALTHEBELKWOPF SCHALTHEBELKNOPF FUER LEOERAUSSTATTUNG SATINSOHWARZ SCHALTHEBELKNÖPF ILEOERI KMkAMZ CHPLTHE0ELKNOPF AfiW CMM Z SCWAlfkTAWBC ÜMLg MC CL FUER FAHRZEUGE MIT BEmVOlEMKUW UMLfNKMC Cl IMIEMKNCLLC SSOkSKANTMUTTER SELBSTSICHERNO mi WAEHLMeaEL NAEHLM EL FUER FAHRZEUGE MIT ie V0lENKU 8 OlCHTRING LAGERBUCHSE SCHALTSTANGE LAGERBQGK FUER SCHALTSTANGE iCHEIBE BEMERKUNG 1 6 1 8LTR X T MOOEtL 4 GANG SCHALTGETR 1 4 R 1 4 R 1 4 R HINTEN VM A8 4 VORN AB 4 121 ü QUARTETT QUARTETT QUARTETT QUARTETT 0 EEBB 27 I N 022 146 4 I SECHSKANTMUTTER SELBSTSICHERNo vM8


Vorschau Golf Cabrio  Mod. 84-93 Seite 504