Golf Cabrio Mod. 84-93 Seite 518

Hinweis: Dies ist eine maschinenlesbare No-Flash Ansicht.
Klicken Sie hier um zur Online-Version zu gelangen.

Inhalt

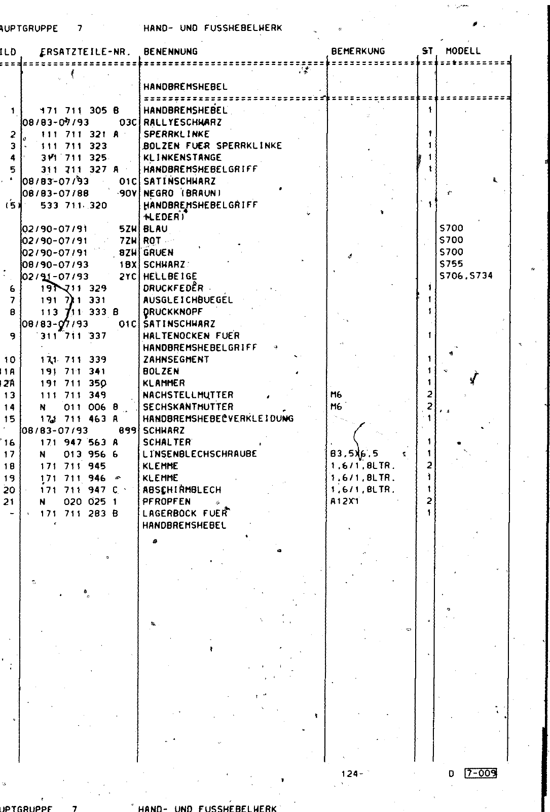
14 IS 19 20 HAUPTGRUPPE 7 HAND UND FUSSHESELWERK BILD fRSATZTEILE NR BENENNUNG 15 10 lim 1 3 16 17 18 19 20 21 171 711 305 b8 83 0 93 m 711 321 III 711 323 3M 711 325 311 711 327 08 83 07 53 ß8 83 07 88 533 711 320 02 90 07 91 02 90 07 91 02 90 07 91 08 90 07 93 02 qj 07 93 19YSJ11 329 191 7 1 331 113 711 333 ß8 83 Q 93 311 7i1 337 IV 711 339 191 711 341 191 711 III 711 N 011 006 17j 711 463 108 83 07 93 171 947 563 N 013 956 171 711 945 171 711 946 171 711 947 N 020 025 171 711 283 03C 01C 90V 7ZW ezw 1BX 2YC 01C 35P 349 8 A 899 A 6 HAN08REMSHE8EL HANOBREMSHEBEL RALLYESCHWARZ SPERRKLINKE BOLZEN FUBR SPERRKLINKE KLINKENSTANGE HANOBHEMSHEBELGRIFF SATINSCHWARZ NEGRO IBRAUNI MÄNOBREMSHEBELGAlFF tlEDER l BLAU ROT ORUEN SCHWARZ HELLBEIGE ORUCKFEOCR AUGGLEICHBUEGEL ORUCKKNOPF SATINSCHWARZ HALTENOCKEN FUER HANOBREMSHEBELGRIFF ZAHNSEGMENT BOLZEN KLAMMER NACHSTELLMUTTER SECHSKANTMUTTER HANOBREMSHEBEgVERKLElOUNC SCHWARZ SCHALTER LINSENBLECHSCHRAUBE KLEMME KLEMME ABS HIAMBLECH PFROPFEN LAGERBOCK FUEf HANOBREMSHEBEL BEMERKUNG 9 MODELL M6 M6 83 5 5 1 6 1iBLTR 1 6 1 8LTR li6 1 8LTR AI 2X1 S700 S700 S700 S755 S706 S734 HAUPTGRUPPE 7 HAND UNO FUSSHEBELWERK 124 0 17 0091


Vorschau Golf Cabrio  Mod. 84-93 Seite 518