Golf Cabrio Mod. 84-93 Seite 527

Hinweis: Dies ist eine maschinenlesbare No-Flash Ansicht.
Klicken Sie hier um zur Online-Version zu gelangen.

Inhalt

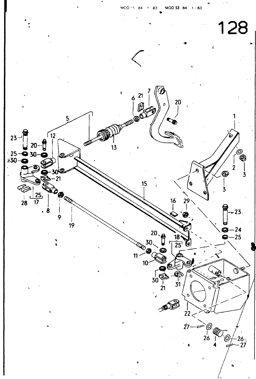
VOD 5 84 1 83 MOO 53 84 1 83 128 H Ü TGRUPPE 7 HAND UND FUßSHEBELWERK 20 20 13 25 O 30 20 23 15 24 25 26 25 27 16 29 28 17 28 8 29 23 e 24 25 19 20 18 30 25 10 30 21 j 22 27 26 26 27 BILD ERSATZTEILE NR BENENNUNG BEMERKUNG 172 N N 172 172 N N N N N N N 172 172 172 172 172 172 N 172 721 132 011 525 13 022 146 4 721 192 721 297 B 011 134 5 900 125 01 90O 065 02 011 118 4 900 06S 01 011 118 11 900 079 01 612 109 B 721 701 721 712 B 721 712 C 721 723 721 725 8 900 470 01 721 731 172 721 737 Il2 172 N N N 172 N 721 741 721 742 012 540 1 902 547 01 022 146 4 721 793 012 328 1 BREMSKRAFTVERSTAERKER EINGAUfEILE LAGERBOCK SCHEIBE SECHSKANTMUTTER SELBSTSICHERNO OREHFEDER BREMSDRUCKSTANGE SECHSKANTMUTTER GABELKOPF GAgEbKOPF SECHSKANTMUTTER GABELKOPF SECHSKANTMUTTER ABELKOPF SCHUTZHUELLE LAGERBOCK HEBEL HEBEL ZUGSTANGE LAGERBOLZEN SICHERUNGSSCHEIBE LAGERBOCK fUER 8REMSKRAFTVERSTAERKER LAGfRACHSE NICHT MEHR LIEFERBAR OlCHTRING ANLAUFSCHEIBE SPLINT SICHERUNGSSCHEIBE SECHSKANTMUTTER SELBSTgICHERND FILZRING SICHERUNGSSCHEIBE ST MODELL RLKG A8 4 VM8 MIO G10X31 G8X32LH M8LH 08X32 BM8 610X32 RECHTS LINKS 476MM 6X0 4 3 2X40 8X0 5 VM8 8 128 D 17 014


Vorschau Golf Cabrio  Mod. 84-93 Seite 527