Golf Cabrio Mod. 84-93 Seite 530

Hinweis: Dies ist eine maschinenlesbare No-Flash Ansicht.
Klicken Sie hier um zur Online-Version zu gelangen.

Inhalt

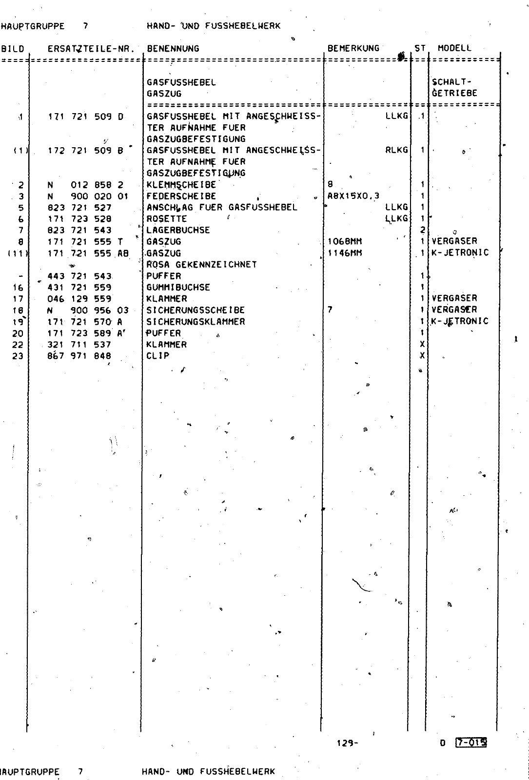
23 9 12 15 I 13 3 2 22 X 20 16 0 129 MODI W 83 MOOM M 1 3 HAUPTGRUPPE 7 BILD ERSATJTEILE NR HAND tWD FUSSHEBELWERK BENENNUNG BEMERKUNG ST MODELL 1 2 3 5 6 7 8 1111 16 17 18 19 20 22 23 171 721 509 0 172 721 509 B N 012 N 900 823 721 171 723 823 721 171 721 171 721 443 721 431 721 046 129 N 900 171 721 171 723 321 711 8 7 971 858 2 020 01 527 528 M3 555 T 555 AB 543 559 559 956 03 570 A 589 A 537 848 GASFUSSHEBEL GASZUG SCHALT GETRIEBE GASFUSSHEBEL MIT ANGESpHWEISS TER AUFkAHME FUER GASZUGBEFESTIGUNG GASFUSSHEBEL MIT ANGESCHWE äS TER AUFNAHME FUER GASZUGBEFESTIGPNG KLEMMSCHEIBE FEOERSCHEIBE ANSCHLAG FUER GASFUSSHEBEL ROSETTE LAGERBUCHSE GASfUG GASZUG ROSA GEKENNZEICHNET PUFFER GUMMIBUCHSE KLAMMER SICHERUNGSSCHEIBE SICHERUNGSKLAMMER PUFFER KLAMMER CLIP LLKG RLKG 8 A8X1SX0 3 LLKG I LKG 1068MM 1146MM VERGASER K JETRONIC VERGASER VERGASER K JfTRONIC HAUPTGRUPPE 7 HAND UND FUSSHEBELWERK 129 0 rrTM


Vorschau Golf Cabrio  Mod. 84-93 Seite 530