Golf Cabrio Mod. 84-93 Seite 549

Hinweis: Dies ist eine maschinenlesbare No-Flash Ansicht.
Klicken Sie hier um zur Online-Version zu gelangen.

Inhalt

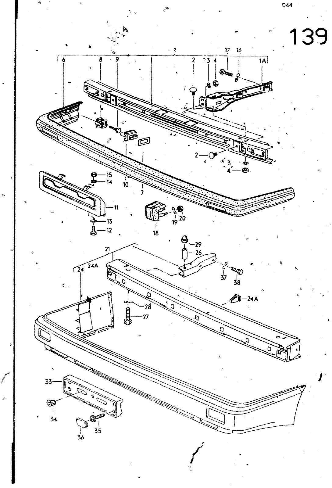
044 17 M iÄI 8 9 2 3 4 9 KZ OP 4 13 24A Z4A T zd 34 139 HAUPTGRUPPE 8 AUFBAU BILO ERSATZTEILE NR BENENNUNG BEMERKUNG ST MODELL 16 16 118 19 20 21 171 807 103 08 83 07 87 171 807 103 A 08 83 12 83 155 807 103 01C 78W 01 84 07 87 171 1 1 3 N N 171 807 113 707 191 011 670 011 008 807 217 G06 8 C 11 08 83 12 83 155 807 217 01 84 07 87 1 1 807 221 08 83 07 87 78W G06 01C 171 171 N 171 171 80 265 807 267 015 945 807 269 807 841 N 010 212 N 011 524 N 012 00t N 011 006 131 821 150 N 010 241 171 955 101 1 B A 14 7 8 15 C STOSSFAENGER F I F f5 J 000 0011 VORN 15 H 040 000 15 J 014 500 S700 f71 955 102 C N 012 226 N 110 STOSSFAENSER S TINSCHW RZ BEI BEDARF IN WAGENFARBE LACKIERE STOSSFAENGER F 15 E 011 290 DUNKELGRAU STOSarmENCER F I5 E 011 291 SCHWARZ CHROM STOSSFAENGERTRAEGER FL CHRUNOSCHR UBE SCHEIBE SECHSKANTMUTTER ABÖECKUMG FUER STOSSFAENGER F 15 E Oii 290 IHMKELCRAÜ ABDECKUNG FUER STOSSFAENGER F 15 E 011 291 SCHÜARZ CHROM ABDECKUNG FUER STOSSFAENGER SATINSCHWARZ BEI BEDARF IN WAGENFARBE LACKIEREN DICHTUNG KLEMMSTUECK SECHSKANTBLECHSCHRAUBE CLIP VERSTAERKUNGSBLECy FUER KENNZEICHEN SECHSKANTSCHRAUBE SCHEIBE FEOERRINÄk SECHSKANTMUTTER FE0ERSCHEI8E SECHSKANTSCHRAUBE DUESENTRAEGER MIT SPRITZDUESE fUER FAHRZEUGE MIT gCHEINWERFERWASCHANLAGE DUESENTRAEGER MIT SPRITZDUESE FUER FAHRZEUGE MIT SCHEINWERFERWASCHANLAGE FEDERSCHEIBE SECHSKANTMUTTER STOSSFAENGER F 15 J 014 501 M8X15 88 4X24X2 M8 A6 5X16 M6X12 A6 4X12 5X1 B6 M6 8 1X22 M8X22 LINKS RECHTS B6 M6 VORN S734 S705 S737 S734 S705 5737 155 807 103 A STOSSFAENGER


Vorschau Golf Cabrio  Mod. 84-93 Seite 549