Golf Cabrio Mod. 84-93 Seite 561

Hinweis: Dies ist eine maschinenlesbare No-Flash Ansicht.
Klicken Sie hier um zur Online-Version zu gelangen.

Inhalt

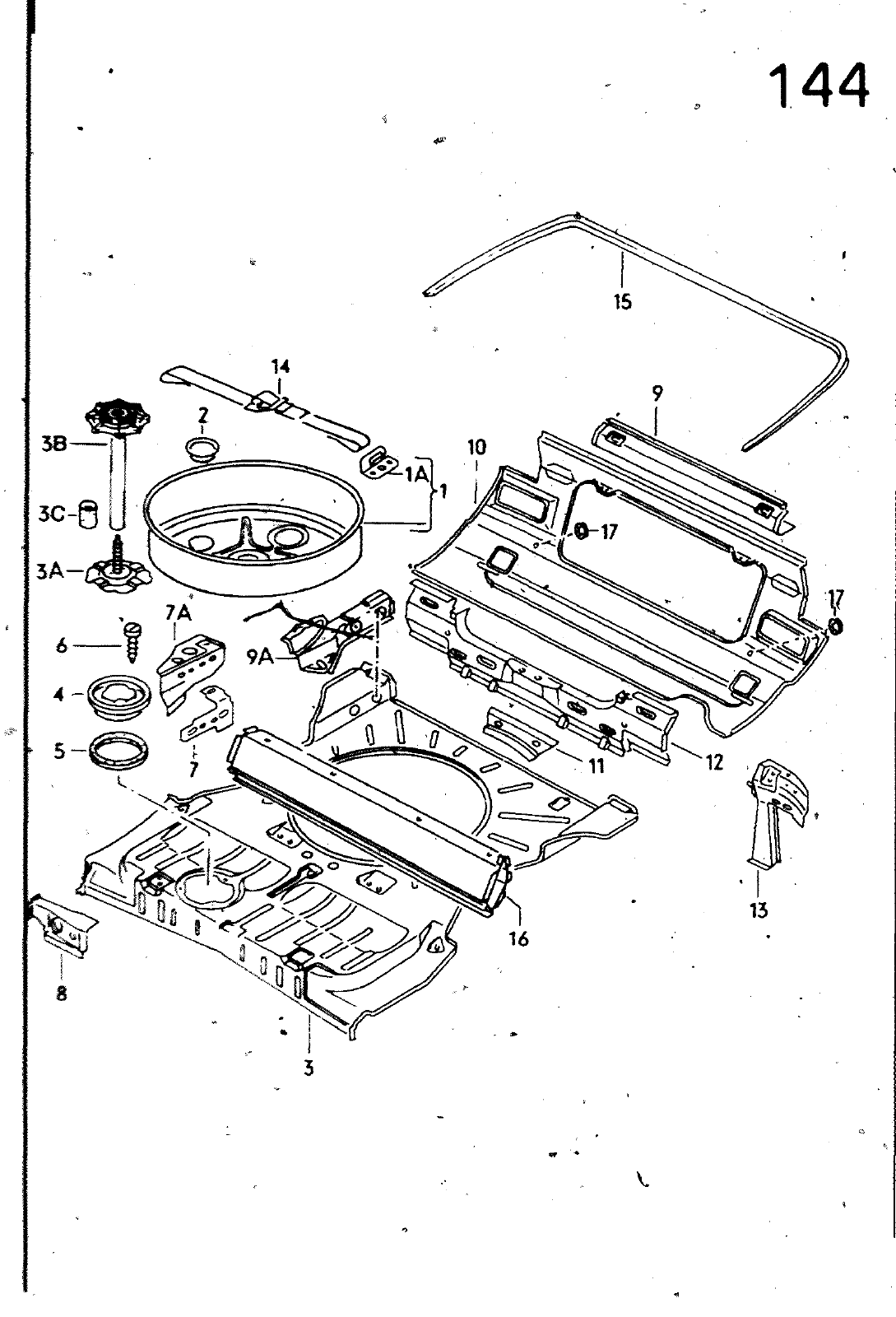
144 58 3C 8 0 17 3A 7A 9A 4 ef O 13 16 6 HAUPTGRUPPE 8 8 L0 ERSATZTEILE NR 1 im 2 3 13 3m 38 3C 4 5 6 17 17 18 8 9 10 11 i1T 12 3 V M 15 16 1 7 411 803 171 813 155 813 533 803 533 803 533 803 321 805 411 805 N dl3 161 803 161 803 119 171 813 171 813 155 8 3 155 813 N 020 171 813 155 813 155 813 321 813 155 813 155 803 171 971 0 003 AUFBAU BENENNUNG KOFFERBODEN ABSCHLUSSBLECH HINTEN 171 813 113 A 321 813 573 A 595 115 0 115 A 272 896 910 412 419 A 965 5 120 157 158 157 305 L 024 1 309 155 813 309 A 155 81 311 8 369 m 370 B 661 A 927 913 8 913 500 RESERVERADMULOE F 15 E 01I 290 HALTER FUER RESERVERAD F t5 E 011 290 DECKEL KOFFERBOÖEN F 15 E 011 290 KOFFERBODEN F 15 E 011 291k HALTER FUER PLATZSPARENDES NOTRAD SCHRAUBE FUER RESERVERADBEFESTIGUNG SCHUTZKAPPE VERSCHLUSSDECKEL DICHTRING FUER VERSCHLUSSOECKEL LINSENBLECHSCHRAUBE VERSTAERKUNO FUER STOSSFAENGERBEFESTIGUNG VERSTAERKUNO FUER STOSSFAENGERBEFESTIGUNG SITZAUFLAGE SITZAUFLAGE aUERTRAEGER FUER ABSCHLUSSBLECH ABSCHLUSSBLECH HINTEN PFROPFEN VERBINDUNGSBLECH F 15 E 011 290 VERBINDUNGSBLECH F 15 E 011 291 VERSTAERKUNG FUER ABSCHLUSSBLECH VERSTAERKUNG F ABSCHLUSSBLECH VERSTAERKUNO F ABSCHLUSSBLECH HALTEBAND FUER RESERVERAD U SCHIENE OUERVERSTEIFUNG TUELLE LANGZEITUNTERBODENSCHUTZ BEMERKUNG I36MM 100MM 160 B4 2X9 5 LINKS RfCHTS LINKS RECHTS OBEN Aroxi MITTE LINKS RECHTS 12 5 1LTR 144


Vorschau Golf Cabrio  Mod. 84-93 Seite 561