Golf Cabrio Mod. 84-93 Seite 569

Hinweis: Dies ist eine maschinenlesbare No-Flash Ansicht.
Klicken Sie hier um zur Online-Version zu gelangen.

Inhalt

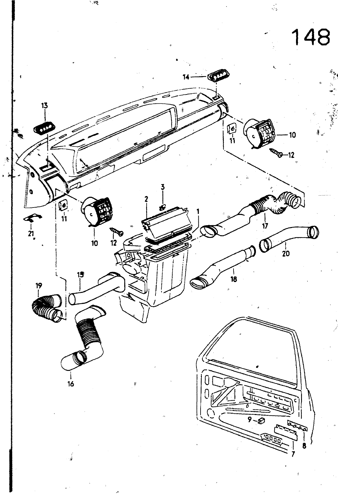
148 0 V 12 u 10 12 20 V oc 5 3 r HAUPTGRUPPE 8 AUFBAU BILD ERSATZTEILE NR BENENNUNG BEMERKUNG 10 11 12 1 3 14 15 16 17 18 19 20 21 08 08 07 08 08 08 08 171 171 861 819 065 f6l 819 081 171 819 086 819 469 A 8T9 489 171 837 893 171 819 70t 0 83 06 88 83 07 93 155 819 701 88 07 93 N 015 425 1 N 013 998 1 161 819 705 83 07 93 83 07 93 161 819 706 83 07 93 83 07 93 155 819 723 172 819 723 161 819 724 172 819 724 171 819 725 172 819 726 171 819 1 GF9 GG1 01c 01c 90V 01c 90V LUfTSCHLAUCH LUFTOUESE RUECKSCHLAGKLAPPE OTCHTW ZWISCHENSTUECK KLAMMER RUECKSCHLAGKLAPPE CLfPLEISTE KLAMMER LUfTOUESE SATINSGHWARZ CHROM SATTELBRfUN CHROM LUFTOUESE SATINSCHWARZ SCHNAPPMUTTER SENKBLECHSCHRAUBE LUFTOUESE SATINSCHWARZ SATTELBRAUN LUFTOUESE SATINSCHWARZ SATTELBRAUN LUFTSCHLAUCH LUFTSCHLAUCH LUFTSCHLAUCH LUFTSCHLAUCH LUFTSCHLAUCH LUFTSCHLAUCH KLAMMER ST MODELL 578X15X1 84 2X12X10 5 B4 2X16 LINKS RECHTS LINKS LINKS RECHTS RECHTS LINKS RECHTS LLKG RLKG LLKG RLKG LLK8 RLKG 148 0 irsT


Vorschau Golf Cabrio  Mod. 84-93 Seite 569