Golf Cabrio Mod. 84-93 Seite 571

Hinweis: Dies ist eine maschinenlesbare No-Flash Ansicht.
Klicken Sie hier um zur Online-Version zu gelangen.

Inhalt

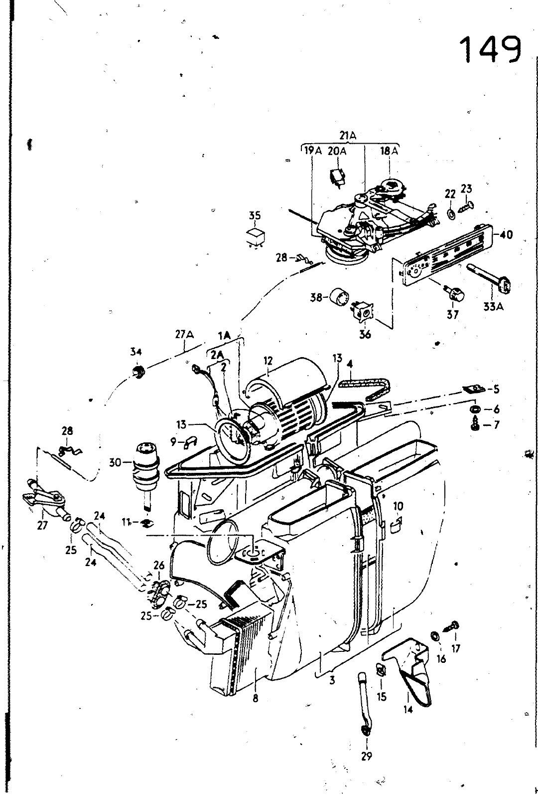
149 HAUPTGRUPPE 8 AUFBAU BILD ERSATZTEILE NR BENENNUNG BEMERKUNG MfA 20A 18 A 23 22 35 3 28 2 38 Ld 19 A 27A lA 54 2A 7 29 30 3 24 27 KDC 24 0 I 1A 2A 4 5 6 7 8 9 10 M 12 13 14 15 16 17 IBA ISA 2tW 2im 32 23 24 25 a 27 27 28 29 129 30 33A 34 35 36 37 38 40 171 820 021 171 971 567 803 971 831 171 820 023 08 83 07 93 861 819 065 08 83 07 93 N N N 171 171 321 N 171 171 171 015 423 011 524 013 887 820 041 820 047 8T9 059 012 S55 820 09 820 085 820 229 015 458 011 665 013 969 820 293 820 295 820 073 820 045 011 664 013 964 820 371 900 719 819 699 819 809 819 837 823 819 679 171 820 615 171 820 615 820 677 820 129 971 913 959 141 N N N 161 161 161 161 N N 171 N 861 171 161 171 171 171 171 321 959 511 321 959 513 171 959 999 KLIMAANLAGE fLKRE MITVERWENDEN TUNGSSATZ MIT WIDERSTAND GEBlAESEMkfOR 4P MITVEqWENDEN FLACHSTECKHUELSENGEHAEUSE VEROAMPFERGEHAEUSE OlC SATINSCHWARZ DICHTUNG SCHNAPPMUTTER SCHEIBE SECHSKANTBLECHSCHRAUBE WAERMETAUSCHEß KLAMMER KLAMMER KLEMMSCHEIBE CCCKEl RING KAPPE FUER WASSERABLAUF 01C SATINSCHWARZ SCHNAPPMUTTER SCHEIBE LINSENBLECHSCHRAUBE VAKUUMVERTEILER TEMPERATURSCHALTER SCHALTER RE8UIIERUNG SCHEIBE LINSENßLECMSCHRAUBE WmSSERSCHLAÜCß SCHELLE DOPPELTUELLE HEIZUNGSVENTIL HEIZUNGSVENTILZUG KLAMMER WASSERABLAUFSCHLAUCH WASSERABLAUFSCHLAUCH VAKUUMDOPPELDOSE KNOPF FUER KLIMAANLAGE SCHALTER FUER GEBLAESEMOTOR KNOPF FUER SCHALTER FLACHSTECKHUELSENGEHAEUSE SIEHE BILDTAFEL ST MODELL LLXG 803 971 8ß1 803 971 831 6 POLIG 578X15X15 B5 5X26 4X20 2 A6 4X12 5X1 6 85 5X16 B4 8X19X16 5 3X15X1 6 B4 8XI6 1 FACH 84 3X12X1 84 2X16 LC16 27 12 5 21MM 212 HAUPTGRUPPE 8 AUFBAU 0 18 01 V 149


Vorschau Golf Cabrio  Mod. 84-93 Seite 571