Golf Cabrio Mod. 84-93 Seite 573

Hinweis: Dies ist eine maschinenlesbare No-Flash Ansicht.
Klicken Sie hier um zur Online-Version zu gelangen.

Inhalt

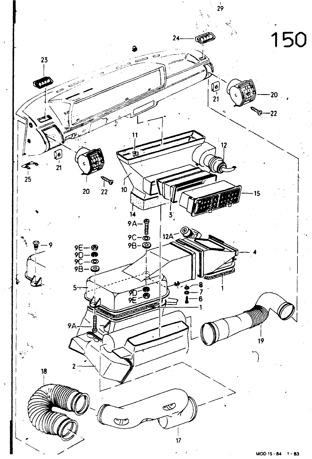
29 150 23 t WÄ 20 22 L rn 33 20 22 9A 9C B 12A 9B W 9 9E 9D 9C W 98 9E 9A u Qz M001S M I 3 HAUPTGRUPPE 8 BILD 1 2 12 3 4 5 6 7 8 9 9A 9B 9C 90 9E 10 11 12 12 14 15 17 18 19 20 20 20 21 22 23 24 2 ERSATZTEILE NR 321 820 061 171 820 15l 171 820 152 161 820 327 AUFBAU BENENNUNG LURTSCHLAUCH 171 171 N N 321 171 N 321 N N N 161 171 820 551 820 565 013 966 011 665 820 129 20 579 014 143 820 129 011 547 oia 006 W10M 920 621 819 086 323 820 627 175 20 627 161 820 691 161 820 703 08 83 07 93 08 83 07 93 161 819 747 155 820 723 171 819 725 161 820 724 171 819 701 08 83 06 88 08 83 07 93 155 819 701 07 88 07 93 155 819 701 07 88 07 93 N 015 425 N 013 998 161 819 705 08 83 07 93 08 83 07 93 161 819 706 08 83 07 93 08 83 07 93 171 819 747 161 819 747 12 3 A 3 A 6 4 8 FB4 F85 G 0 QF9 SGI 01C A 01C 1 1 01C 90V 01C 90V DICHTUNG FUSSRAUMAUSSTROEMER FUSSRAUMAUSSTROEMER ZWISCHENSTUECK FUER LUFTVERTEILERGEHAEUSE KLAPPENKASTEN ABDECKUNG LINSENBLECHSCHRAUBE SCHEIBE DICHTUNG cLiP LINSENSCHRAUBE DICHTUNG SCHEIBE FEDERRING SECHSKANTMUTTER LUFTVERTEILERGEHAEUSE KLAMMER VAKUUMDOSE VAKUUMOOSE 0ICHT8AN0 LUFTOUESE SATINSCHWARZ WEISS SATTELBRAUN WEISS KLAMMER LUFTSCHLAUCH LUFTSCHLAUCH LUFTSCHLAUCH LUFTOUESE SATINSCHWARZ CHROM SATTELBRAUN CHROM LUFTDUESE SATINSCHWARZ LUFTDUESE SATINSCHMARZ SCHNAPPMUTTER SENKBLECHSCHRAUBE LUFTDUESE SATINäCHWARZ SATTELBRAUN LUFTOUESE SATINSCHWARZ SfTTELBRAUN TlAMMER KLAMMER 41 0 18 01 MERKUMG ST MODELL LLKG 1220X12X10 LINKS RECHTS 84 2X13 5 3X15X1 6 AM6X22SB 6 5X14X1 6 6 M6 MITTE LINKS LINKp RECHTS 84 2X12X10 5 84 2X16 LINKS RECHTS K 150 0 trma


Vorschau Golf Cabrio  Mod. 84-93 Seite 573