Golf Cabrio Mod. 84-93 Seite 576

Hinweis: Dies ist eine maschinenlesbare No-Flash Ansicht.
Klicken Sie hier um zur Online-Version zu gelangen.

Inhalt

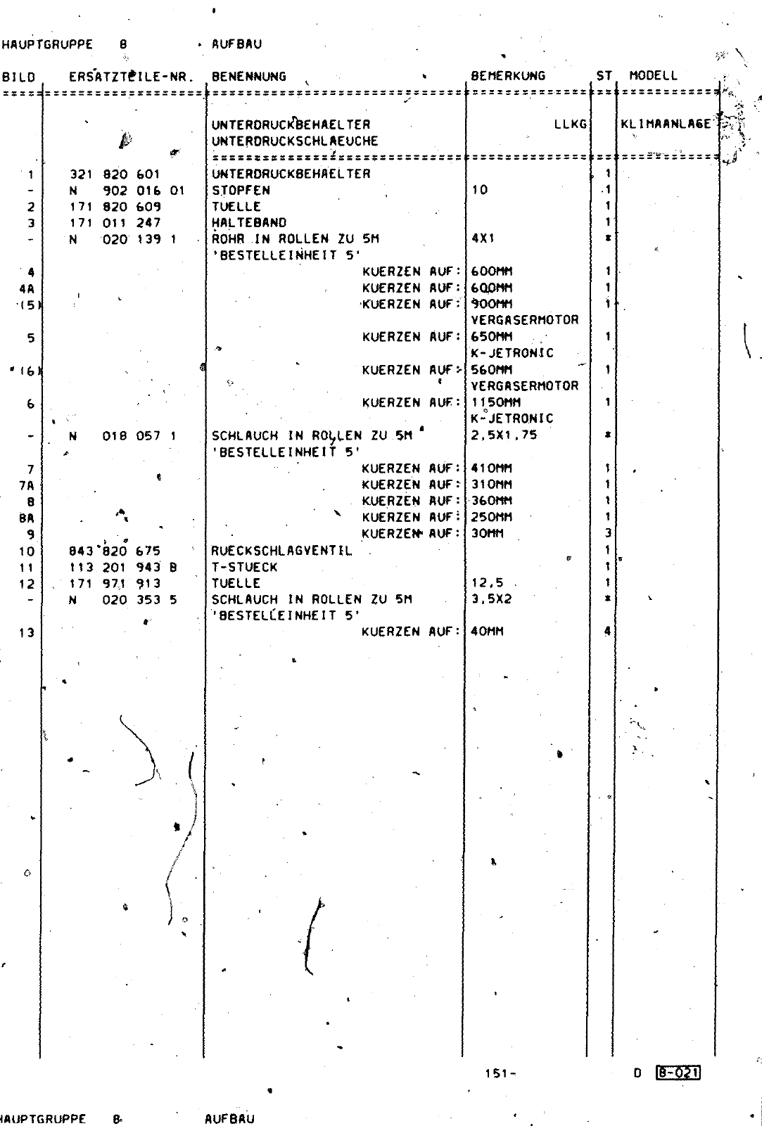
M0015 84 1 83 151 13 4 10 6 IC c L2 5 ö 6 9 HRUPTGRUPPE 8 AUFBAU BILO ERSATZTfILE NR 4 4A 151 5 in 6 7 7A 8 em 9 10 t 12 13 321 N 1 71 171 N 820 601 902 Olk 01 820 609 011 2 7 020 139 1 N 018 057 1 843 820 675 113 201 943 B 171 9 1 913 N OM M3 5 BENENNUNG BEMERKUNG UNTERORUCdbEHAELTER UNTERDRUCKSCHLAEUCHE LLKG UNTEMORUCKBEHAELTER STOPFEN TÜELLE HALTEBAND ROHR IN ROLLEN ZU 5M BESTELLEINHEIT 5 KU NAW KUERZEN AUf KUERZEN AUF KUERZEN AUF KUERZEN AUF KUERZEN AUF SCHLAUCH IN ROLLEN ZU 5M BESTELLEINHEIT 5 KUERZEN AUF KUERZEN AUF KUERZEN AUF KUERZEN AUF KUERZE AUF RUECKSCHLAGVENTIL T STUCCK TUELLE SCHLAUCH IN ROLLEN ZU 5M BESTELLEINHEIT 5 KUERZEN AUF 10 4X1 600MM tOPMM OOMM VERGASERMOTOR 650MM K JETRONIC 560MM VERGASERMOTOR M5WM K JETRONIC 2 5X1 75 410MM 310MM 360MM 250MM 30MM 12 5 3 5X2 40MM ST MODELL HAUPTGRUPPE AUFBAU 151 D 18 0211


Vorschau Golf Cabrio  Mod. 84-93 Seite 576