Golf Cabrio Mod. 84-93 Seite 581

Hinweis: Dies ist eine maschinenlesbare No-Flash Ansicht.
Klicken Sie hier um zur Online-Version zu gelangen.

Inhalt

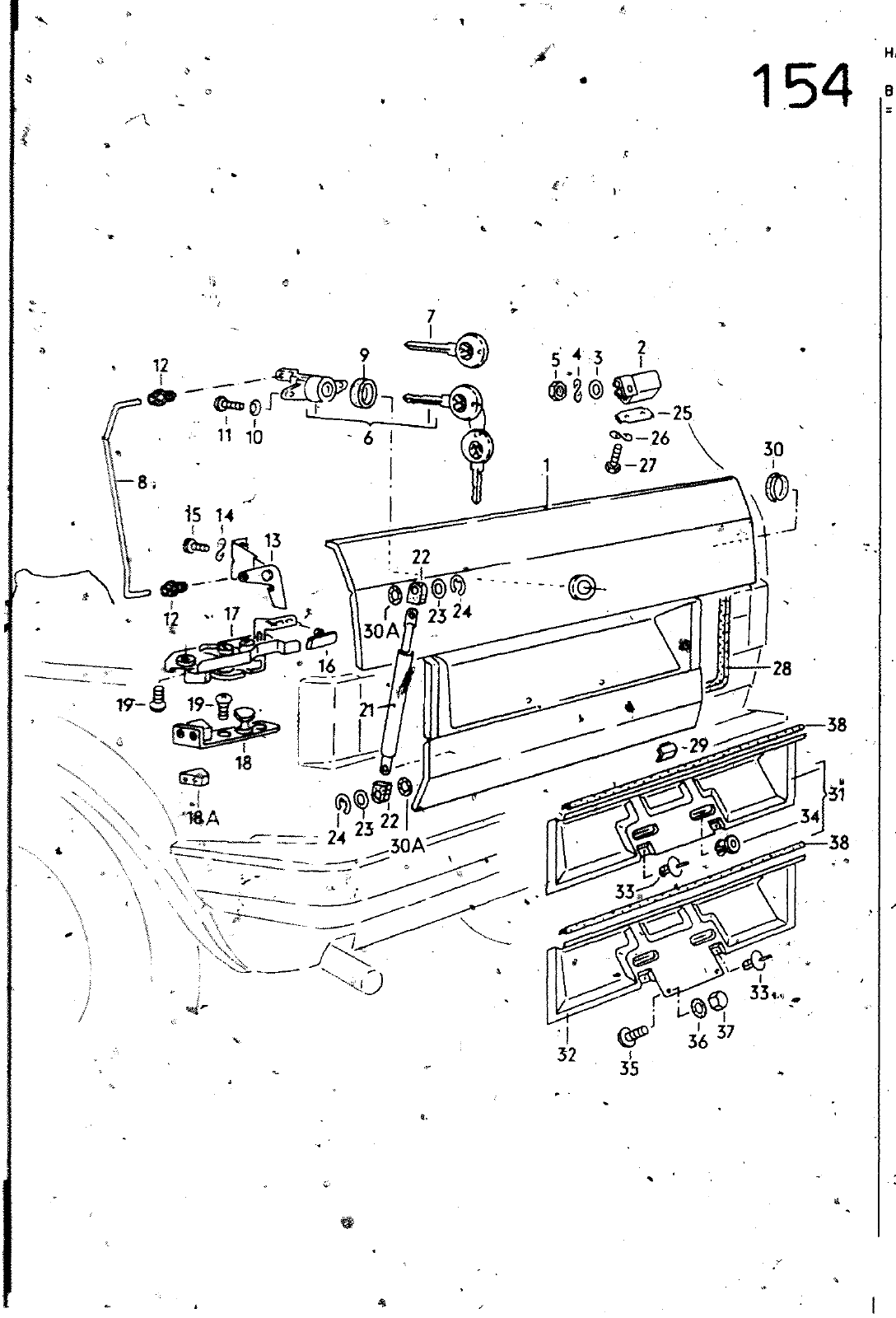
154 5 I 26 11 10 30 27 15 14 J ßm 9 l LO 24 7 23 50A 28 T a 19 29 dß 34 mA I 22 23 24 38 50A Gr 33 er 33 SP 36 35 HAUPT RUPPE 8 AUFBAU BILD ERSATZTEIUE NR BENENNUNG BEMERKWG ST MODELL KLAPPE HINTEN 10 11 12 13 14 15 16 17 18 IBA 19 21 22 23 24 25 26 27 28 29 1291 30 30A 155 827 025 8 155 827 025 C 191 853 601 B 08 83 12 83 6X2 321 853 685 C 08 83 12 83 GX 155 827 301 155 827 302 533 827 365 AKL 381 035 50 KLAPPE MITVERWENOENi N 011 670 N 012 229 N 011 008 327 827 539 155 827 515 161 827 27 08 83 07 93 311 897 943 01C N 171 N 014 140 837 199 155 827 531 N 012 226 014 139 155 827 545 155 829 2tI 55 829 221 331 827 525 N 903 229 155 8f7 550 171 827 625 011 525 012 436 155 827 651 N 012 226 N 01p 212 155 827 705 155 827 713 13 2 5 14 155 827 13 A 311 867 235 08 83 07 93 531 809 636 01C KLAPPE VW ZEICHEN SATINSCHWARZ CÜROM SPEZIAL SCHRIFTZUG SATINSCHWARZ CHROM SPEZIAL KLAPPENSCHARNIER KLAPPENSCHARNIER DICHTUNG MIT WERKSTATTMITTELN ANPASSEN ZWISCHENLAGE IZINKI 1 1 M BEUTEL ZU 50 STUECKI SCHEIBE FCGERSbHElBE SECHSKANTMUTTER KLAPPENSCHLOSS SIEHE BILDTAFEL ZUGSTANGE DICHTUNG SAT1NSCHWA8Z TELLERFEDER LINSENSCHRAUBE CUP UMLENKHEBEL FEOCRSCHEIBE LINSENSCHRAUBE LAGERWINKEL KLAPPENSCHLOSS SCHLIESSPLATTE ANSCHLAGPUFFER I GESCHRAUBT I FUER SCHLIESSPLATTE LlhSENSENKSCHRAUBE GASDRUCKFEDER AÜSGLEICHSTUECK F 15 K OPI 851 SCHEIBE SICHERUNGSSCHEIBE SCHARNIERVERSTAERKUNG FEDERStHEIBE SECHSKANTSCHRAUBE DICHTUNG STOPFEN F STOPFEN F IS M 029 125 ABDECKKAPPE SATINSCHWARZ GUMMISCHdlkE 15 M 029 124 15 E 01I290 SCHRIFTZUEGE DIE 6UELT1C SIND AB FG NR 15 E 011291 HINTEN VOLKSWAGEN LINKS RECHTS B8 4X24X2 8X15X0 5 M8 156 6 4X18 M6X15 Bf M6X12 INNEN M8X18 A8 4 6 86 M6X12 22 32 2MM 0 18 0241 IKCNNZEICHENHALTER


Vorschau Golf Cabrio  Mod. 84-93 Seite 581