Golf Cabrio Mod. 84-93 Seite 585

Hinweis: Dies ist eine maschinenlesbare No-Flash Ansicht.
Klicken Sie hier um zur Online-Version zu gelangen.

Inhalt

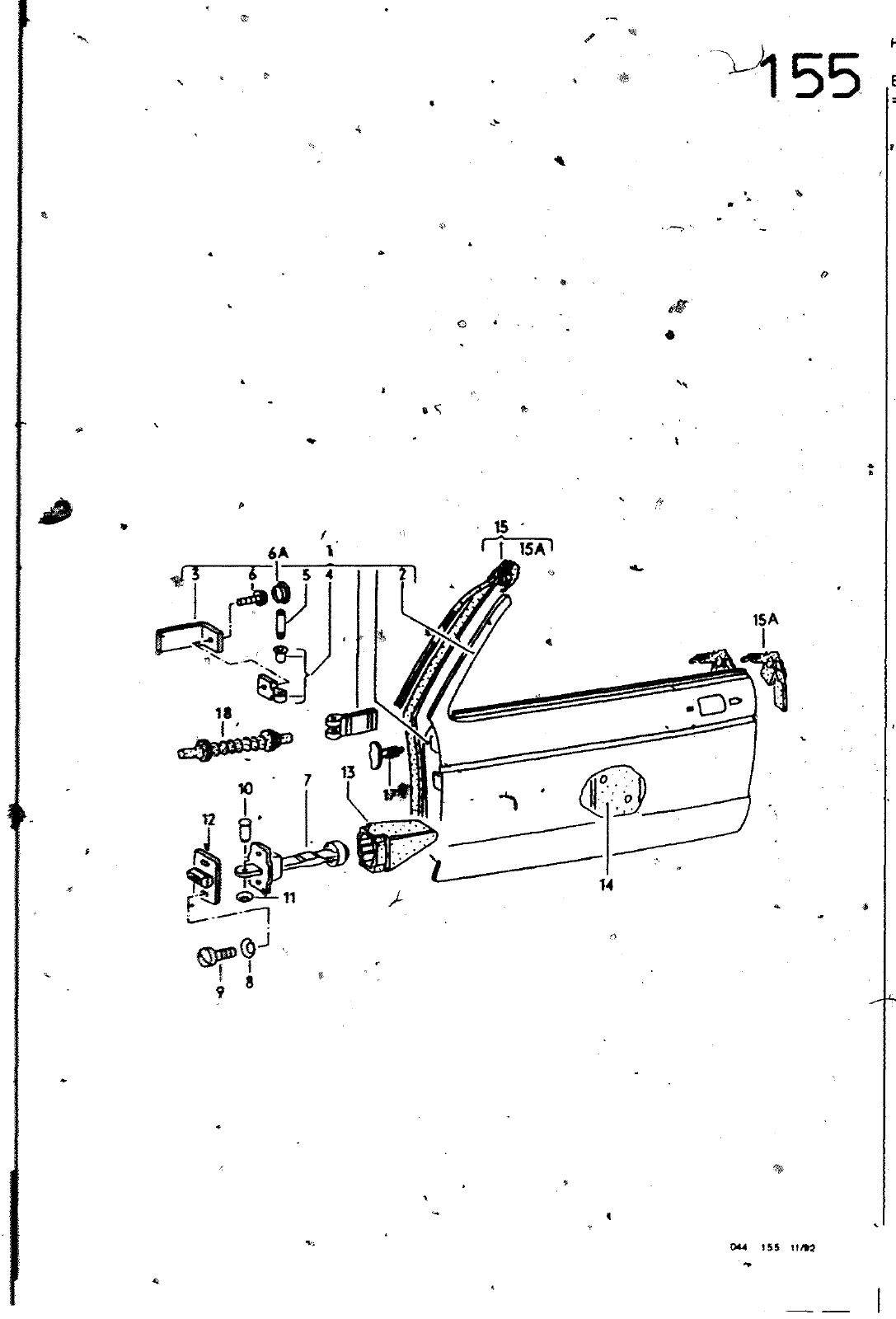
6A 15 5 i o 7 13 10 I 0 h HAUPTGRUPPE 8 AUFBAU BILD ERSATZTEILE NR BENENNUNG BEMERKUNG ST MODELL 2 12 3 4 5 6 6A 7 e 4 10 TUEfEN TUERSCHARNIER TUEROICHTUNG TUERFESTSTELLER 155 831 051 C F 15 M 001 144 MITVERWENDEN 155 831 051 C 155 831 051 E 155 831 051 E 155 831 052 E 155 831 052 E 015 oio 012 171 31 171 831 III 809 171 831 321 831 N 901 171 837 T71 837 171 831 171 809 401 3 212 14 226 5 105 p 106 0 tqs c 403 B 421 163 01 948 251 C 381 R 621 171 809 622 III 837 N 014 191 898 941 140 5 257 12 861 837 267 TUER FUER FAHRZEUGE MIT ELEKTRI SCHEN FENSTERHEBERN F 15 M 001 144 TW F 15 M 001 145 MITVERWENOEN TUER FUER FAHRZEUGE MIT ELEKTRI SCHEN FENSTgRHEBERN F I5 M 001 145 TUER MITVERWENOEN Tl IfUER FAHRZEUGE MIT ELEKTRI SCHEN FENSTERHEBERN MIIVERWENOEN SCHEIBE SECHSKANTSCHRAUBE FEOERSCHEIBE TUCR USSfNk UT TUER WBSgNH UT BEFESTIGUNGSPLATTE FUER TUERSCHARNIER SCHARNIERHAELFTE SCH R IERSTIFT SECHSKANTSCHRAUBE ABOECKKAPPE TUERFESTSTELLER LAGERBOCK FUER TUERFESTSTELLER VERSTAERKUNG FUER gAEULE A LAGERBOCK FUER TUERFESTSTELLER VERSTAERKUNG FUER SAEULE A LAGERBOCK FUER TUERFESTSTELLER TELLERFEDER LINSENSC RAUBE BOLZEN MIT KLEMMSCHEIBE FUER TUERFESTSTELLER ENTFALLEN ERSATZ ABDECKUNG LINKS N 015 401 3 N 0 0 212 14 N 012 226 5 LINKS LINKS N 015 401 3 N 010 212 14 N 012 226 5 LINKS RECHTS N 015 401 3 N 010 212 14 N 012 226 5 15 M 001144 1f5 959 845 A RECHTS 15 M 001144 155 959 845 A 4X21X4 M6X12 86 LINKS RECHTS t MA22 LINKS RECHTS 6 4X12 5 M6X15 191 898 25f I I 0 I8 02W


Vorschau Golf Cabrio  Mod. 84-93 Seite 585