Golf Cabrio Mod. 84-93 Seite 60

Hinweis: Dies ist eine maschinenlesbare No-Flash Ansicht.
Klicken Sie hier um zur Online-Version zu gelangen.

Inhalt

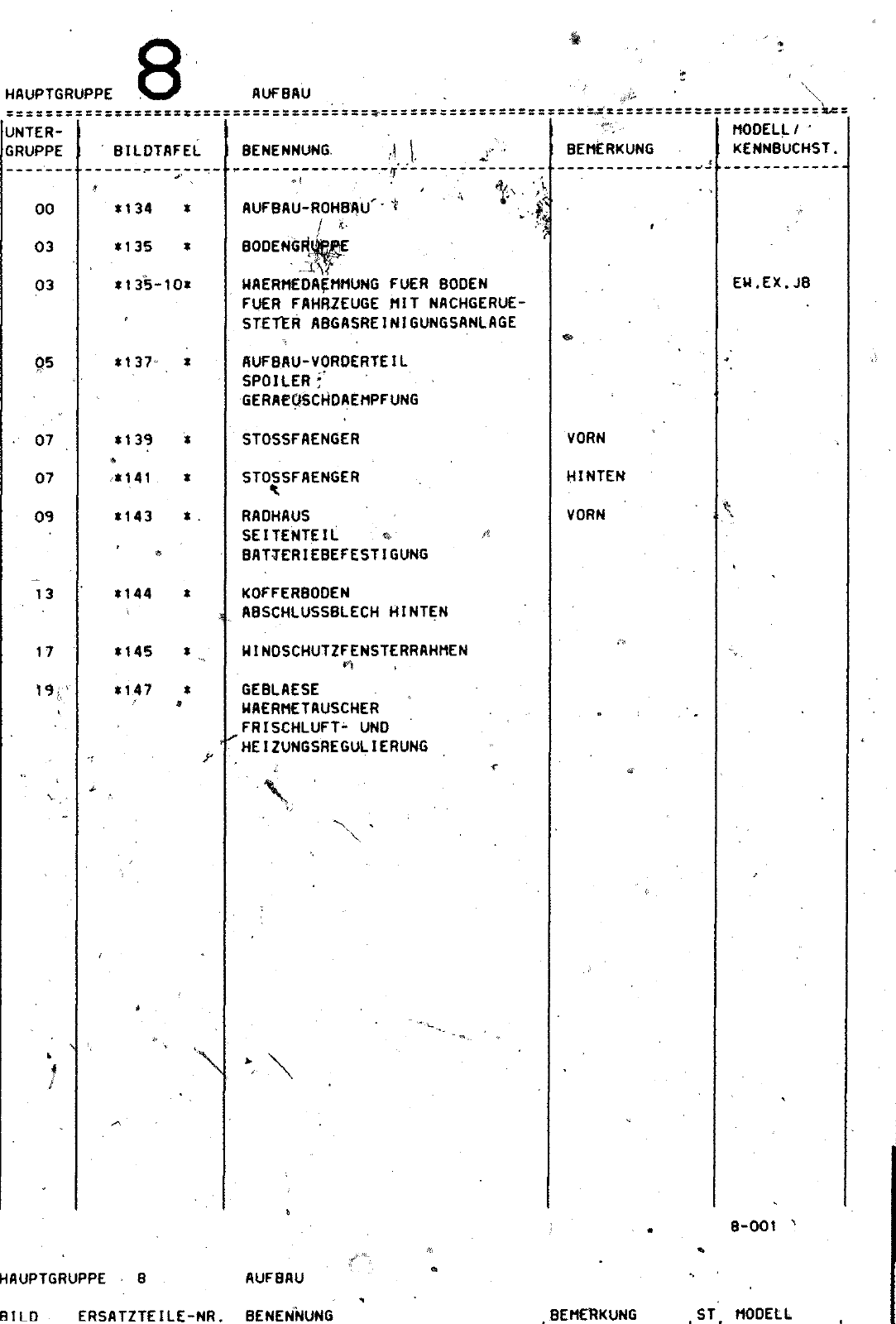
IX 1Q4 HAUPTGRUPPE UNTER GRUPPE BILDTAFEL AUFBAU BENENNUNG BEMERKUNG MODELL KENNBUCHST 00 03 03 05 07 07 09 13 17 19 134 135 1135 10 137 139 143 144 145 M7 AUFBAU ROHBqu t BWDENtdüBBE WAERMEOAfMMUNG FUER BODEN FUER FAHRZEUGE MIT NACHGERUE STETER ABGASREINIGUNGSANLAGE AUFBAU VORDERTEIL SPOILER GERAgQSCHDAEMPFUNG STOSSFAENGER STOSSFAENGER RADHAUS SEITENTEIL BATTERIEBEFESTIGUNG KOFFERBODEN ABSCHLUSSBLECH HINTEN WINDSCHUTZFENSTERRAHMEN 1 GEBLAESE WAERMETAUSCHER FRISCHLUFT UNO HEIZUNGSREGULIERUNG EW EX JB VORN HINTEN VORN HAUPTGRUPPE 8 BILD ERSATZTEILE NR AUFBAU BENENNUNG BEMERKUNG ST MODELL


Vorschau Golf Cabrio  Mod. 84-93 Seite 60