Golf Cabrio Mod. 84-93 Seite 616

Hinweis: Dies ist eine maschinenlesbare No-Flash Ansicht.
Klicken Sie hier um zur Online-Version zu gelangen.

Inhalt

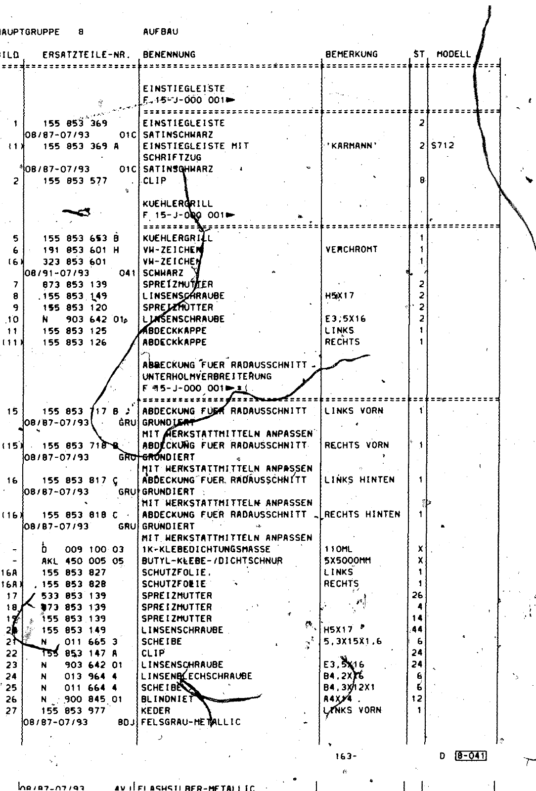
MO015 84 1 ew 1E HAUPTGRUPPE 8 AUFBAU x 0 Ll w l 3 2 s A i r L 20 0 23 r 20 20 ZO 21 20 23 26 20 34 25 v 20 24 26 20 26 36 32 33 24 25 81L0 ERSATZTEILE NR BENENNUNG 5 6 16 7 8 9 10 11 111 Ii IIS 16 116 BEMERKUNG ST MODELL 155 esä 369 08 87 07 93 01C 155 853 369 A 08 87 07 93 OlC 155 853 577 3 155 853 653 191 853 601 323 853 601 08 91 07 93 873 853 139 155 853 149 1 5 853 120 N 903 642 155 853 125 155 853 126 155 853 17 08 87 07 93 155 853 71 08 87 07 93 155 853 817 08 87 07 93 GRU 155 853 818 08 87 07 93 GRU b 009 100 03 AKL 450 005 05 155 853 827 155 853 828 533 853 139 73 853 139 155 853 139 155 853 149 011 EINSTIEGLEISTE tS J dOO 001 EINSTIEGLEISTE SATINSCHWARZ EINSTIEGLEISTE MIT SCHRIFTZUG S TlN qHM RZ CLIP KARMANN VERCHROMT H5MI7 KUEHLERaPlLL F 15 J Omp 001 KUEHLERGRiK VW ZEICHEM VW ZEICHEM SCHWARZ SPREfZMU R LINSENSpÄRAUBE SPREffmTTER UXMNSCHRAUBE dSDECKKAPPE ABOECKkAPPE 041 E3 5X16 LINKS RECHTS Ob ABaECKUNG FUER RADAUSSCHNITT UWTERHOLMVERBREITERUNG F4I5 J 000 001 äj B ÖRU RADAUSSCHNITT LINKS VORN 16A I16A 22 23 665 853 147 903 642 013 964 011 664 900 845 155 853 977 08 87 07 93 8DJ ABDECKUNG F QPUNO MIT ßERKSTATTMITTELN ANPASSEN ABDfCKÜNG FUER RADAUSSCHNITT NOIERT MIT WERKSTATTMITTELN ANPASSEN ABDECKUNG FUER RdöSuSSCHNfTT 8RUN0IERT MIT WERKSTATTMITTEL ANPASSEN ABDECKUNG FUER RADAUSSCHNITT GRUNDIERT MIT WERKSTATTMITTELN ANPASSEN 1K KLEBEDICHTUN6SMASSE BUTYL KkEBE DICHTSCHNUP SCHUTZFOLIE SCHUTZFO IE SPREIZMUTTER SPREIZMUTTER SPREIZMUTTER LINSENSCHRAUBE SCHEIBE CLIP LINSENS LINSENI SCHEIBI BLINDNIE KEOCR FELSGRAU ME RAU E ECHSCHRAUBE LLIC RECHTS VORN LINKS HINTEN RECHTS HINTEN 110ML 5X5000MM LINKS RECHTS H5X17 5 3X15X1 6 E3 W6 B4 2xk B4 3 n2X1 A4X MKS VORN 163 S712 0 rnqmi llFI RFP MFTAI I IC


Vorschau Golf Cabrio  Mod. 84-93 Seite 616