Golf Cabrio Mod. 84-93 Seite 623

Hinweis: Dies ist eine maschinenlesbare No-Flash Ansicht.
Klicken Sie hier um zur Online-Version zu gelangen.

Inhalt

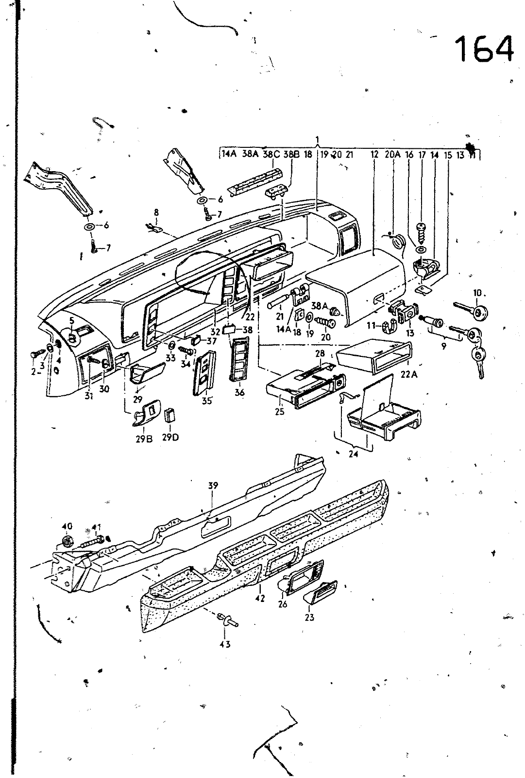
164 waoa 12 20A 16 M 15 13 I 10 9 t 14A 38A 38C 3BB 18 6 P MA 22A 35 MB ß HAUPTGRUPPE 8 UF8 U BILD ERSATZTEILE NR BENENNUNG BEMERKUNG ST MODELL SCHALTTAFEL KLAPP FUER ABLAGEFACH ASCHER I 171 857 461 8 171 857 461 C 155 857 003 08 90 07 92 8BM 171 857 003 0 08 83 03 90 2N0 08 83 07 84 4HR 08 83 03 90 8BM 155 857 003 A 04 90 07 90 2N0 04 90 07 92 8BM 155 857 003 B 08 92 07 93 88M 155 857 003 C 8BM 2Nß 4HR 8BM 2 3 4 5 6 7 17 8 9 10 11 112 12 13 14 14A 15 08492 07 93 172 857 003 0 08 83 07 90 08 83 07 84 08 83 07 93 N 043 ms I N 011 523 18 161 857 084 08 83 07 93 01C N 015 436 1 N 011 523 18 N 013 964 4 N 034 605 2 161 857 289 443 857 13 A 171 857 119 08 83 07 93 172 857 120 08 83 07 90 08 83 07 84 08 83 07 93 171 857 122 08 83 07 90 08 83 07 84 08 83 07 93 171 857 13 08 83 07 93 171 857 133 171 857 134 N 015 422 01C 2N0 4HR 8BM 2N0 4HR BBM B 01C c 2 BLENDE FUER LUFTAUSTRITT BLENDE FUER LUFTAUSTRITT SCHALTTAFEL FUER FAHRZEUGE MIT ELEKTRI SCHER LEUCHTWEITENVERSTELLUNG SATINSCHWARZ SCHALTTAFEL SATTELBRAUN BALEAR iBLAUl sdTINSCHWARZ SCHALTTAFEL SATTELBRAUN SATINSCHWARZ SCHALTTAFEL SATINSCHWARZ SCHALTTAFEL FUER FAHRZEUGE MIT ELEKTRI SCHER LEUCHTWEITENVERSTELLUHG SATLNSCHWARZ SCHAftTAFEL SATTELBRAUN BALEAR IBLAUl SATINSCHWARZ SECHSKANTBLECHSCHRAUBE SCHEIßE SCHEIBE SATINSCHWARZ SCHNAPPMUTTER SCHEIBE LINSENBLECHSCHRAUBE F b 15 H 040 000 LINSENSCHRAUBE F 15 j OOb OOJI KLAMMER SCHLIESSZYLINOER FUER SCHALTTAFELKASTENKLAP SIEHE efLDTAFEL KLAMMER SATINSCHWARZ KLAPPE FUER ABLAGEFACH SATTELBRAUN BALEAR IBLAUl SATINSCHWARZ KLAPPE FUER ABLAGEFACH SATTELBRAUN BALEAR IBLAUl SATINSCHWARZ VERSCHLUSS i SATINSCHWARZ VERSCHLUSSLAGER SCHARNIER UNTERTEIL SCHNAPPMUTTER 112 MM 64 5 MM LLKG LLKG LLKG LLKG LLKG RLKG 84 8X19 A5 3XT0X1 B4 8f14 8X1t A5 3XfOX1 B4 2X16 M4W18 156 RLKG LLKG 84 2X17X11 3 1641 0 18 0451 tk I N Ol l 664 4 ISCHEIB I B4 3X12X1


Vorschau Golf Cabrio  Mod. 84-93 Seite 623