Golf Cabrio Mod. 84-93 Seite 633

Hinweis: Dies ist eine maschinenlesbare No-Flash Ansicht.
Klicken Sie hier um zur Online-Version zu gelangen.

Inhalt

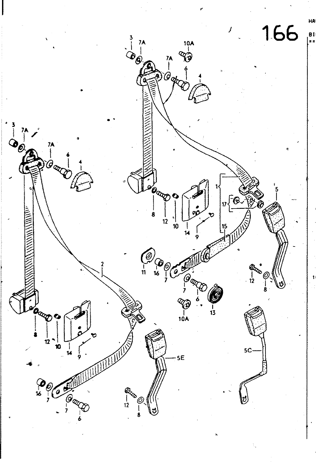
166 10A 7A 7A I i M 16 T 0 a I IDA 5C M 5E AI H UPTGRUPPE 8 AUFBAU BILD ERSATZTEILE NR BENENNUNG 15 5C 6 7 7A 8 9 10 10A 1 I 12 13 14 15 16 17 155 857 705 8 55 857 705 0 155 857 705 F 803 org 825 B 191 857 719 08 83 07 84 165 857 719 08 84 07 93 191 857 755 191 857 755 E N 171 171 171 411 111 171 171 171 OlC Ö1C 191 857 756 A 191 857 755 A III 857 793 E 211 857 771 211 857 771 Oll 655 857 782 857 784 857 785 857 781 08 83 07 93 171 857 797 957 799 57 825 57 827 C 841 810 019 29 443 857 847 B OlC BEMERKUNG DREIPUNKT SIgHERHEITSGURT OREIPU KT SICHERHEITßGÜRT F 15 E 035 000 DREtPUNKT SICHERHEITSGURT F 15 F OOO 001 DRE P NKT SICHERHEITSGURT SUAfBANO VERLAENGERT UM F 15 FÜOOO 001 OISTANZHUELSE ABDECKKAPPE F 15 E 039 000 SATINSCHWARZ ABDECKKAPPE F 15 F OOO 001 SATINSCHWARZ ORUCKTASTENSCHLOSS DRUCKTASTENSCHLOSS FUER SPORTSITZ F 15 M OOO 001 DRUCKTASTENSCHLOSS FUER SPORTSITZ F 15 M OOO 001 ORUCKTASfENSCHLOSS FUER SPORTSIT I5 L 035 000 SECHSKANTSCHRAUBE SCHEIBE SCHEIBE F SCHEIBE KLEMMSTIFT SPREIZNIET STOPFEN eiENOE SATINSCHWARZ ABOECKSCHEIBE SECHSKANTSCHRAUBE SPIRALFEDER ABOECKKAPPE ABOECKKAPPE biSTANZSCHEIBE KNOPF 15 E 035 000 VORN VORN VORN VOkN 300MM OBEN OBEN LINKS RECÄRO RECHTS RECARQ RECARO 11 5X21X1 8 7 16 X25 UNTERN 41 2X17X8 5 166 0 18 0501


Vorschau Golf Cabrio  Mod. 84-93 Seite 633