Golf Cabrio Mod. 84-93 Seite 753

Hinweis: Dies ist eine maschinenlesbare No-Flash Ansicht.
Klicken Sie hier um zur Online-Version zu gelangen.

Inhalt

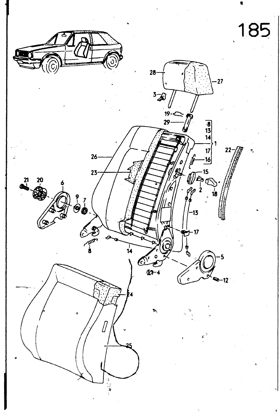
185 30 19 29 22 17 0 Q R 4 12 125 IM 125 25 125 125 125 125 125 12 125 155 881 801 AD 08 84 07 87 PJ4 08 84 07 87 PJ5 125 155 881 801 AK 08 87 07 89 WL5 08 87 07 89 Wl 08 87 07 89 WL7 1251 155 881 801 AK 08 89 07 9 08 89 07 91 08 89 07 0 08 90 07 91 155 881 801 08 91 07 93 08 91 07 93 08 91 07 93 155 881 801 03 7 0 53 03 90 07 93 155 881 801 08 83 07 88 05 85 07 87 08 87 07 88 08 87 07 88 155 881 01 08 88 07 93 08 88 07 90 08 88 07 90 08 88 07 93 08 88 07 90 155 881 801 08 88 07 93 08 88 07 93 08 88 07 93 08 88 07 93 155 881 801 02 91 07 93 02 91 07 93 155 881 801 02 91 07 91 155 881 801 02 91 07 91 155 881 801 08 86 07 90 0 07 90 08 87 07 90 08 86 07 90 BA AFB SO BSE VK4 BC AFB UM 8B 8WK 80 BYM AC WW5 WW8 WW WW7 155 881 80t AS 08 90 07 93 AZJ LEHNENBEZUG I STOFF I BALEAR IBLAUl SAIGA IBEIGEI LEHNENBEZUG I STOFF I SCHWARZ SILBER TAUBENGRAU BEOUIN IBRAUNI LEHNENBEZUG ISTOFF WL5 SCHWARZ SILBER WL6 TAU8ENGRAU WL7 BEOUIN IBRAUNI AYW SAHARA BE LEHNENBEZUG I STOFF I BSW SCHW RZ BSX TAUBENGRAU BSY SAHARA AH LEHNENBEZÜG ILEbERI VK4 LASKfWEISS AFB SCHWARZ AE LEHNENBEZUG ILEDERI 1BX SCHWARZ 3WX BEOUIN IBRAUNI 8VX BEOUIN IBRAUNI 3YX ALASKAWEISS AM LEHNENBEZUG ILEOERI 1BX SCHWARZ 3YX ALASKAWEISS 8VX BEOUIN IBRAUNI 2YG LASKYWEISS ERSATZ KAMINROT LEHNENBEZUG ILEOER KUNSTLEOERI SCHWARZ MAURITIUSBLAU TAUBENGRAU LASKYWEISS LEHNENBEZUG ILEOER KUNSTLEDERI SCHWARZ HELLBEIGE LEHNENBEZUG ISTOFF I MAURITIUSBLAU LEHNENBEZUG ISTOFFI MAURITIUSBLAU LEHWENBEZUG ISTOFFI LASKYWEISS KAMINROT MAURITIUS IBLAUl TAUBENGRAU LEHMEWeftUG ISTOFFI HERMELIN ihSjfgl KB KC JF Cl JG CM CT JH CN CU CL CT cu CO CP JN JP JH 70 9 fP VA YA VB VK YL TV TL ff t YM YX VE VX TKJ 155 881 01 IVK4I VH VZ TV TL VJ TG TE VK VY TK Vg VX 81 80 07 14 HA 05 HG GL HP HE 07 HC HL GP HX Ht O HM HO HK GM HW 19 FD FH FX BA 2 SPORT AUSfUEHRUNG SPORT AUGFUEHRUNG SPORT AUSFUEHRUNG SPORT AUGFUEHRUNG S712 CLASSICLINE YOUNGLINE CLASSICLINE RIVAGE QUARTETT QUARTETT 185 0 EEa


Vorschau Golf Cabrio  Mod. 84-93 Seite 753