Golf Cabrio Mod. 84-93 Seite 757

Hinweis: Dies ist eine maschinenlesbare No-Flash Ansicht.
Klicken Sie hier um zur Online-Version zu gelangen.

Inhalt

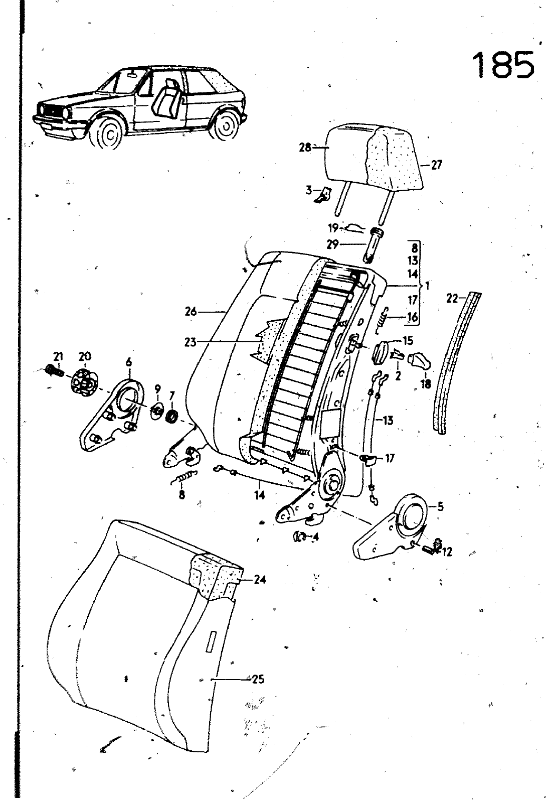
o 27 WTC T 29 22 26 15 23 21 20 2 J t7 17 CP 4 24 Z 25 185 185 0 la OM 126 126 27 129 128 128 f2 IM 128 28 12 128 128 128 155 88 801 10 92 07 93 155 881 801 IOf 2 07 9 155 881 990 1 5 8 1 493 191 881 903 191 881 905 155 n 121 Oa 83 07 85 155 881 921 10 85 07 86 155 881 921 0 4 07 7 08 84 07 87 155 81 521 08 87 07 91 08 87 07 91 08 87 07 90 155 881 121 08 91 07 93 08 91 07 93 08 91 07 93 155 8 11 521 08 8 07 50 08 86 07 90 08 86 07 90 08 86 07 90 155 881 921 08 90 07 91 08 90 07 91 08f90 07 91 08 90 07 91 08 9Ö 07 i 155 88j 521 08 91 07 93 08 91 07 93 08 91 07 93 08 91 07 93 155 881 521 02 91 07 91 155 881 921 02 91 07 91 155 881 921 08 83 07 91 08 84 07 87 08 87 07 90 08 87 07 90 03 87 07 91 0 b7 Ö7 96 BH C U BL 8JY MB3 J RZ9 F PJ8 PJ9 M WL8 WL9 W01 8SZ BT 8TB L WW9 WX3 WX1 WX2 MN mzp mzd KZR AL mzN ZP mzö AZR C BWL E H19 1BX 3W 8VX 3YX 2YG 4MH LEHNENBEZUG I STOFF I SCHWARZ LEHNENBEZUG ISTOFF I MAURITIUSBLAU SCHRIFTZUG MITVERWENOEN POLSTERDRAHT Y KOPFSTUETZE VERSTELLBAR KOPFSTUCTZE VERSTELLBAR MIT LAENGEREN STANGEN KOPFSTUETZENBEZU ISTOFF I HERMELIN IWEISSI K0PFSTUCTZEN8EZUG STOFF I BLAU KOPFSTUETZENBEZUG ISTOFF I BALEAR IBLAUl SAIGA BEIGE I KOPFSTUETZENBEZUG STOFF SCHWARZ SrLBER TAUetNGRAU BEOUIN BRAU I KOPFSTUETZENBEZUG STOFF I sdbWARZ TAUBENGRAU SAHARA KOPFSTUETZENBEZUG STOFF I LASKYWEISS KAMINROT MAURITIUS IBLAUl TAUBENGRAU KOPFSTUETZENBEZUG ISTOFF 1 SAHARA HCRMBLIN IWEISSI SCHWARZ MAURItlÜSBLAU TAUBENGRAU KOPFSTUETZENBEZUG StPFFI HERMElI IWEISSi SCHWARt MAURITIUSBLAU TAUBENGRAU KOPFSTUETZENBEZUG 1 STOFF I MAURITIUSBLAU KOPFSTUETZENBEZUG I STOFF I M URITIUSaLAU KOPFSTUETZENBEZUG LEDERI SCHWARZ BEDUIN IBRAUNI BEOUIN IBRAUNI ALASKAWEISS LAS WEISS KAMINROT 28 10 A 155 881 483 100MM 21 13 42 KB KC JF JN CL CV JG JP CM CW CT CV JH JQ CN CX CU OZ JF JN JG JP jk jo HA HG 05 CL HP HE HL 07 HB GP HX HC HM 08 HO HK GM HW 08 1 CO CP F0 FH FX FA FU FC FW VB FF FO FH FW FA FU FC FW FB FF 07 14 TP YL VA TV TL 86 YA VB fM fX VK YP 70 TW TC 88 TS VK TK TZ TJ TU VZ TOSCANA ACAPULCO gg S734 CC QUARTETT QUARTETT QUARTETT YOUNGLINE CLASSIG INE RliVAGE 185 0 IFTMa


Vorschau Golf Cabrio  Mod. 84-93 Seite 757