Golf Cabrio Mod. 84-93 Seite 800

Hinweis: Dies ist eine maschinenlesbare No-Flash Ansicht.
Klicken Sie hier um zur Online-Version zu gelangen.

Inhalt

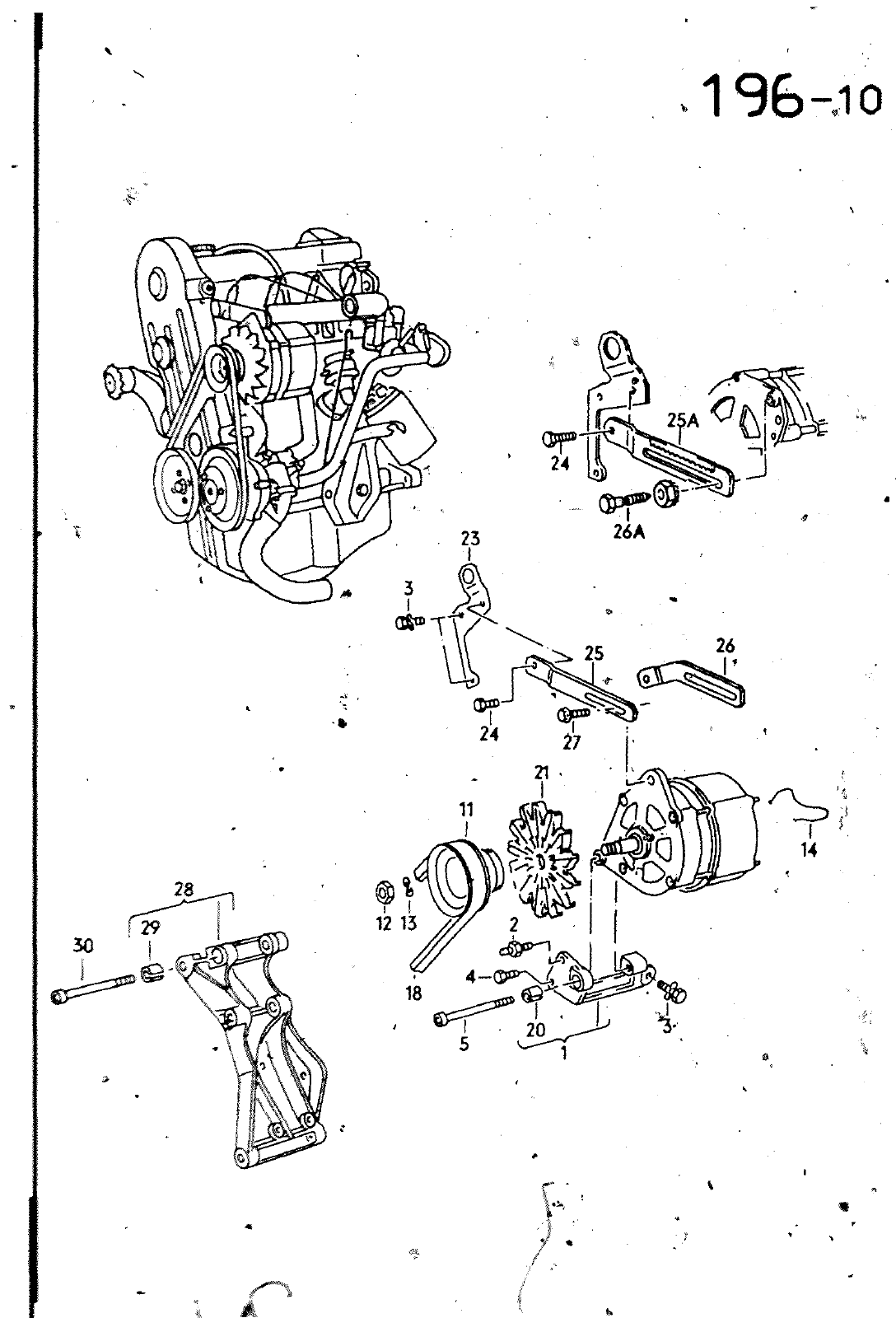
1196 10 0 3 fctl 25A J 24 26A 23 QP T 26 25 mm W 24 7 L 3 O e P 20 U M UVX 26 27 1271 28 29 30 026 903 555 A N 019 700 I N 040 237 1 027 260 891 049 903 149 N 044 759 1 1 SPANNSCHRAUBE SECHSKANTBUNÖSCHRAUBE SECHSKANTSCHRAUBE HALTER FUER KOMPRESSOR BUCHSE ZYLINDERSCHRAUBE MIT NENSECHSKANTKOPF M8X30 Mexss M8X95 SERVO LENKUNG KLIMAANLAGE KLIMAANLAGE KLIMAANLAGE 196 10 0 19 010


Vorschau Golf Cabrio  Mod. 84-93 Seite 800