Golf Cabrio Mod. 84-93 Seite 824

Hinweis: Dies ist eine maschinenlesbare No-Flash Ansicht.
Klicken Sie hier um zur Online-Version zu gelangen.

Inhalt

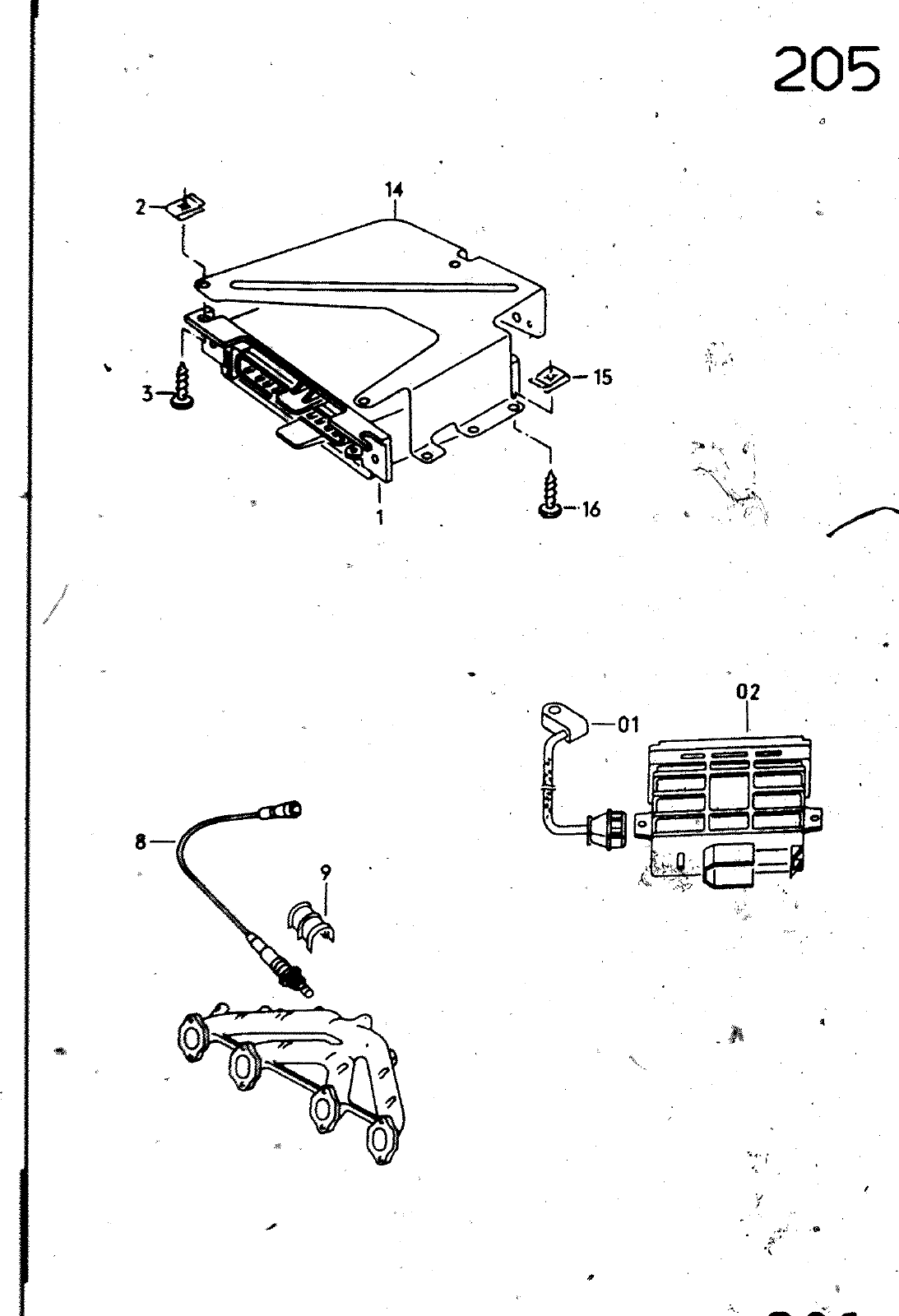
205 1 15 1 16 HAUPTGRUPPE 9 ELEKTRISCHE AUgRUESTUNG BILD ERSATZTEILE NR BENENNUNG BEMERKUNG ST MODELL 6 3 h je 18 14 114 14 114 114 LAMeO SONDE MIT STEUERGERNET JH 2H 054 905 377 A N 010 233 6 035 906 263 F 321 906 263 B 155 998 004 037 906 022 EN 155 907 340 N 013 978 1 N 015 445 2 N Ö 3 75 6 N 013 970 5 035 50 2 5 B 030 506 2 5 P 035 906 274 155 906 325 155 906 325 155 505 337 155 505 337 155 505 337 C N N 191 015 445 2 013 975 6 906 276 155 971 904 171 906 38T 311 971 935 KLOPFSENSOR SECHSKANTSCHRAUBE STEUERGERRET FUER LAM80A S0N0E STEUCRGERAET FUER LAMeOA SONDE STEUERGERAET F STEUERGERAET F 15 M OOO 001 HWELSE BEFESTIGUNGSTEILE GRUEN M8X28 RLKG 15 L 035 000 NUR FUER LINSENBLECHSCHRAUBE BEFESTIGUNGSTEILE SCHNAPPMUTTER LINSENBLECHSCHRAUBE LINSENBLECHSCHRAUBE LAM80A SONDE LAM8DA S0N0E SCHUTZBLECH HALTEBLECH FUER STEUERGERAET HALTEBLECH FUER STEUERGERAET F 15 K 035 000 HALTEBLECH FUER STEUERGERAET HAlTEBLECH FUER STEUERGERAET F i l 00p 001 I5 P 027 000 HALfEBLECH FUER STEUERGERAET F 15 P 027 001 SCHNAPPMUTTER LINSENBLECHSCHRAUBE CLIP Awear RELAfä f STECkvERBINOGR OIGIFANT DIGIFANT 037 906 022 EN 84 8X55 037 906 022 EN 84 8X16 5X11 84 8X19 B4 8X9 5 ZH 2H LLKG 84 8X16 5X11 84 8X19 33 20 2H 2H JH 2H JH RE W EX 0X KT 2H RE EW EX DX KT RE EW EX DX KT 2H HAUPTGRUPPE 9 ELEKTRISCHE AUSRUESTUNG 205 0 533


Vorschau Golf Cabrio  Mod. 84-93 Seite 824