Golf Cabrio Mod. 84-93 Seite 844

Hinweis: Dies ist eine maschinenlesbare No-Flash Ansicht.
Klicken Sie hier um zur Online-Version zu gelangen.

Inhalt

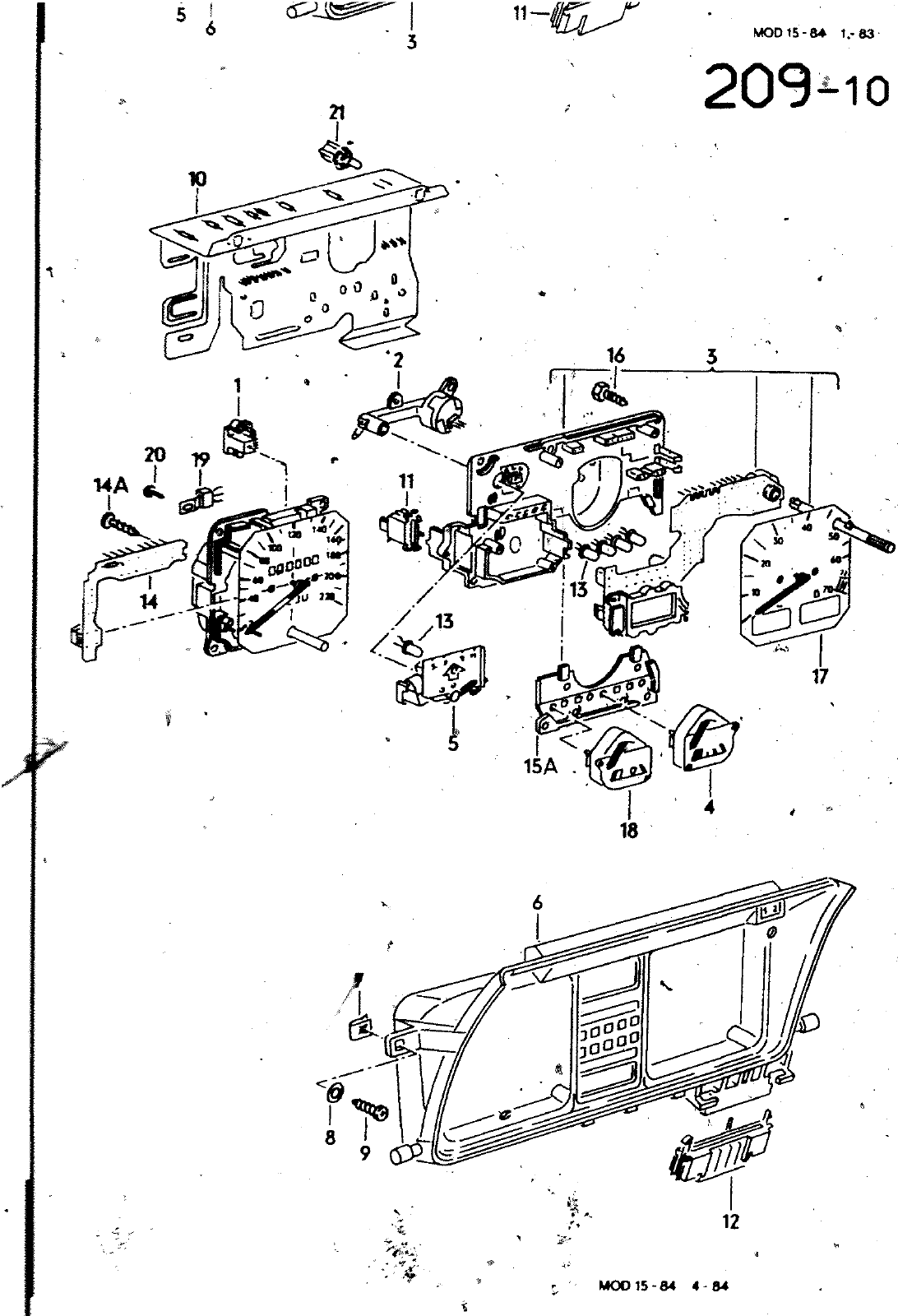
MOD15 84 1 83 icüO 1 10 u i a zp 19 WA y dSü Ml 13 ISA 3 X ooo 3 005 K n yy 30 9 Öl 7 HAUPTGRUPPE 9 BILD ERSATZTEILE NR 3 3 3 13 3 13 3 4 4 14 5 5 W0O15 4 84 321 907 345 B 171 907 346 191 907 346 A 191 907 346 D 191 907 346 H 161 919 044 155 91 044 155 919 044 B 155 919 044 E 155 919 044 D 155 919 044 G 16t 919 044 A 155 919 044 A 155 919 044 C 155 919 044 F 161 919 044 8 161 919 044 C 155 919 045 161 919 045 B 155 919 045 A 161 919 050 161 919 050 A 1 1 qiA Asn A ELEKTRISCHE AUSRUESTUNG BENENNUNG INSTRUMENTENGEHdEUSE UNO EINBAUTEILE FUER FAHRZEUGE MIT MULTIFUNK TIOWSANZEIGE HALL GEBER UNTERDRUCKGEBER F 15 E 035 000 UWTERORUCKGEBE F 15 F 035 000 UWTERDRÜCKGEBER F 15 6 000 OOW 15 K 035 000 UNTERDRUCKGEBER GEHAEUSE F 15 L OOO 001 MULTIFUNKTIONSANZEIGE F 15 E 035 000 MULTIFUNKTIONSANZEIGE F 15 F OOO 001 15 F 035 000 MULTIFUNKTiqßSANZEIGE F 15 G OOO 001 15 K 035 000 MULTIFUNKTIONSANZEIGE F 15 L ÖOO 001 MULTIFUNKTIONSANZEIGE F 15 K 035 000 MULTIFUNKTIONSANZEIGE F 15 L OOO OOld MULTIFUNKTIONSANZEIGE F 15 E 035 000 MULTIFUNKTIONSANZEIGE F 15 F OOO 001 15 F 035 OQO MULTIFUNKTIONSANZEIGE F 15 G OOO 001 15 K 035 ÖOO MULTIFUNKTIONSANZEIGE F 15 L OOO 001 MULTIFUNKTIONSANZEIGE F 15 E 035 000 MULTIFUNKTIONSANZEIGE F 15rE 035 000 KRAFTSTOFFVORRATSANZEfGER DREHZAHLMESSER FUER FAHRZEUGE MIT SCHALTANZEIGE KRAFTSTOFFVORRATSANZEIGER DREHZAHLMESSER KRAFTSTOFFVORRATSANZEIGER DREHZAHLMESSER SCHALT UND VERgRAUCHSANZEIGER F 15 E 035 000 SCHALT UND VERBRAUCHSANZEIGER F 15 E 035 000 BEMERKUNG VDO MOTOMETER MOTOMETER IBAR SCHWARZ KMH MOTOMETER KMN MOTOgETER KMH MOTOMETER OOO AQ 82KW KMH MOTOMETER dOp AO 62KW KMHHMbTOMETER 019 BM 70KW KMH MOTOMETER 027 CD 72KW MPH MOTOMETER MPH MOTOMETER MPH MOTOMETER 00 AR 82KW MPH MOTOMETER OOO AR 62KW KMH VDO MPH VDO ydri RECHTS UÜTEN MITTE UNTEN MiTTE UNTEN KMH VOO MPH VDO D 19 031 ST MODELL K JET ONIC DX K JETRONIC DX K JETRONIC JH D GIFANT 2H K JETRONIC DX K JETRONIC DX 209 10 SrWaiT INn VFBAAanrWSAMTFIAFGlKMW M tTnM TFO S707 SPORTLINE D 19 032


Vorschau Golf Cabrio  Mod. 84-93 Seite 844