Golf Cabrio Mod. 84-93 Seite 852

Hinweis: Dies ist eine maschinenlesbare No-Flash Ansicht.
Klicken Sie hier um zur Online-Version zu gelangen.

Inhalt

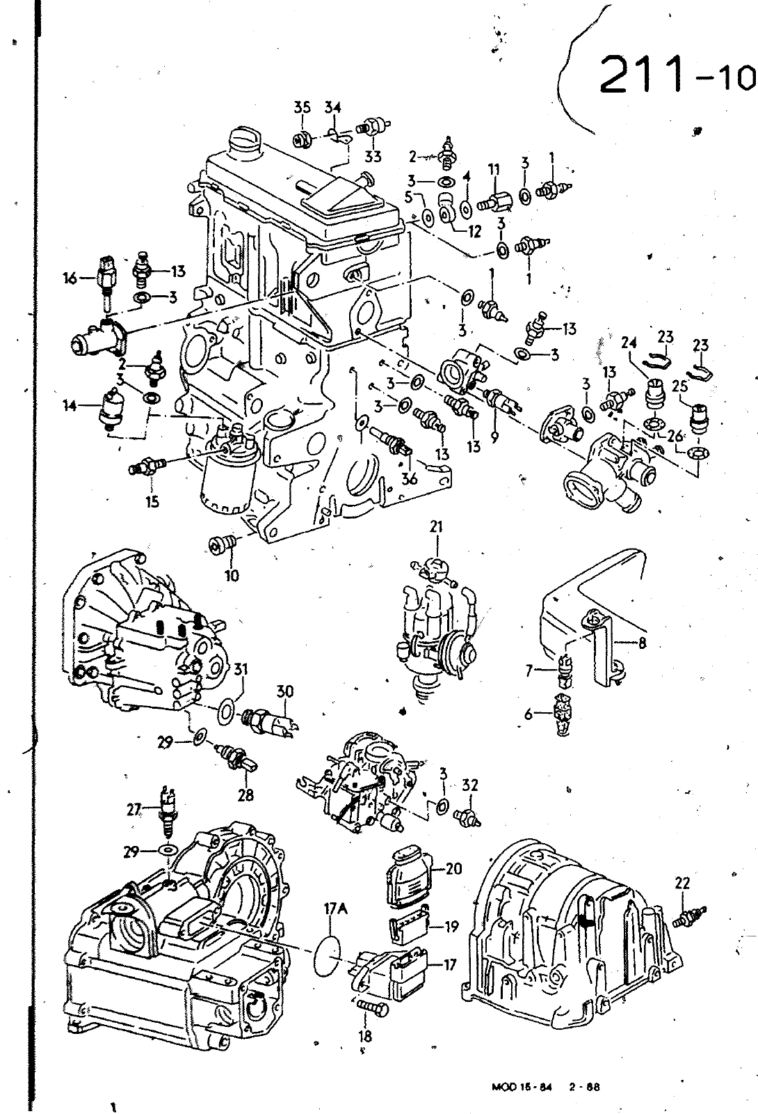
211 35 34 33 Z 3 7 51 0 N CU M Y 23 3 A r 3 25 A L 56 o U 30 29 32 28 2 29 20 17A ül 0 MOOM M 2 a HAUPTGRUPPE 9 ELEKTR1SCHE AUSRUESTUNG BILD ERSATZTEILE NR BENENNUNG BEMERKUNG ST MODELL 19 10 11 12 13 14 114 15 116 056 919 081 C 056 919 081 E N 013 806 4 N 01j 818 2 N 013 808 3 44 919 141 171 919 379 171 919 399 A 035 919 369 0 l 027 919 369 B N 016 024 1 035 103 715 030 103 717 049 919 501 035 919 561 035 919 561 A 049 919 563 A 043 90 163 4 035 919 369 B OEkORUCKSCHALTER 0EL0RUCKGE8ER TEMPERATURGEBER TEMPERATURFUEHLER THEgMOSCHALTER UNTERORUCKSCHALTER SCHALTER FUER RUECKFAHRLEUCHTE FUER SCHALT UNO VERBRAUCHSANZEIGE OELDRUCKSCHALTER OELORUCKSCHALTER DICHTRING DICHTHING DICHTRING SCHUTZKAPPE TEMPERATUMFUEHLER HALTER THERMOSCHALTER FUER LAMBOA SONDE FUER FAHRZEUGE MIT GEREGELTEM KATALYSATOR THERbOSCHALTER FUER lAMGOA SONDE FUER FAHRZEUGE MIT GEREGELTEM KATALYSATOR VERSCHLUSSSCHRAU E HOHLSCHRAUBE RINGSTUTZEN TEMPERATURGEBER FUER KUCHLWASSER UNO OELTEMPERATURANZEIGE DELDRUCKGEBER GELDRÜCKGEBER FUEß FAHRZEUGE MIT STEUCRGERAEf LEITERPLATTE FUER OELORUCKKONTROLLE OELTEMPERATURGEBER THERMOZEITSCHALTER THERMOSCHALTER FUER STARTAUTOMAJIC 0 3BAR 1 POLIG BRAUN 1 8BAR 1 POLIG WEISS A10X14 A12X16 A10X16 25 40C 2 POLIG 25 17C 2 POLIG SCHWARZ 45 17C 2 POLIG SCHWARZ M10X1 MI 0X1 MIOXt M10X1 M10X1 1 3LTR 1 3LTR 0 150C M10X1 1 POLIG SCHWARZ 0 5 0 3BAR Mlox 2 POLIG NATUR 0 5 1 8BAR M10XI SCHWARZ 0 150C M10X1 1 POLIG WEISS 35C M14X1 3 2 POLIG BRAUN 30 40C M10X1 2 POLIG ROT 211 10 D 19 0361 191 919 823 I SCHALTER FUER SCHALT UNO I


Vorschau Golf Cabrio  Mod. 84-93 Seite 852