Golf Cabrio Mod. 84-93 Seite 861

Hinweis: Dies ist eine maschinenlesbare No-Flash Ansicht.
Klicken Sie hier um zur Online-Version zu gelangen.

Inhalt

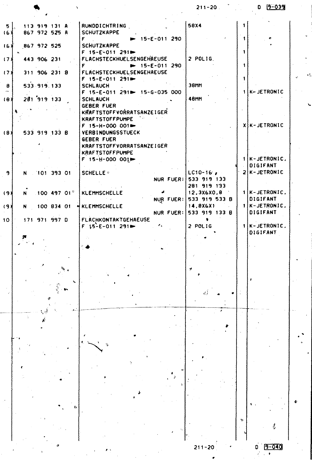
21 1 20 10 r 9 211 20 0 MFOa 5 161 16 171 171 8 lei 181 113 919 131 A 867 972 525 R 867 972 525 443 906 231 311 906 231 8 533 919 133 281 919 133 533 919 133 B N 101 393 01 91 191 10 N 100 497 01 N 100 834 01 171 971 997 0 RUNODICHTRING SCHUTZKAPPE F 15 E 011 290 SCHUTZKAPPE F 15 E 011 291 FL CHSTECKHUELSENGEH EUSE F 15 E 011 290 FLACHSTECKHUELSENGEHAEUSE F 15 E 011 291 SCHLAUCH F 15 E 011 291 15 G 035 000 SCHLAUCH GEBER FUER KßAFTSTOFFVORRATSANZEIGER KRAFTSTOFFPUMPE F 15 H OOO 001 VERBINOUWGSSTUECK GEBER FUER KRAFTSTOFFVORRATSANZEIGER KRAFTSTOFFPUMPE F 15 H OOO 00 SCHELLE KLEMMSCHELLE KLEMMSCHELLE FLACHKONTAKTGEHAEUSE F t5 E 011 291 NUR FUER NUp FUER NUR FUER 58 4 2 POLIG 38MM 48MM LC10 16 533 919 133 281 919 133 12 3X6X0 8 533 919 533 B I4 X X 533 919 133 B 2 POLIG K JETRONIC K JETRONIC K JETRONIC DIGIFANT K JETRONlC K JETRONIC DIGIFANT K JETRONIC DIGIFANT K JETRONIC DIGIFANT 211 20 0 19 04


Vorschau Golf Cabrio  Mod. 84-93 Seite 861