Golf Cabrio Mod. 84-93 Seite 870

Hinweis: Dies ist eine maschinenlesbare No-Flash Ansicht.
Klicken Sie hier um zur Online-Version zu gelangen.

Inhalt

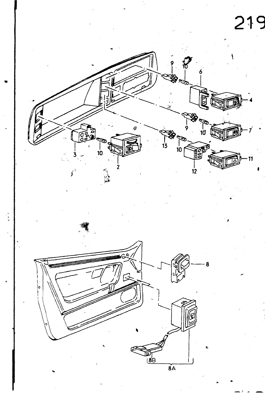
219 1 10 i 10 05 7 HAUPTGRUPPE f ELEKTRISCHE AUSRUESTUNG BILD ERSATZTEILE NR BENENNUNG BEMERKUNG sfNßdEoELL 2 12 12 12 155 941 333 321 941 531 K 323 941 531 G 323 941 531 E 323 941 531 M 323 941 531 F 323 941 531 J 321 919 039 321 941 535 B 1 2 94I5K 321 957 0 7 155 957 087 161 9W 171 941 599 321 959 621 B 162 959 621 690 451 281 SCHALTER FUER STAND FAHR UND WARNLICHT BEHEIZBARE RUECK BLICKFENSTERSCHEIBE NEBEL SCHEINWERFER UNO SCHLUSS LEUCHTE ELEKTRISCHE FENSTER HEBER RUECK8LICKSPIEGEL ELEK TRISCH VERSTELLBAR U BEHEIZBAR SCHALTER FUER LEUCHTWEITENREGULIERUNG SCHALTER FUER LICHT MIT REGLER FUER INSTRUMENTEN8ELEUCM UNG F 15 J 040 000 F 15 K 009 000 SCHALTER FUER LICHT MIT REGLpR FUER INSTRUMENTENBELEUCHTUNG F 15 K 009 001 SCHALTER FUER LICHT MIT REGLER FUER INSTRUMENTENBELEUCHTUNG FUER FAHRZEUGE MIT TAGESFAHRLICHTSCHALTUNG F 15 K 011 306 SCHALTER FUCA LICHT MIT REGLER FUER INSTRUMENTGNBELEUCHTUNG FUER FAHRZEUGE MIT TAGESFAHRLICHTSCHALTUNG F 15 K 011 307 SCHALTER FUEB LICHT FUER FAHRZEUGE MIT STAOTFAHRLICHT F 15 H OOO 00 F f5 K 011 246 SCHALTER FUER LICHT FUER FAHRZEUGE MIT GTADTFAHRLICHT F 15 K 011 247 SIEHE BILDTAFEL LAMPENFASSUNG FUgR FAHRZEUGE HiT TAGESFAHRLICHTSCHALTUNG SCHALTER FUER NEBELSCHEINWER FER VN NEBELSCHLUSSLEUCHTE SCHAerSR FUER NEBELSCHEINWER FER UNO NEBELSCHLUSSLEUCHTE BLINDOECKEL BLINDDECKEL FLqCHSTECKHUELSENGEMAEUSE FLA HSTECKHUELSENGEHAEUSE SCHALTER FUER BEHEIZBARE RUECKBLICKFENSTERSCHEIBE SCHALTER FUER BEHEIZBARE RUECKBLICKFENSTERSCHEIBE UAsewALTER FUER SIGNALHORN 239 24 5X43 20X33 5 6 3 3 POLIG 2 8 5 POLIG CD 3D CS CZ 3D C3 G CD LLKG RLKG LLKG RLKG 3B CD CD 3D CD 219 D 19 049 8 88 I SIEHE BILDTAFEL 235 50 IUR 1 D


Vorschau Golf Cabrio  Mod. 84-93 Seite 870